

作品包括:
Word版说明书一份,共25页,约8900字
工艺卡一张
过程卡一张
CAD版本图纸,共6张

摘 要
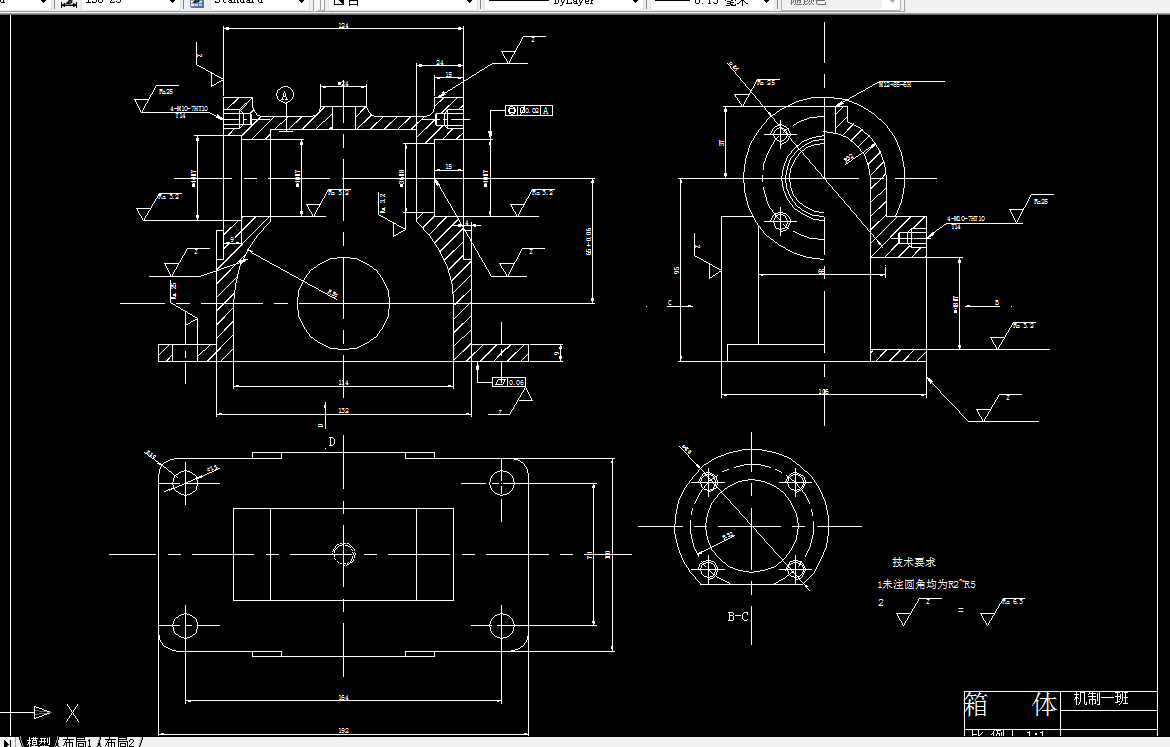
箱体的工艺规程和夹具设计是一个贴近实际的毕业设计。该零件结构有一定复杂性,有两个主轴孔,并且有底面的大平面,因此零件毛坯采用灰铸铁铸造成形,箱体零件是一种典型零件,因此其加工工艺规程和夹具设计也具有典型性。在加工过程中,采用先面后孔的加工路线,以保证工件的定位基准统一、准确。为了消除由粗加工所造成的内应力、切削力、夹紧力和切削热对加工精度的影响,整个工艺过程中主要是先加工基准面,在加工其他的平面和孔,达到零件图上的要求。
对各平面加工时,首先是考虑定位,以保证平面的尺寸精度、相互位置精度和表面粗糙度,同时提高了生产率。箱体零件的轴孔是箱体零件的关键,因此我采用专用夹具——卧式镗床镗孔来保证各孔系的尺寸精度、平行度、同轴度等要求,对其他的油孔、螺纹孔、紧固孔的加工可放到最后进行。
箱体的主要加工部位为两端面和轴孔。为了满足零件要求,采用专用铣床夹具和镗床夹具和车床夹具来进行加工,将大大提高产品质量和生产率。
关键词:夹具,镗模,余量,误差,精度
目录
1 箱体的加工工艺规程设计 1
1.1 零件的分析 1
1.1.1零件的作用 1
1.1.2零件的工艺分析 1
1.2零件加工的主要问题和工艺过程设计所应采取的相应措施 1
1.2.1孔和平面的加工顺序 2
1.2.2孔系加工方案选择 2
1.3箱体加工定位基准的选择 3
1.3.1粗基准的选择 3
1.3.2精基准的选择 3
1.4箱体加工主要工序安排 3
2 机械加工余量、工序尺寸及毛坯尺寸的确定 6
3确定切削用量及基本工时 8
4 夹具设计 16
4.1问题的提出 16
4.2定位基准的选择 16
4.3切削力和夹紧力的计算 17
4.4定位误差分析 17
4.5夹具设计及操作的简要说明 18
结论 19
致 谢 21
温馨提示:
1、题目前面的备注【字母数字编号】为本站整理分类的编号,与课题内容无关,请选题时忽视;
2、若题目上备注三维,则表示文件里包含三维源文件,由于三维组成零件数量较多,为保证预览截图的简洁性,本站将三维文件夹进行了打包。三维及CAD预览截图,均为本站电脑打开软件进行截图的,保证能够打开,下载原件超高清,下载后解压即可;
3、本站所有资源如无特殊说明,都需要本地电脑安装Office2007。图纸软件为AutoCAD,PROE,UG,SolidWorks,CATIA等;
4、本站所有图文资料仅供用户学习参考,不作为任何商用或其他用途;
5、本站不保证下载资源的准确性、安全性和完整性, 不包修改,不支持退换,同时也不承担用户因使用这些下载资源对自己和他人造成任何形式的伤害或损失;
6、 下载文件中如有侵权或不适当内容,请与我们联系,我们立即纠正。