

作品包括:
Word版设计说明书1份,共15页,约5600字
CAD版本图纸,共4张
工序卡一张
过程卡一张

日 期
摘 要
机械制造技术基础课程设计是我们融会大学所学的《机械制造技术基础》、《机械制造装备设计》等知识后,将理论与实践相结合对专业知识的综合运用训练,并且为我们以后做好毕业设计进行一次综合训练和准备。
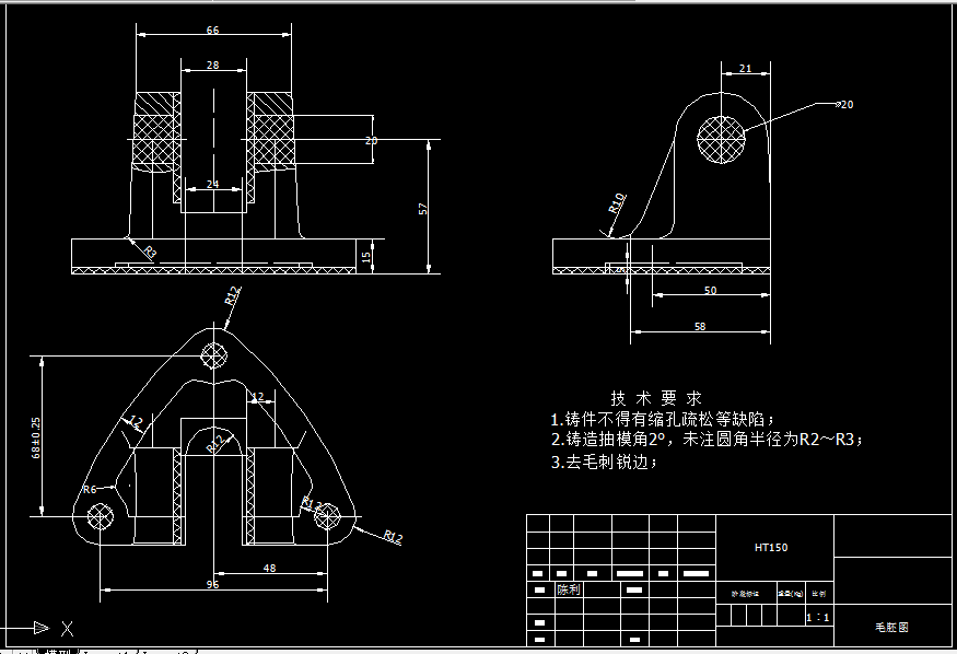
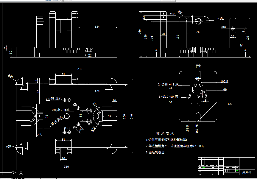
这次设计的是操纵杆支架,包括工件零件图、夹具体零件图、毛坯图、夹具装配图各一张,机械加工工艺过程卡片和与工序卡片各一张。首先我们要熟悉零件和了解其作用。然后,根据零件的性质和零件图上各端面的粗糙度确定毛坯的尺寸和机械加工余量。最后拟定支架的工艺路线图,制定该工件的夹紧方案,画出夹具装配图。
本次的课程设计,决定设计第二道工序——钻底面孔系,夹具通过一个固定V形块、一个摆动压块、四个支承板共同限制5个自由度,靠螺栓螺杆夹紧。钻模板与A面之间保持一定间距,设计出来的钻模板要保证3-Φ11的孔间距及孔径。
由于本人设计水平所限错误和欠妥之处恳请老师批评指正。
目录
1.零 件 的 分 析 6
1.1 零件的作用 6
1.2 零件的工艺分析 6
2.工 艺 规 程 设 计 7
2.1 选择毛坯种类并确定制造方法 7
2.2 基面的选择 7
2.3 制订工艺路线 7
2.4 工艺路线的比较与分析 8
2.5 机械加工余量、工序尺寸及毛坯尺寸的确定 9
2.6 确定切削用量及基本工时 10
3、夹具的设计 13
3.1问题的提出 13
3.2夹具设计 13
4、设计感言: 14
参考文献 15
温馨提示:
1、题目前面的备注【字母数字编号】为本站整理分类的编号,与课题内容无关,请选题时忽视;
2、若题目上备注三维,则表示文件里包含三维源文件,由于三维组成零件数量较多,为保证预览截图的简洁性,本站将三维文件夹进行了打包。三维及CAD预览截图,均为本站电脑打开软件进行截图的,保证能够打开,下载原件超高清,下载后解压即可;
3、本站所有资源如无特殊说明,都需要本地电脑安装Office2007。图纸软件为AutoCAD,PROE,UG,SolidWorks,CATIA等;
4、本站所有图文资料仅供用户学习参考,不作为任何商用或其他用途;
5、本站不保证下载资源的准确性、安全性和完整性, 不包修改,不支持退换,同时也不承担用户因使用这些下载资源对自己和他人造成任何形式的伤害或损失;
6、 下载文件中如有侵权或不适当内容,请与我们联系,我们立即纠正。