

作品包括:
说明书一份,共33页,约10000字
CAD版本图纸,共4张
SW三维图一份

摘 要
本设计涉及到机械制造工艺及机床夹具设计、金属切削机床、公差和测量等方面的知识。
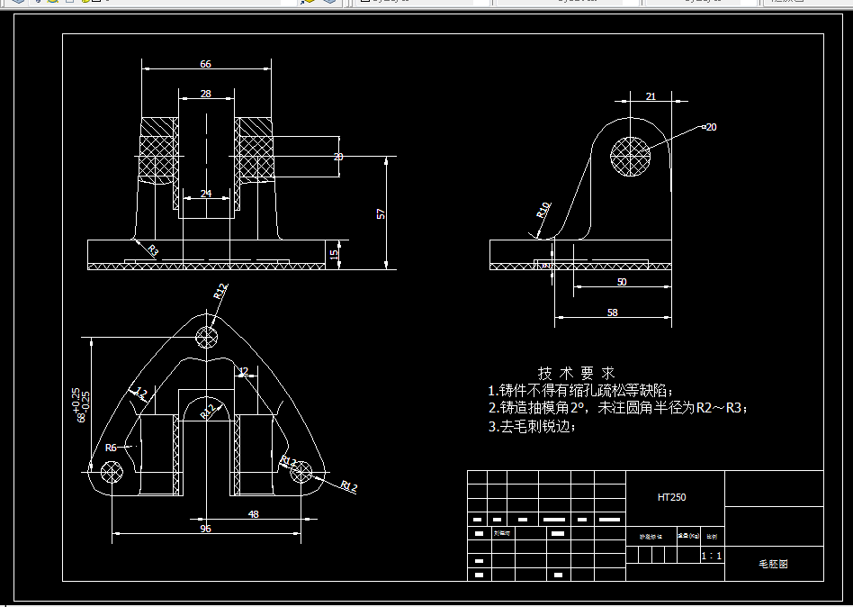
连接杆支架的加工工艺和夹具设计包括三个部分,包括工艺设计、工序设计和专用夹具设计。在设计的过程中应该首先理解的分析部分,工序过程的设计一个毛坯的结构,并选择好零件的加工基准,设计出零件的工艺路线;然后每个切削用量的部分步骤大小计算,是决定工艺的关键设备和切割过程的各种设计参数,然后一个专用夹具,夹具选择各种组件的设计,如定位和夹紧元件连接部分,导向元件,夹具和机床和其他组件,定位误差计算夹具,分析夹具结构的合理性和不足之处,改进和设计。
关键词:工序、工艺、切削参数、夹紧、定位、误差。
目录
序 言 1
一 零件的分析 2
1.1零件的作用 2
1.2零件的精度分析 2
1.3 零件的工艺分析 3
二 工艺规程设计 4
2.1确定毛坯的制造形式 4
2.2机械加工余量的的确定 4
2.3毛坯尺寸的确定 5
2.4工序余量的确定 6
2.5基面的选择 7
2.6制定工艺路线 8
2.7 确定切削用量及基本工时 9
三 钻孔夹具设计 18
3.1钻床的概述 18
3.2问题的提出 19
3.3定位基准的选择 19
3.4定位方案的设计 20
3.5夹紧方案的设计 21
3.5.1典型夹紧结构 21
3.5.2定心夹紧机构 21
3.6切削力和夹紧力的计算 22
3.7钻模板的选择 22
3.8钻套的设计 27
3.8定位误差分析 31
3.9夹具设计及操作的简要说明 32
总 结 33
致 谢 35
参 考 文 献 36
温馨提示:
1、题目前面的备注【字母数字编号】为本站整理分类的编号,与课题内容无关,请选题时忽视;
2、若题目上备注三维,则表示文件里包含三维源文件,由于三维组成零件数量较多,为保证预览截图的简洁性,本站将三维文件夹进行了打包。三维及CAD预览截图,均为本站电脑打开软件进行截图的,保证能够打开,下载原件超高清,下载后解压即可;
3、本站所有资源如无特殊说明,都需要本地电脑安装Office2007。图纸软件为AutoCAD,PROE,UG,SolidWorks,CATIA等;
4、本站所有图文资料仅供用户学习参考,不作为任何商用或其他用途;
5、本站不保证下载资源的准确性、安全性和完整性, 不包修改,不支持退换,同时也不承担用户因使用这些下载资源对自己和他人造成任何形式的伤害或损失;
6、 下载文件中如有侵权或不适当内容,请与我们联系,我们立即纠正。