欢迎来到龙图网在线图文分享平台-CAD图纸,设计说明书,工业设计3D模型,三维软件下载!   客服QQ:2363701252
热搜:

工艺夹具 模具设计 数控编程 土木工程 3D模型

JJ1538-矿用25t液压挖掘机工作装置的优化设计 下载积分:200 资料编号: JJ1538

1.打开支付宝或者微信扫描二维码。
2.填写金额:200 
3.添加备注,填写资料编号:
资料编号: JJ1538
4.支付成功后,请发资料编号到邮箱:jxsj168@qq.com
会有专人在15分钟内把资料发到您邮箱
备注:如果付款忘记填写资料编号,则发邮件时附带您的交易明细截图即可。
请耐心等待,如超过30分钟还没收到,请联系客服QQ:2363701252
点击分享:

作品描述

作品包括:

Word版说明书1份,共89页,约29000字

开题报告一份

文献综述一份

外文翻译一份

CAD版本图纸,共5张

image.png

摘要

此次设计的题目是挖掘机工作装置的结构设计。根据任务书中给出,要求对液压系统的传动进行计算,那么就应该是设计液压挖掘机。我们知道,依靠液压传动的挖掘机的综合性能要比依靠机械传动的挖掘机好。而且液压挖掘机具有体积小,结构紧凑,传动平稳,挖掘力大,操作简便,以及容易实现无级变速和自动控制等优点。

液压挖掘机采用三组液压缸使工作装置具有三个自由度,铲斗可实现有限的平面转动,加上液压马达驱动回转转动,使铲斗运动扩大到有限的空间,再通过行走马达驱动行走(移位),使挖掘空间可沿水平方向得到间歇性地扩大,从而满足挖掘作业的要求。液压挖掘机由柴油机驱动液压泵,操纵分配阀,将高压油送给各液压执行元件,驱动相应的机构进行工作。

同样地,从任务书中知道,主要参数为:整机质量25吨;反铲斗容量0.9m3;发动机功率103kw;液压系统工作压力35Mpa。要求实现最大挖掘高度9480mm,最大挖掘深度6710mm,最大挖掘半径9850mm,最大卸载高度6500mm。

关键字:液压系统;液压挖掘机;反铲装置目录

摘要I

Abstract II

1绪论1

1.1课题研究的背景1

1.2液压挖掘机国内外发展状况1

1.2.1液压挖掘机国外发展现状1

1.2.2液压挖掘机国内发展概况1

1.3本课题研究的目的与意义: 2

1.4构成及内容2

2总体方案设计3

2.1工作装置构成3

2.2动臂及斗杆的结构形式5

2.3动臂油缸与铲斗油缸的布置6

2.4铲斗与铲斗油缸的连接方式6

2.5铲斗的结构选择6

2.6原始几何参数的确定7

3工作装置运动学分析9

3.1动臂运动分析9

3.2斗杆的运动分析12

3.3铲斗的运动分析14

3.3.1铲斗连杆机构传动比14

3.3.2铲斗相对于斗杆的摆角15

3.3.3斗齿尖运动分析16

3.4特殊工作位置计算18

3.4.1最大挖掘深度19

3.4.2最大卸载高度19

3.4.3水平面最大挖掘半径20

3.4.4最大挖掘半径R1max 20

3.4.5最大挖掘高度20

4基本尺寸的确定22

4.1斗形参数的确定22

4.2动臂参数选择23

4.2.1与A点坐标的选取初选23

4.2.2与的选择23

4.2.4的计算24

4.3动臂机构基本参数的校核26

4.3.1挖掘阻力分析26

4.3.2满斗处于最大挖掘半径时动臂油缸提升力矩的校核28

4.3.3满斗处于最大高度时,动臂提升力矩的校核31

4.4斗杆机构基本参数的选择32

4.5铲斗机构基本参数的选择34

4.5.1转角范围34

4.5.2铲斗机构其它基本参数的计算34

5工作装置结构设计37

5.1斗杆的计算37

5.1.1斗杆的结构设计37

5.1.2斗杆内力图的绘制44

5.1.3结构尺寸计算47

5.1.4斗杆的强度校核49

5.2动臂结构设计54

5.2.1第一工况位置54

5.2.2第二工况位置59

5.2.3内力图和弯矩图的求解62

5.2.4动臂的强度校核69

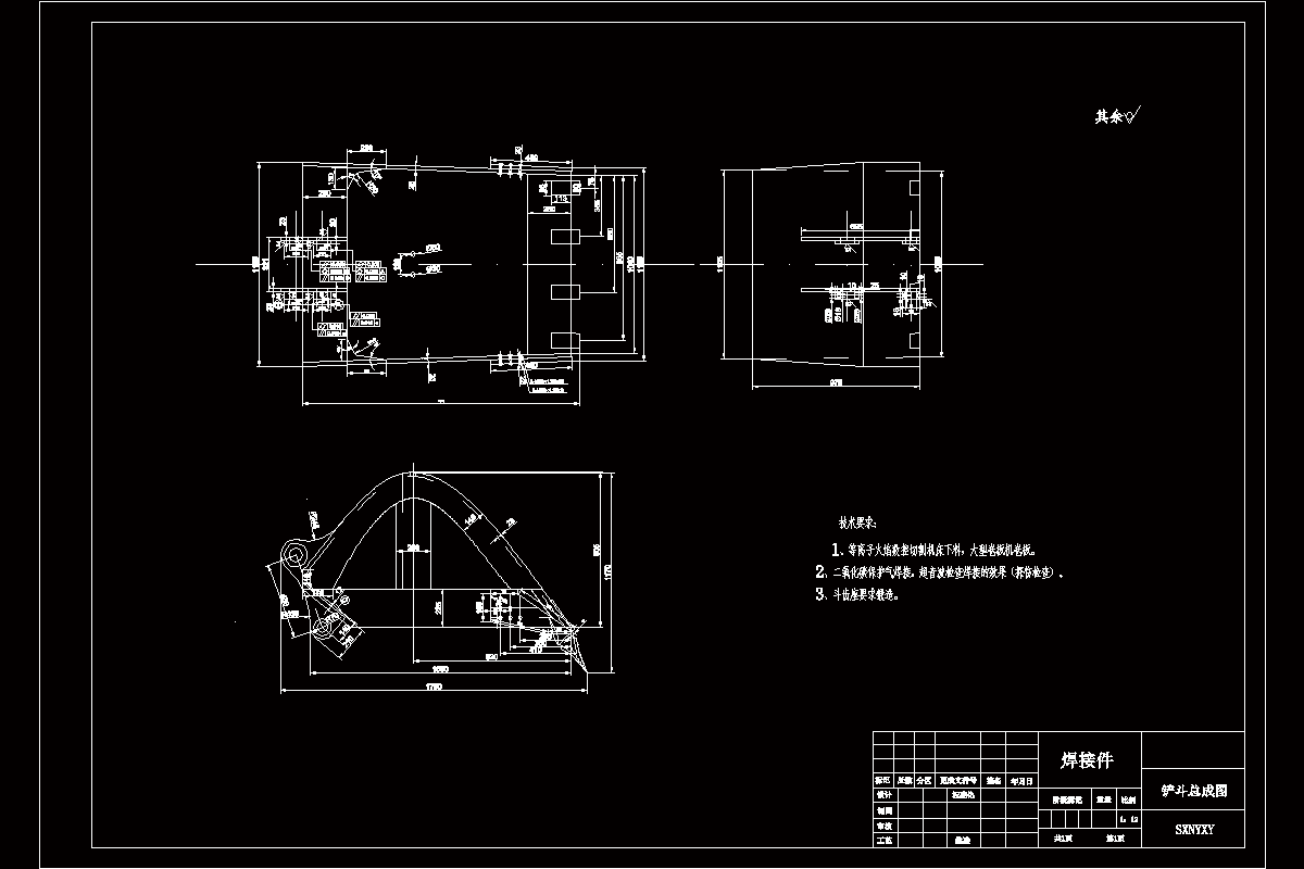
5.3铲斗的设计73

5.3.1铲斗斗形尺寸的设计73

5.3.2铲斗斗齿的结构计算74

5.3.3铲斗的绘制74

5.4销轴与衬套的设计77

5.4.1销轴的设计77

5.4.2销轴用螺栓的设计77

5.5衬套的设计77

6对铲斗有限元分析79

6.1创建铲斗模型79

6.2铲斗的有限元分析模型79

6.2.1确定铲斗材料属性及屈服应力79

6.2.2铲斗静强度分析79

结论81

参考文献82

致谢83

温馨提示:

1、题目前面的备注【字母数字编号】为本站整理分类的编号,与课题内容无关,请选题时忽视;

2、若题目上备注三维,则表示文件里包含三维源文件,由于三维组成零件数量较多,为保证预览截图的简洁性,本站将三维文件夹进行了打包。三维及CAD预览截图,均为本站电脑打开软件进行截图的,保证能够打开,下载原件超高清,下载后解压即可;

3、本站所有资源如无特殊说明,都需要本地电脑安装Office2007。图纸软件为AutoCAD,PROE,UG,SolidWorks,CATIA等;

4、本站所有图文资料仅供用户学习参考,不作为任何商用或其他用途;
5、本站不保证下载资源的准确性、安全性和完整性, 不包修改,不支持退换,同时也不承担用户因使用这些下载资源对自己和他人造成任何形式的伤害或损失;

6、 下载文件中如有侵权或不适当内容,请与我们联系,我们立即纠正。


线