欢迎来到龙图网在线图文分享平台-CAD图纸,设计说明书,工业设计3D模型,三维软件下载!   客服QQ:2363701252
热搜:

工艺夹具 模具设计 数控编程 土木工程 3D模型

JJ1562-CCS100圆锥破碎机设计及主润滑系统防尘结构优化 下载积分:200 资料编号: JJ1562

1.打开支付宝或者微信扫描二维码。
2.填写金额:200 
3.添加备注,填写资料编号:
资料编号: JJ1562
4.支付成功后,请发资料编号到邮箱:jxsj168@qq.com
会有专人在15分钟内把资料发到您邮箱
备注:如果付款忘记填写资料编号,则发邮件时附带您的交易明细截图即可。
请耐心等待,如超过30分钟还没收到,请联系客服QQ:2363701252
点击分享:

作品描述

作品包括:

Word版说明书1份,共51页,约20000字

文献综述一份

CAD版本图纸,共4张

image.png

摘要

通过对圆锥破碎机主进气系统油脂对空气污染的综合分析和科学研究,找到了圆锥破碎机主进气系统的进尘口。经过对主进气系统进尘口的检查,圆锥破碎机主进风系统终于弄清了进风系统灰尘和空气污染的重要原因。由于圆锥破碎机破碎铁矿石,机腔内的蒸汽受铁矿石的冲击而减少。因此,机腔内的前冲胎压标准和机腔内前冲胎压标准的反方向会将厨房油烟和脏蒸汽压入防污密封缸,导致网络服务器遭受损害。到空气污染。机械设备用润滑脂。针对这一问题,对机械设备正压防污系统手机软件进行了调整,但机械设备中重要植物油的生态环境问题并未得到合理改善。通过对圆锥破碎机正压防污设计方案的结构进行详细分析,发现工业设备正压防污自动控制系统的设计方案在结构和机械系统方面存在不足不健全。设备本身是集成的。圆锥破碎机正压防污系统软件研发结构更新。改变正气旋的位置,扩大粉尘内部的正压。除尘管内标准气压高于磨削设备腔体冲击胎压标准。升级后,根据具体主题活动检查,工业设备关键油脂环境污染问题得到解决。

关键词:圆锥破碎机;优化结构;正压防尘;主润滑系统

目录

摘要I

Abstract II

1绪论1

1.1研究的目的和意义2

1.2圆锥破碎机的国内外发展现状3

1.2.1国外圆锥破碎机的发展3

1.2.2国内圆锥破碎机的发展7

1.2.3国产单缸圆锥破碎机的现状7

2总体方案设计10

2.1圆锥破碎机的类型10

2.2圆锥破碎机的工作原理11

3圆锥破碎机的结构参数和工作参数的选择与计算16

3.1结构参数16

3.1.1给矿口宽度与排矿口宽度16

3.1.2啮角α 16

3.1.3破碎机的摆动行程17

3.1.4平行碎矿区18

3.2工作参数18

3.2.1破碎锥的摆动次数18

3.2.1生产率20

3.2.2电动机功率21

3.3偏心部分的运动状态21

3.4.1破碎锥惯性力与惯性力矩25

3.4.2偏心轴套的惯性力26

4电动机的选择及轴的计算28

4.1主电动机的选择与传动比分配28

4.1.1电动机的选择28

4.1.2传动比的分配28

4.3传动零件的设计计算29

4.3.1齿轮的计算29

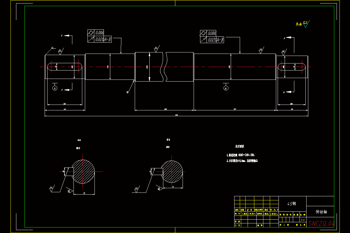
4.3.2传动轴的设计计算33

4.3.滚动轴承的选择与寿命的验算39

1.滚动轴承的选择39

5主润滑系统防尘结构优化41

5.1优化背景41

5.2润滑油流经机体内部的路径分析42

5.3润滑油的主要污染途径分析42

5.4防尘系统结构形式分析42

5.5防尘结构优化方案43

6结论45

参考文献46

致谢47

温馨提示:

1、题目前面的备注【字母数字编号】为本站整理分类的编号,与课题内容无关,请选题时忽视;

2、若题目上备注三维,则表示文件里包含三维源文件,由于三维组成零件数量较多,为保证预览截图的简洁性,本站将三维文件夹进行了打包。三维及CAD预览截图,均为本站电脑打开软件进行截图的,保证能够打开,下载原件超高清,下载后解压即可;

3、本站所有资源如无特殊说明,都需要本地电脑安装Office2007。图纸软件为AutoCAD,PROE,UG,SolidWorks,CATIA等;

4、本站所有图文资料仅供用户学习参考,不作为任何商用或其他用途;
5、本站不保证下载资源的准确性、安全性和完整性, 不包修改,不支持退换,同时也不承担用户因使用这些下载资源对自己和他人造成任何形式的伤害或损失;

6、 下载文件中如有侵权或不适当内容,请与我们联系,我们立即纠正。


线