欢迎来到龙图网在线图文分享平台-CAD图纸,设计说明书,工业设计3D模型,三维软件下载!   客服QQ:2363701252
热搜:

工艺夹具 模具设计 数控编程 土木工程 3D模型

JJ1563-CCS200圆锥破碎机设计及主轴结构优化 下载积分:50 资料编号: JJ1563

1.打开支付宝或者微信扫描二维码。
2.填写金额:50 
3.添加备注,填写资料编号:
资料编号: JJ1563
4.支付成功后,请发资料编号到邮箱:jxsj168@qq.com
会有专人在15分钟内把资料发到您邮箱
备注:如果付款忘记填写资料编号,则发邮件时附带您的交易明细截图即可。
请耐心等待,如超过30分钟还没收到,请联系客服QQ:2363701252
点击分享:

作品描述

作品包括:

Word版说明书1份,共45页,约17000字

任务书一份

文献综述一份

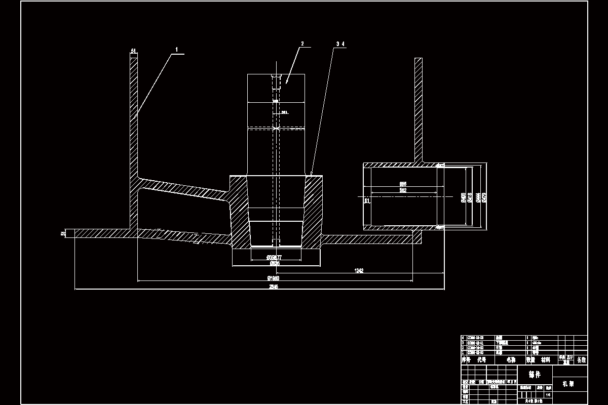
CAD版本图纸,共5张

image.png

摘要

我国所使用的圆锥破碎机根据工作原理可分为很多不同类型,单缸液压破碎机现在仍然是应用广泛的,但在结构设计上仍然存在一定的问题,基于存在问题,本次设计的主要内容有:首先了解单缸液压破碎机的工作原理和机械构造;其次进行结构参数和工作参数的计算;再其次进行电动机、轴承、键的选择;然后对传动轴进行设计;之后校核轴、轴承、齿轮的强度;最后进行液压系统设计。本次设计主要采用了二维AutoCAD进行装配图、零件图的绘制,通过设计,使得圆锥破碎机工作稳定性得到更好的保证,使生产率得到一定程度上的提高延长,并达到了延长寿命的目的。

关键词:单缸;圆锥破碎机;结构设计;液压系统

目录

1绪论1

1.1引言1

1.2圆锥破碎机研究目的及意义2

1.3发展历史3

1.4发展现状4

1.4.1圆锥破碎机的国外发展状况4

1.4.2圆锥破碎机的国内发展状况6

1.5各种圆锥破碎机的特点8

1.6圆锥破碎机发展方向8

2液压圆锥破碎机工作原理以及技术要求10

2.1物料破碎理论10

2.2圆锥破碎机的工作原理11

2.3影响圆锥破碎机性能关键因素11

2.3.1破碎机性能因素12

2.3.2破碎机结构因素12

2.3.3破碎机操作因素13

2.4破碎机的技术标准与要求12

3破碎机的机构设计和参数计算15

3.1液压圆锥破碎机的参数及其结构15

3.1.1机构参数15

3.1.2液压圆锥破碎机的动锥和偏心套的组成15

3.2设计参数的计算16

3.2.1给料口宽度和排料口的宽度16

3.2.2动锥参数设计17

3.2.3圆锥破碎机摆动次数确定18

3.2.4生产率的计算18

3.2.5破碎力求解19

4传动装置运动以及运动参数计算20

4.1齿轮的设计20

4.1.1齿轮的计算20

4.1.2齿轮的校核22

4.1.3小锥齿轮受力分析25

4.1.4大锥齿轮受力分析25

4.2传动轴的参数计算25

4.2.1计算传动轴的参数数据28

4.2.2计算轴径29

4.3计算主轴的参数数据32

4.3.1计算主轴的功率32

4.3.2计算轴径32

5偏心套的设计34

6液压系统的设计37

结论39

致谢40

参考文献41

温馨提示:

1、题目前面的备注【字母数字编号】为本站整理分类的编号,与课题内容无关,请选题时忽视;

2、若题目上备注三维,则表示文件里包含三维源文件,由于三维组成零件数量较多,为保证预览截图的简洁性,本站将三维文件夹进行了打包。三维及CAD预览截图,均为本站电脑打开软件进行截图的,保证能够打开,下载原件超高清,下载后解压即可;

3、本站所有资源如无特殊说明,都需要本地电脑安装Office2007。图纸软件为AutoCAD,PROE,UG,SolidWorks,CATIA等;

4、本站所有图文资料仅供用户学习参考,不作为任何商用或其他用途;
5、本站不保证下载资源的准确性、安全性和完整性, 不包修改,不支持退换,同时也不承担用户因使用这些下载资源对自己和他人造成任何形式的伤害或损失;

6、 下载文件中如有侵权或不适当内容,请与我们联系,我们立即纠正。


线