

作品包括:
说明书1份,共22页,约6200字左右
CAD版本图纸,共4张

摘 要
在机械制造的机械加工、检验、装配、焊接和热处理等冷热工艺过程中,使用着大量的夹具,用以安装加工对象,使之占有正确的位置,以保证零件和工件的质量。
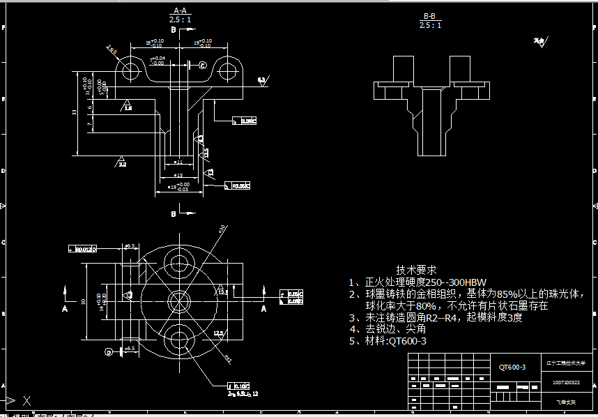
本次设计主要是进行飞锤支架的专用夹具的设计,是对我们以往所学知识的总结和对我们所掌握知识的一次扩展。本文主要从工艺规程的指定与夹具的设计两方面出发。根据零件本身的特点,生产类型以及零件在具体工作时的作用选择工艺规程和夹具。在工艺规程方面:确定生产类型,综合考虑其准确度高,生产效率高,消耗经济少等方面,选择一个最优方案;在夹具设计方面,因为是盖体类零件,加工4* 6.5mm孔,选择钻床加工,考虑诸多因素拟订最优方案,最终完成本次设计。
目 录
飞锤支架零件图 ………………………………………………5
一. 零件分析 ……………………………………………………5
1.1 零件作用 ………………………………………………5
1.2零件的工艺分析 …………………………………………6
1.3审查零件的工艺性 ………………………………………6
二. 工艺规程设计…………………………………………………7
2.1确定毛坯的制造形式 ……………………………………7
2.2基面的选择传 ……………………………………………7
2.3制定工艺路线 ……………………………………………8
2.4机械加工余量、工序尺寸及毛坯尺寸的确定 …………9
2.5确定切削用量及基本工时………………………………9
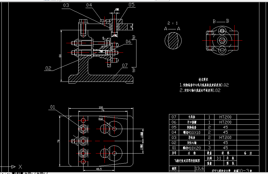
三 夹具设计……………………………………………………16
3.1问题的提出………………………………………………16
3.2定位基准的选择…………………………………………16
3.3切削力及夹紧力计算……………………………………16
3.4定位误差分析……………………………………………16
3.5钻套设计…………………………………………………17
3.6夹具设计及简要操作说明………………………………18
四 附 图………………………………………………………18
总 结………………………………………………………20
参考文献 ……………………………………………………20
温馨提示:
1、题目前面的备注【字母数字编号】为本站整理分类的编号,与课题内容无关,请选题时忽视;
2、若题目上备注三维,则表示文件里包含三维源文件,由于三维组成零件数量较多,为保证预览截图的简洁性,本站将三维文件夹进行了打包。三维及CAD预览截图,均为本站电脑打开软件进行截图的,保证能够打开,下载原件超高清,下载后解压即可;
3、本站所有资源如无特殊说明,都需要本地电脑安装Office2007。图纸软件为AutoCAD,PROE,UG,SolidWorks,CATIA等;
4、本站所有图文资料仅供用户学习参考,不作为任何商用或其他用途;
5、本站不保证下载资源的准确性、安全性和完整性, 不包修改,不支持退换,同时也不承担用户因使用这些下载资源对自己和他人造成任何形式的伤害或损失;
6、 下载文件中如有侵权或不适当内容,请与我们联系,我们立即纠正。