

作品包括:
说明书1份,共22页,约8700字左右
CAD版本本图纸,共6张
工序卡一份
过程卡一张

中文摘要
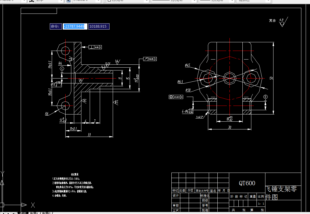
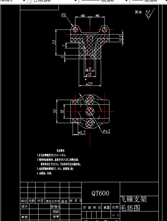
本设计是基于飞锤支架零件的加工工艺规程及一些工序的专用夹具设计,加工外圆及孔的车夹具设计。飞锤支架零件的主要加工表面是平面及孔系。一般来说,保证平面的加工精度要比保证孔系的加工精度容易。因此,本设计遵循先面后孔的原则。并将孔与平面的加工明确划分成粗加工和精加工阶段以保证孔系加工精度。基准选择以-中间拔叉的输入轴和输出轴的支承孔作为粗基准,以顶面与两个工艺孔作为精基准。主要加工工序安排是先以支承孔系定位加工出顶平面,再以顶平面与支承孔系定位加工出工艺孔。在后续工序中除个别工序外均用顶平面和工艺孔定位加工其他孔系与平面。支承孔系的加工采用的是坐标法镗孔。整个加工过程均选用机床。
关键词 飞锤支架,零件,加工工艺,专用夹具,设计
目 录
1.零件分析 1
1.1 零件作用 1
1.2 零件工艺分析 1
2.选择毛坯种类并确定制造方法 2
3.工艺规程的设计 2
3.1基准的选择 2
3.2制定工艺路线 2
3.3工艺路线确定 3
3.4 机械加工余量、工序尺寸及毛坯尺寸的确定 4
4 加工外圆及孔车夹具设计 11
4.1 车床夹具设计要求说明 11
4.2车床夹具的设计要点 11
4.3 定位机构 13
4.4夹紧机构 13
4.5零件的车床夹具的加工误差分析 13
4.6 确定夹具体结构尺寸和总体结构 14
4.7 零件的车床专用夹具简单使用说明 15
总 结 16
致 谢 17
参 考 文 献 18
温馨提示:
1、题目前面的备注【字母数字编号】为本站整理分类的编号,与课题内容无关,请选题时忽视;
2、若题目上备注三维,则表示文件里包含三维源文件,由于三维组成零件数量较多,为保证预览截图的简洁性,本站将三维文件夹进行了打包。三维及CAD预览截图,均为本站电脑打开软件进行截图的,保证能够打开,下载原件超高清,下载后解压即可;
3、本站所有资源如无特殊说明,都需要本地电脑安装Office2007。图纸软件为AutoCAD,PROE,UG,SolidWorks,CATIA等;
4、本站所有图文资料仅供用户学习参考,不作为任何商用或其他用途;
5、本站不保证下载资源的准确性、安全性和完整性, 不包修改,不支持退换,同时也不承担用户因使用这些下载资源对自己和他人造成任何形式的伤害或损失;
6、 下载文件中如有侵权或不适当内容,请与我们联系,我们立即纠正。