欢迎来到龙图网在线图文分享平台-CAD图纸,设计说明书,工业设计3D模型,三维软件下载!   客服QQ:2363701252
热搜:

工艺夹具 模具设计 数控编程 土木工程 3D模型

W059-支架机械加工工艺规程及钻φ30H7孔的夹具设计 下载积分:50 资料编号: W059

1.打开支付宝或者微信扫描二维码。
2.填写金额:50 
3.添加备注,填写资料编号:
资料编号: W059
4.支付成功后,请发资料编号到邮箱:jxsj168@qq.com
会有专人在15分钟内把资料发到您邮箱
备注:如果付款忘记填写资料编号,则发邮件时附带您的交易明细截图即可。
请耐心等待,如超过30分钟还没收到,请联系客服QQ:2363701252
点击分享:

作品描述

作品包括:

说明书1份,共15页,约4500字

CAD版本图纸,共4张

工序卡一张

过程卡一张

摘 要

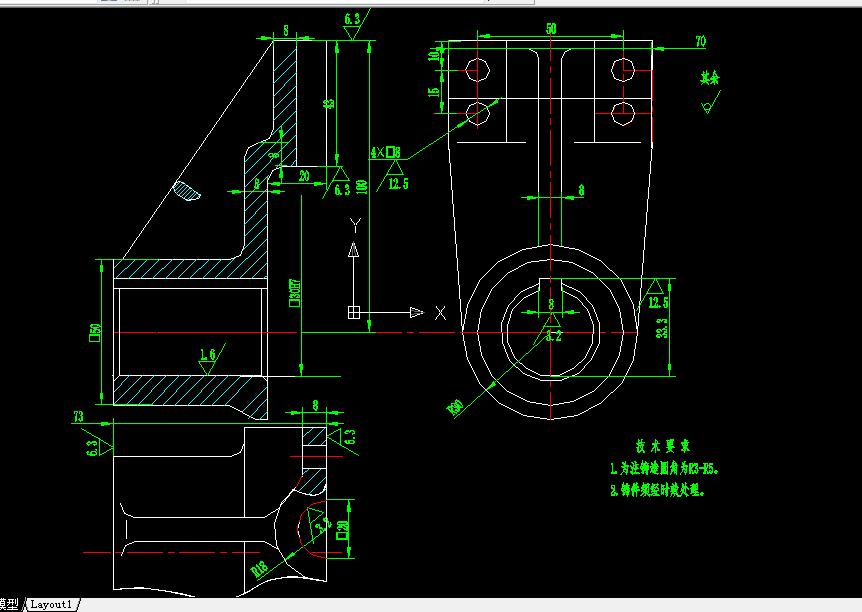
设计内容:设计“支架”零件的机械加工工艺规程及加工φ30H7孔的工艺装备,并绘制出支架零件图、毛坯图、夹具装配图,填写工艺卡片,编制课程设计说明书。

设计意义:通过该课程设计,将所学理论与生产实践相结合, 锻炼了自己分析问题、发现问题、解决问题的能力,在这个过程中我独立地分析和解决了零件机械制造的工艺问题,设计了机床专用夹具这一典型的工艺装备,提高了结构设计能力,增强了专业技能,为今后的毕业设计及对自己未来将从事的工作进行了一次适应性训练,从而打下了良好的基础。在设计中调整了心态,懂得做事要细心,有信心,磨练了意志,强化了自我。


目 录

序言……………………………………………………………1


一、零件的工艺分析及生产类型的确定…………………… 2

1.零件的工艺分析……………………………………………2

 2.零件的生产类型 ………………………………………… 2  

二、选择毛坯,确定毛坯尺寸,设计毛坯图 ………………2

 1.选择毛坯 ………………………………………………… 2

 2.确定机械加工余量 ……………………………………… 3

 3.确定毛坯尺寸 …………………………………………… 3

 4.设计毛坯 ………………………………………………… 3

三、选择加工方法,制定工艺路线………………………… 3

1.定位基准的选择……………………………………………3

2.零件表面加工方法的选择…………………………………4

3.制定工艺路线………………………………………………4

四、工序设计……………………………………………………5

1.选择加工设备与工艺装备…………………………………5

2.确定工序尺寸(工序Ⅸ)…………………………………5

五、确定切削用量及基本时间(工序Ⅸ)……………………6

1.切削用量的计算……………………………………………6

2.基本时间tm的计算…………………………………………6

六、夹具设计……………………………………………………7

1.定位方案……………………………………………………7

2.夹紧机构……………………………………………………7

3.导向装置……………………………………………………7

4.夹具与机床连接元件………………………………………8

5.夹具体………………………………………………………8

七、设计体会……………………………………………………8

参考文献………………………………………………………9

温馨提示:

1、题目前面的备注【字母数字编号】为本站整理分类的编号,与课题内容无关,请选题时忽视;

2、若题目上备注三维,则表示文件里包含三维源文件,由于三维组成零件数量较多,为保证预览截图的简洁性,本站将三维文件夹进行了打包。三维及CAD预览截图,均为本站电脑打开软件进行截图的,保证能够打开,下载原件超高清,下载后解压即可;

3、本站所有资源如无特殊说明,都需要本地电脑安装Office2007。图纸软件为AutoCAD,PROE,UG,SolidWorks,CATIA等;

4、本站所有图文资料仅供用户学习参考,不作为任何商用或其他用途;
5、本站不保证下载资源的准确性、安全性和完整性, 不包修改,不支持退换,同时也不承担用户因使用这些下载资源对自己和他人造成任何形式的伤害或损失;

6、 下载文件中如有侵权或不适当内容,请与我们联系,我们立即纠正。


线