欢迎来到龙图网在线图文分享平台-CAD图纸,设计说明书,工业设计3D模型,三维软件下载!   客服QQ:2363701252
热搜:

工艺夹具 模具设计 数控编程 土木工程 3D模型

JJ2025-车轮摆差试验机结构设计 下载积分:200 资料编号: JJ2025

1.打开支付宝或者微信扫描二维码。
2.填写金额:200 
3.添加备注,填写资料编号:
资料编号: JJ2025
4.支付成功后,请发资料编号到邮箱:jxsj168@qq.com
会有专人在15分钟内把资料发到您邮箱
备注:如果付款忘记填写资料编号,则发邮件时附带您的交易明细截图即可。
请耐心等待,如超过30分钟还没收到,请联系客服QQ:2363701252
点击分享:

作品描述

作品包括:

Word版说明书1份,共28页,约9900字

CAD版本图纸,共4张

image.png

摘要

车轮摆差测量技术是测量技术中重要的一门学科。现代汽车工业对传动部件—车轮的摆动要求愈来愈高,车轮的摆差大小也是汽车平稳行驶的保证。

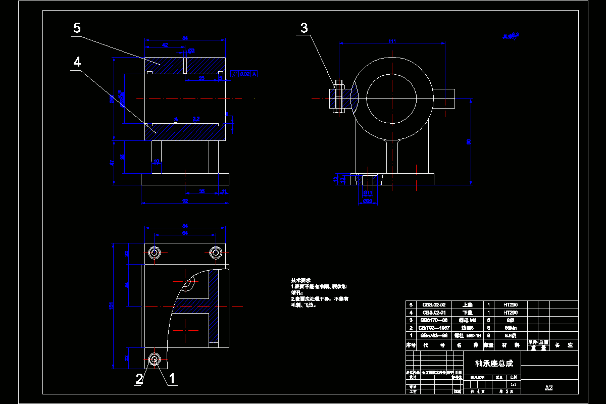
本设计将车轮侧向和径向的摆差作为一个整体来检测,把车毂边缘作为车轮在侧向和径向摆差测量的位置,利用光栅位移传感器来检测车轮侧向和径向的摆差。它包括三个部分:首先是车轮摆差试验机的传动机构,其次是被检测车轮的定位和夹紧机构,再则是车轮的检测机构(检测侧向和径向的摆差)。通过车轮摆差试验机,可以精确的检测车轮在径向和侧向摆差的程度和大小,从而验证所生产的产品是否符合实际的使用要求,是否能够达到用时最短和最低成本的检测。同时它可以用于各种轻型轿车、卡车等无内胎车轮在径向、侧向摆差进行精确的检测。本文详细的分析了车轮摆差试验机的结构设计和工作原理。

关键词:车轮摆差试验机结构设计工作原理

目录

绪论2

第一章车轮摆差试验机结构总体设计5

1.1车轮摆差试验机的结构组成5

1.2车轮摆差试验机的工作原理5

1.3车轮摆差试验机各个结构的分析6

1.3.1检测结构6

1.3.2定位结构和夹紧结构6

1.3.3系统传动结构7

第二章车轮摆差试验机传动系统的设计8

2.1传动系统的作用、类型与组成8

2.1.1传动系统的作用8

2.1.2传动系统的类型8

2.1.3传动系统的组成9

2.2车轮摆差试验机传动方案的选择9

2.3电动机的选用11

2.3.1选择电动机类型11

2.3.2选择电动机的容量11

2.3.3确定电动机转速11

第三章车轮摆差试验机各结构的设计和校核12

3.1变速箱传动系统的设计12

3.2轴的结构设计和计算13

3.3蜗轮和蜗杆的计算与校核16

3.3.1.蜗杆传动的主要参数和几何尺寸16

3.3.2计算蜗轮和蜗杆的参数与几何尺寸17

3.3.3校核齿根弯曲疲劳强度18

3.3.4蜗杆传动的热平衡核算18

3.3.5蜗杆轴的设计19

3.3.6蜗轮轴的设计和计算21

结论23

参考文献24

致谢26

温馨提示:

1、题目前面的备注【字母数字编号】为本站整理分类的编号,与课题内容无关,请选题时忽视;

2、若题目上备注三维,则表示文件里包含三维源文件,由于三维组成零件数量较多,为保证预览截图的简洁性,本站将三维文件夹进行了打包。三维及CAD预览截图,均为本站电脑打开软件进行截图的,保证能够打开,下载原件超高清,下载后解压即可;

3、本站所有资源如无特殊说明,都需要本地电脑安装Office2007。图纸软件为AutoCAD,PROE,UG,SolidWorks,CATIA等;

4、本站所有图文资料仅供用户学习参考,不作为任何商用或其他用途;
5、本站不保证下载资源的准确性、安全性和完整性, 不包修改,不支持退换,同时也不承担用户因使用这些下载资源对自己和他人造成任何形式的伤害或损失;

6、 下载文件中如有侵权或不适当内容,请与我们联系,我们立即纠正。


线