欢迎来到龙图网在线图文分享平台-CAD图纸,设计说明书,工业设计3D模型,三维软件下载!   客服QQ:2363701252
热搜:

工艺夹具 模具设计 数控编程 土木工程 3D模型

JJ2357-工具座盖加工工艺及铣70左端面夹具设计 下载积分:150 资料编号: JJ2357

1.打开支付宝或者微信扫描二维码。
2.填写金额:150 
3.添加备注,填写资料编号:
资料编号: JJ2357
4.支付成功后,请发资料编号到邮箱:jxsj168@qq.com
会有专人在15分钟内把资料发到您邮箱
备注:如果付款忘记填写资料编号,则发邮件时附带您的交易明细截图即可。
请耐心等待,如超过30分钟还没收到,请联系客服QQ:2363701252
点击分享:

作品描述

作品包括:

Word版说明书1份,共32页,约13000字

工序卡7张

工艺过程卡1张

CAD版本图纸,共7张

image.png

摘要

在“一带一路”利好背景下,我们国家产业结构以及机械加工制造业,其结构性变化明显。企业完成工装、夹具的优化以及改良是迫在眉睫。夹具这个传统的行业,在制造业飞速发展的今天,又被赋予了新是使命。因现在产品种类繁多,零件结构万万千千。专用夹具的设计在不可取代的基础上,变的越来越重要。

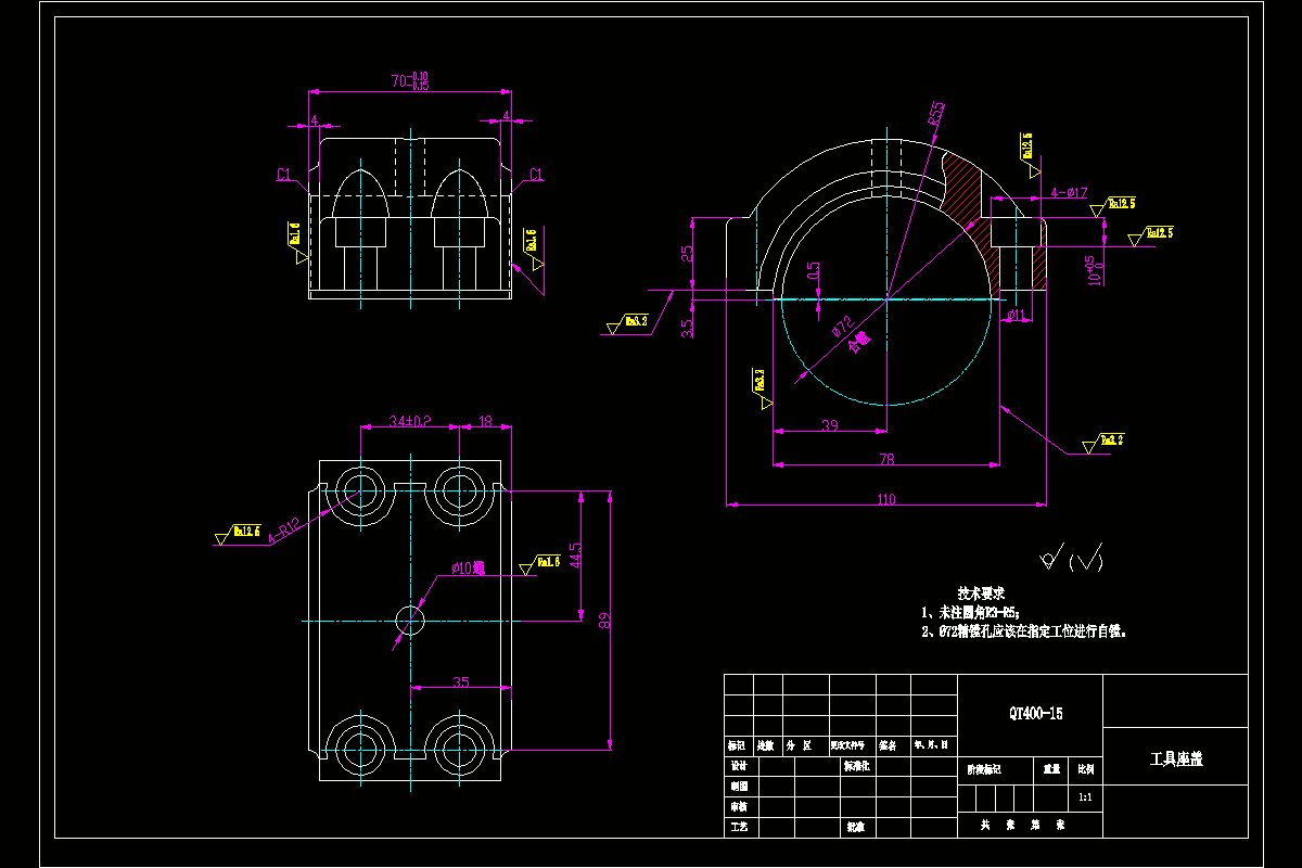
本次毕设的题目是工具座盖零件的加工工艺分析及夹具设计。本工件和工具底座配合使用的,连接和紧固连接件。该零件外形复杂,需要对其进行铸造,铸造后的零件要能够承受一定的载荷。

零件加工工艺的分析不仅完成了工件结构分析、基准选择、制造和加工方式选择,还根据加工工序卡完成了相应是切削数据的计算。本次专用夹具设计设计出了铣70左端面两个工序。完成了定位夹紧方案以及装置的设计,还对夹具上其他零部件进行了设计和确定,完成设计图纸量的要求等。

关键词:工具座盖;工艺分析;专用夹具

目录

摘要I

Abstract II

第一章零件的分析1

1.1零件的作用1

1.2零件的组成表面分析1

1.3零件的加工要求分析2

第二章确定零件材料、制造方式及生产类型3

2.1零件材料的确定3

2.2零件制造方式的确定3

2.3零件生产类型的确定5

第三章设计加工工艺规程6

3.1零件加工基准的确定6

3.2零件加工工艺路线的设计6

3.3零件加工工艺装备的选择7

3.4零件加工余量确定8

3.5确定切削用量、计算加工工时9

第四章铣70左端面专用夹具23

4.1定位机构23

4.1.1定位元件的确定23

4.1.2定位基准的选择23

4.2夹紧机构24

4.2.1对夹紧装置的基本要求24

4.2.2夹紧元件的选择24

4.2.3切削力的计算与夹紧力分析25

4.3机床夹具的总体形式25

4.3.1确定夹具体26

4.3.2确定联接体26

结论27

致谢28

参考文献29

温馨提示:

1、题目前面的备注【字母数字编号】为本站整理分类的编号,与课题内容无关,请选题时忽视;

2、若题目上备注三维,则表示文件里包含三维源文件,由于三维组成零件数量较多,为保证预览截图的简洁性,本站将三维文件夹进行了打包。三维及CAD预览截图,均为本站电脑打开软件进行截图的,保证能够打开,下载原件超高清,下载后解压即可;

3、本站所有资源如无特殊说明,都需要本地电脑安装Office2007。图纸软件为AutoCAD,PROE,UG,SolidWorks,CATIA等;

4、本站所有图文资料仅供用户学习参考,不作为任何商用或其他用途;
5、本站不保证下载资源的准确性、安全性和完整性, 不包修改,不支持退换,同时也不承担用户因使用这些下载资源对自己和他人造成任何形式的伤害或损失;

6、 下载文件中如有侵权或不适当内容,请与我们联系,我们立即纠正。


线