欢迎来到龙图网在线图文分享平台-CAD图纸,设计说明书,工业设计3D模型,三维软件下载!   客服QQ:2363701252
热搜:

工艺夹具 模具设计 数控编程 土木工程 3D模型

JJ2387-下模座机械加工工艺规程设计 下载积分:100 资料编号: JJ2387

1.打开支付宝或者微信扫描二维码。
2.填写金额:100 
3.添加备注,填写资料编号:
资料编号: JJ2387
4.支付成功后,请发资料编号到邮箱:jxsj168@qq.com
会有专人在15分钟内把资料发到您邮箱
备注:如果付款忘记填写资料编号,则发邮件时附带您的交易明细截图即可。
请耐心等待,如超过30分钟还没收到,请联系客服QQ:2363701252
点击分享:

作品描述

作品包括:

Word版说明书1份,共40页,约13000字

CAD版本图纸,共3张

image.png

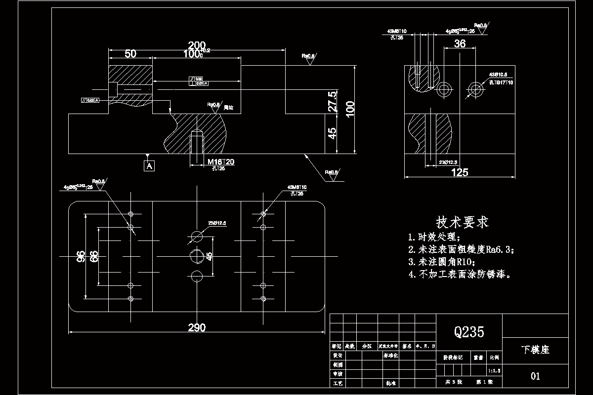
第一节下模座的工艺分析与毛坯的选择2

1.1下模座的用途2

1.2下模座的技术要求2

1.3分析下模座的工艺性2

1.4.毛坯的选择3

1.5绘制下模座的毛坯简图3

第二节工艺路线的拟定4

2.1选择定位基准4

2.2各表面加工方案的确定4

2.3加工阶段的划分5

2.4工序顺序的安排5

2.5确定工艺路线6

第三节确定加工余量和工序尺寸8

3.1工序2、3、4、12、13——加工下模座上下表面至设计尺寸8

3.2工序4、13——加工下模座型腔内壁和型腔下表面至设计尺寸12

3.3工序8——钻2*φ12.5mm孔、钻、精铰4*φ6mm孔、钻4*φ4mm螺纹底孔14

3.4工序9——钻4*φ10.5mm孔16

3.5工序10——钻、扩4*φ17mm孔17

3.6工序11——钻φ12mm螺纹底孔18

第四节确定切削用量及时间定额19

4.1确定切削用量19

4.2时间定额的计算25

第五节设计总结39

参考资料40

温馨提示:

1、题目前面的备注【字母数字编号】为本站整理分类的编号,与课题内容无关,请选题时忽视;

2、若题目上备注三维,则表示文件里包含三维源文件,由于三维组成零件数量较多,为保证预览截图的简洁性,本站将三维文件夹进行了打包。三维及CAD预览截图,均为本站电脑打开软件进行截图的,保证能够打开,下载原件超高清,下载后解压即可;

3、本站所有资源如无特殊说明,都需要本地电脑安装Office2007。图纸软件为AutoCAD,PROE,UG,SolidWorks,CATIA等;

4、本站所有图文资料仅供用户学习参考,不作为任何商用或其他用途;
5、本站不保证下载资源的准确性、安全性和完整性, 不包修改,不支持退换,同时也不承担用户因使用这些下载资源对自己和他人造成任何形式的伤害或损失;

6、 下载文件中如有侵权或不适当内容,请与我们联系,我们立即纠正。


线