

作品包括:
Word版说明书1份,共23页,约6500字
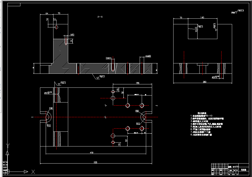
工序卡一张
过程卡一张
CAD版本图纸,共4张

目录
第一章 绪论 1
第二章 分析轴承支架零件 2
2.1零件的作用分析 2
第三章 轴承支架的工艺研究 3
3.1 重要的加工面精度分析 3
3.2轴承支架的毛坯选用 3
3.3选择基面 4
3.4比较分析不同方案 4
3.5轴承支架零件的机械加工工艺的装备机床选取 6
第四章 机械切削用量的计算 7
第四章 专用夹具设计 14
4.1研究原始质料 14
4.2定位基准的选择 14
4.3 切削力及夹紧分析计算 14
4.4 误差分析与计算 16
4.5 定向键与对刀装置设计 17
4.6 夹具设计及操作的简要说明 18
结束语 20
参考文献 21
致 谢 22
温馨提示:
1、题目前面的备注【字母数字编号】为本站整理分类的编号,与课题内容无关,请选题时忽视;
2、若题目上备注三维,则表示文件里包含三维源文件,由于三维组成零件数量较多,为保证预览截图的简洁性,本站将三维文件夹进行了打包。三维及CAD预览截图,均为本站电脑打开软件进行截图的,保证能够打开,下载原件超高清,下载后解压即可;
3、本站所有资源如无特殊说明,都需要本地电脑安装Office2007。图纸软件为AutoCAD,PROE,UG,SolidWorks,CATIA等;
4、本站所有图文资料仅供用户学习参考,不作为任何商用或其他用途;
5、本站不保证下载资源的准确性、安全性和完整性, 不包修改,不支持退换,同时也不承担用户因使用这些下载资源对自己和他人造成任何形式的伤害或损失;
6、 下载文件中如有侵权或不适当内容,请与我们联系,我们立即纠正。