

作品包括:
Word版说明书一份,共22页,约7700字
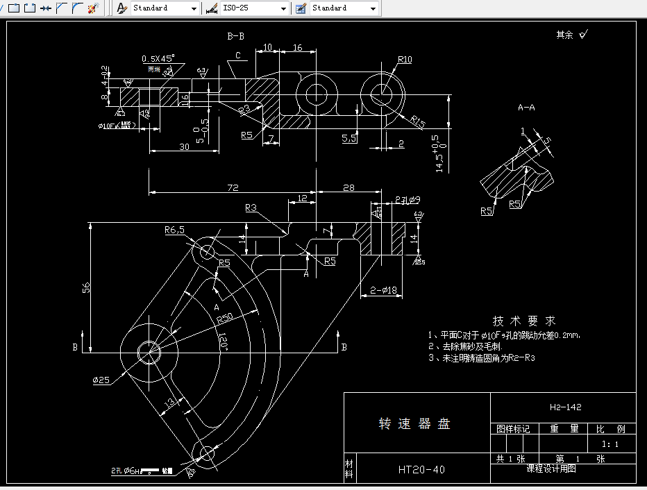
CAD版本图纸,共4张
SW三维图一份
工艺卡一张
过程卡一张

目 录
1序 言 2
1.1设计目的 2
1.2设计感想与体会 2
2工艺规程与夹具设计过程 3
2.1根据生产纲领,确定生产类型 3
2.2零件的作用 3
2.3零件的工艺分析 4
2.4毛坯余量确定 5
2.5初步确定毛坯形状 6
3工艺规程设计 7
3.1定位基准的选择 7
3.2零件表面加工方法的选择 7
3.3制定加工工艺路线 8
4选择加工设备及刀、夹、量具 10
4.1机床的选择 10
4.2选择刀具 10
5加工工序设计 11
6 钻2-Φ6孔钻床夹具设计 18
6.1问题提出 18
6.2确定夹具结构方案 18
6.3分析计算定位误差 19
6.4确定工件的夹紧装置 19
6.5夹具设计及操作说明 20
主要参考文献 21
温馨提示:
1、题目前面的备注【字母数字编号】为本站整理分类的编号,与课题内容无关,请选题时忽视;
2、若题目上备注三维,则表示文件里包含三维源文件,由于三维组成零件数量较多,为保证预览截图的简洁性,本站将三维文件夹进行了打包。三维及CAD预览截图,均为本站电脑打开软件进行截图的,保证能够打开,下载原件超高清,下载后解压即可;
3、本站所有资源如无特殊说明,都需要本地电脑安装Office2007。图纸软件为AutoCAD,PROE,UG,SolidWorks,CATIA等;
4、本站所有图文资料仅供用户学习参考,不作为任何商用或其他用途;
5、本站不保证下载资源的准确性、安全性和完整性, 不包修改,不支持退换,同时也不承担用户因使用这些下载资源对自己和他人造成任何形式的伤害或损失;
6、 下载文件中如有侵权或不适当内容,请与我们联系,我们立即纠正。