

作品包括:
Word版说明书1份,共46页,约14000字
CAD版本图纸,共5张

摘要
本设计是年产800万袋午时茶颗粒的生产车间工艺设计。午时茶祛风解表,化湿和中。用于外感风寒、内伤食积证,症见恶寒发热、头痛身楚、胸脘满闷、恶心呕吐、腹痛腹泻。从科学,合理,可行性的原则出发,参照《中国药典》上收录的午时茶颗粒的相关信息,在充分运用国内现有技术的同时对某些工艺步骤做了较科学合理的创新,生产工艺简洁,由3个工段组成,分别为前处理工段,提取工段,制剂工段。设计内容主要包括生产工艺流程设计、物料衡算、能量衡算、设备选型、车间布置设计、三废处理、劳动保护及安全生产等,同时绘制带控制点的工艺流程图、车间布置图、提取罐装配图等图纸。本设计严格执行国家建筑规范、防火规范、GMP规范等相关规定。
关键词: 午时茶颗粒;车间;工艺;设计
目录
第一章 绪论 1
1.1 设计背景及意义 1
1.1.1 设计背景 1
1.1.2 设计意义 1
1.2 产品概述 1
第二章 工艺设计 3
2.1 前处理车间工艺流程的设计 3
2.1.1 前处理工艺过程流程 3
2.1.2 前处理工艺过程的操作 3
2.2 提取浓缩车间工艺流程的设计 4
2.3 制剂车间工艺流程的设计 4
2.3.1 制剂车间工艺流程图 4
2.3.2 制剂车间工艺过程的操作 5
2.4 生产质量按制要点 7
第三章 物料衡算 8
3.1 物料衡算公式 8
3.2 物料衡算依据 8
3.3 根据处方计算每种原料的理论需求量 8
3.4 每种原料的实际需求量 10
3.4.1 前处理工段 10
3.4.2 提取及浓缩工段 15
3.4.3 制剂工段 16
3.4.4 包装工段 16
第四章 热量衡算 18
4.1 热量衡算概述 18
4.2 热量衡算目的 18
4.3 热量衡算依据 18
4.4 热量衡算计算 18
4.4.1 挥发油提取工序 18
4.4.2 煎煮工序 19
4.4.3 浓缩工序 19
4.4.4 干燥工序 19
第五章 设备选型 22
5.1 前处理工段 22
5.2 提取浓缩工段 24
5.3 制剂工段 25
5.4 设备一览表 28
第六章 车间布置设计 29
6.1 车间布置设计的重要性和意义 29
6.2 布置依据 29
6.3 布置内容 29
6.4 布置说明 30
6.4.1 人流通道说明 30
6.4.2 物流通道说明 30
6.4.3 设备布置说明 30
第七章 环境保护 32
7.1 参照标准 32
7.2 设计说明 32
第八章 安全生产及劳动保护 33
8.1 防火要求 33
8.2 技术安全 33
8.3 劳动安全 34
8.4 劳动保护 34
参考文献 35
附录 36
制剂车间平面布置图 36
制剂车间送风图 37
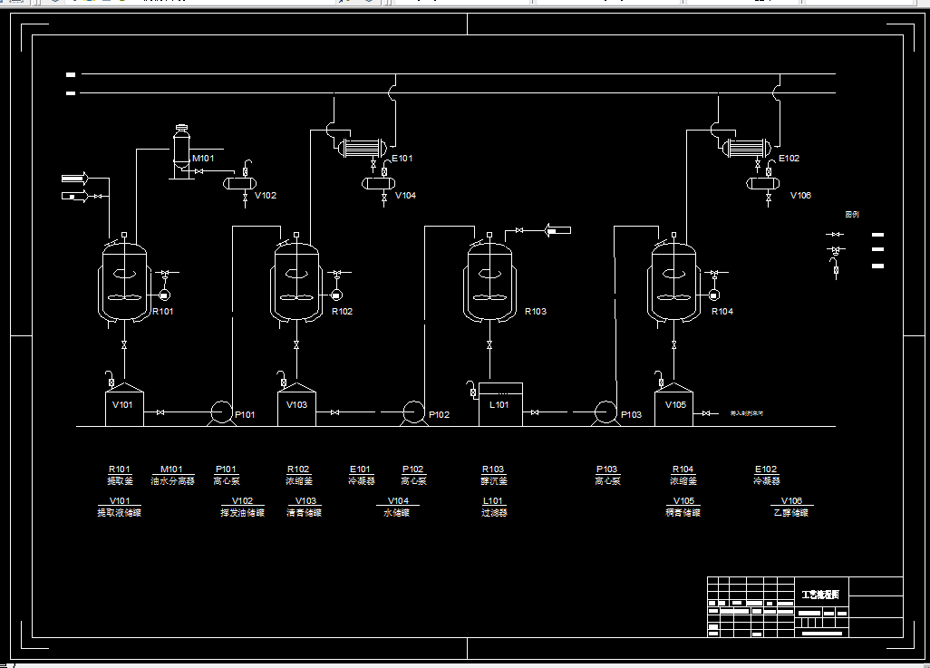
提取车间工艺流图 38
设备流程图 39
致谢 40
温馨提示:
1、题目前面的备注【字母数字编号】为本站整理分类的编号,与课题内容无关,请选题时忽视;
2、若题目上备注三维,则表示文件里包含三维源文件,由于三维组成零件数量较多,为保证预览截图的简洁性,本站将三维文件夹进行了打包。三维及CAD预览截图,均为本站电脑打开软件进行截图的,保证能够打开,下载原件超高清,下载后解压即可;
3、本站所有资源如无特殊说明,都需要本地电脑安装Office2007。图纸软件为AutoCAD,PROE,UG,SolidWorks,CATIA等;
4、本站所有图文资料仅供用户学习参考,不作为任何商用或其他用途;
5、本站不保证下载资源的准确性、安全性和完整性, 不包修改,不支持退换,同时也不承担用户因使用这些下载资源对自己和他人造成任何形式的伤害或损失;
6、 下载文件中如有侵权或不适当内容,请与我们联系,我们立即纠正。