

作品包括:
word版设计说明书一份,44页,约12000字
外文文献翻译一份
CAD版本图纸,共4张
工序卡一套

目 录
摘要: 1
前 言 3
绪 言 4
1 毕业设计的目的 4
2 毕业设计的基本任务与要求 4
2.1 设计基本任务 4
2.2 设计要求 4
3 毕业设计说明书的编写 5
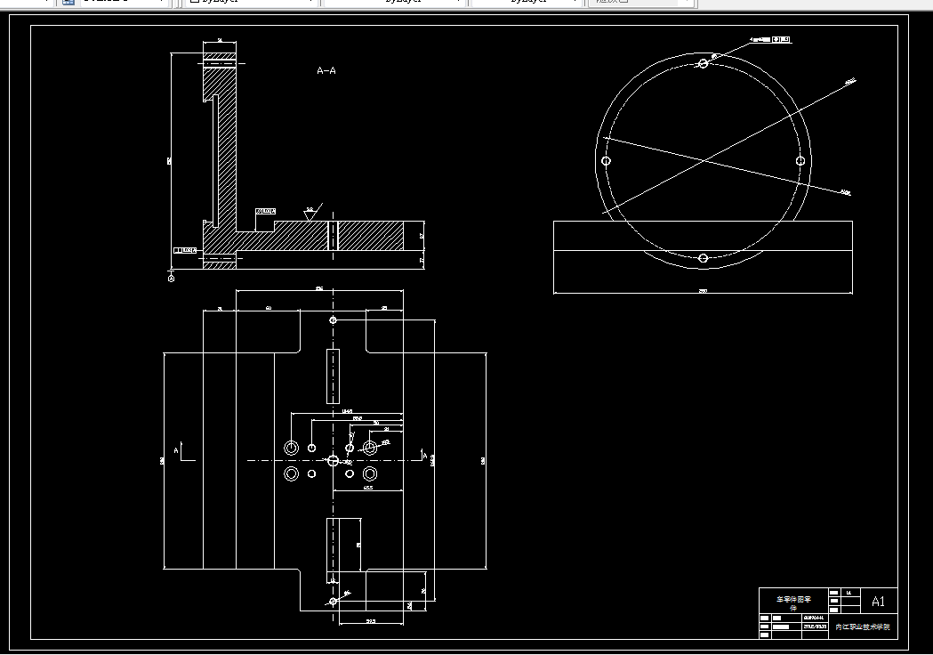
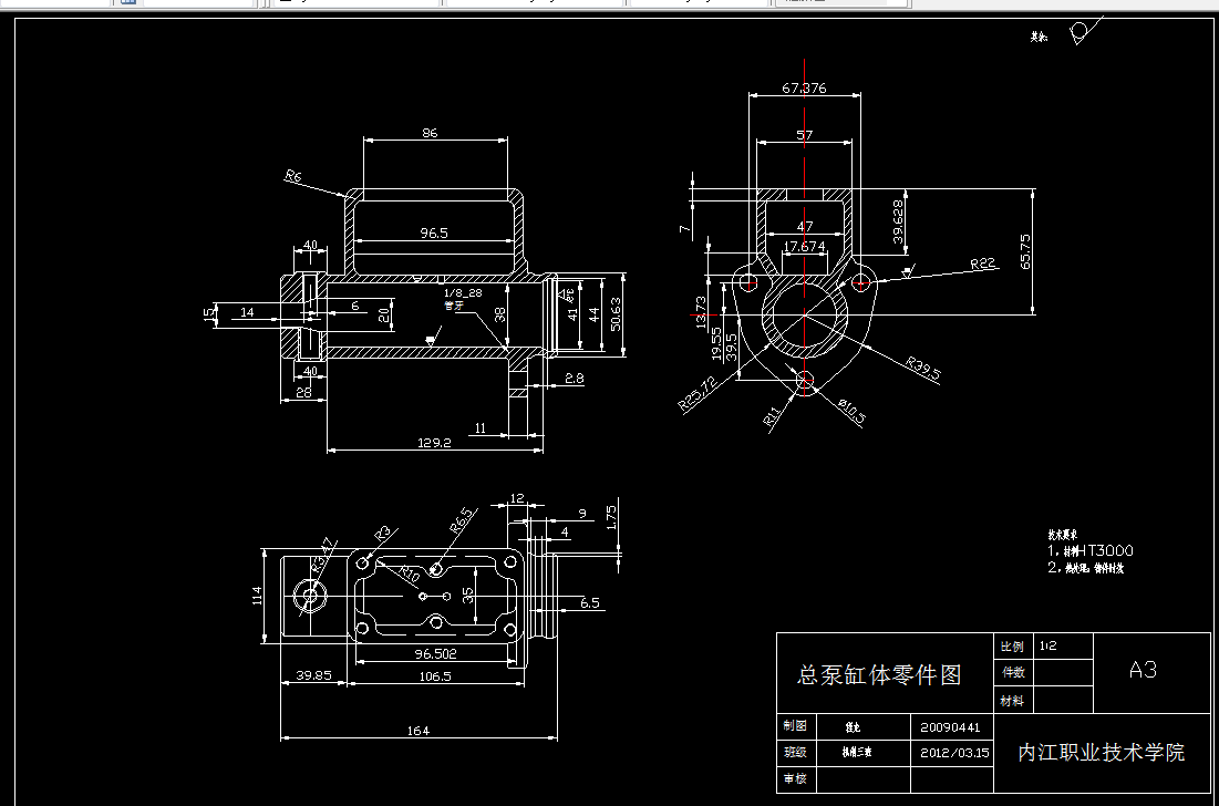
总泵缸体工艺设计与工装设计 5
1. 总泵缸体的毛坯和工艺分析: 5
2. 分析总泵缸体零件图: 6
3. 缸体的材料、毛坯及热处理: 6
3.1 毛坯的材料热处理 7
3.2 总泵缸体加工定位基准的选择 8
4. 总泵缸的加工工艺过程 9
4.1 机械加工余量、工序尺寸及毛坯尺寸的确定 10
4.2 定切削用量及基本工时 11
4.3 时间定额计算及生产安排 29
4.4夹具设计 34
4.5 夹具配重设计 34
4.6 夹紧装置的设计 34
4.7 夹具精度分析与计算 35
4.8 结束语: 38
结 论 38
参考文献项目 39
温馨提示:
1、题目前面的备注【字母数字编号】为本站整理分类的编号,与课题内容无关,请选题时忽视;
2、若题目上备注三维,则表示文件里包含三维源文件,由于三维组成零件数量较多,为保证预览截图的简洁性,本站将三维文件夹进行了打包。三维及CAD预览截图,均为本站电脑打开软件进行截图的,保证能够打开,下载原件超高清,下载后解压即可;
3、本站所有资源如无特殊说明,都需要本地电脑安装Office2007。图纸软件为AutoCAD,PROE,UG,SolidWorks,CATIA等;
4、本站所有图文资料仅供用户学习参考,不作为任何商用或其他用途;
5、本站不保证下载资源的准确性、安全性和完整性, 不包修改,不支持退换,同时也不承担用户因使用这些下载资源对自己和他人造成任何形式的伤害或损失;
6、 下载文件中如有侵权或不适当内容,请与我们联系,我们立即纠正。