欢迎来到龙图网在线图文分享平台-CAD图纸,设计说明书,工业设计3D模型,三维软件下载!   客服QQ:2363701252
热搜:

工艺夹具 模具设计 数控编程 土木工程 3D模型

N957-农田清石捡石机设计【含SW三维图】 下载积分:150 资料编号: N957

1.打开支付宝或者微信扫描二维码。
2.填写金额:150 
3.添加备注,填写资料编号:
资料编号: N957
4.支付成功后,请发资料编号到邮箱:jxsj168@qq.com
会有专人在15分钟内把资料发到您邮箱
备注:如果付款忘记填写资料编号,则发邮件时附带您的交易明细截图即可。
请耐心等待,如超过30分钟还没收到,请联系客服QQ:2363701252
点击分享:

作品描述

作品包括:

Word版说明书1份,共58页,约20000字

二维工程图版本图纸,共11张

SW三维图一套

全套.png

摘    要

本次设计的是一款荒地清石机,其主要目的是为解决荒地、农田土壤中石块不利于农作物的生长发育及人工捡石劳动强度大等问题。该清石机的主要结构包括机架、减速器、入土装置、拨石装置、分离运输装置、集石箱等,机架实现将清石机各执行机构连接在一起的功能;减速器实现传递清石机各执行机构所需动力的功能;入土装置实现挖掘和碎土的功能;拨石装置实现碎土和拨送石块的功能;分离运输装置实现土壤分离和石块运输的功能;集石箱实现将分离的石块进行储存并处理的功能。具体设计工作主要有:(1)通过调研了解清石机机械结构和机器工作坏境及农艺要求等;(2)采用黑箱法对该机进行功能原理分析,确定本次设计的清石机应具备的功能;(3)通过计算确定各执行部件所需的动力,然后选择合适的拖拉机,并完成整机动力传动方案设计;(4)针对各执行部件三维建模设计,包括入土装置、拨石装置、分离运输装置、机架等;(5)在三维模型的基础上,绘制本次设计的整机结构工程图和各零部件工程图;(6)撰写计算说明书。

关键词:清石机、入土铲、拨石轮、分离运输、抖动轮、集石箱。

目  录

1. 绪论 1

1.1 研究背景及意义 1

1.2 国内外研究现状 1

1.3 课题任务 5

2.功能原理方案设计 6

2.1黑箱法功能分析 6

2.2机具结构特点 6

2.3工作原理 7

2.4主要性能参数 8

3.动力选择及传动方案设计 8

3.1动力选择 8

3.2传动方案设计 11

3.3减速器设计 11

3.3.1传动比确定 11

3.3.2锥齿轮设计计算 11

3.3.3轴的设计及校核 17

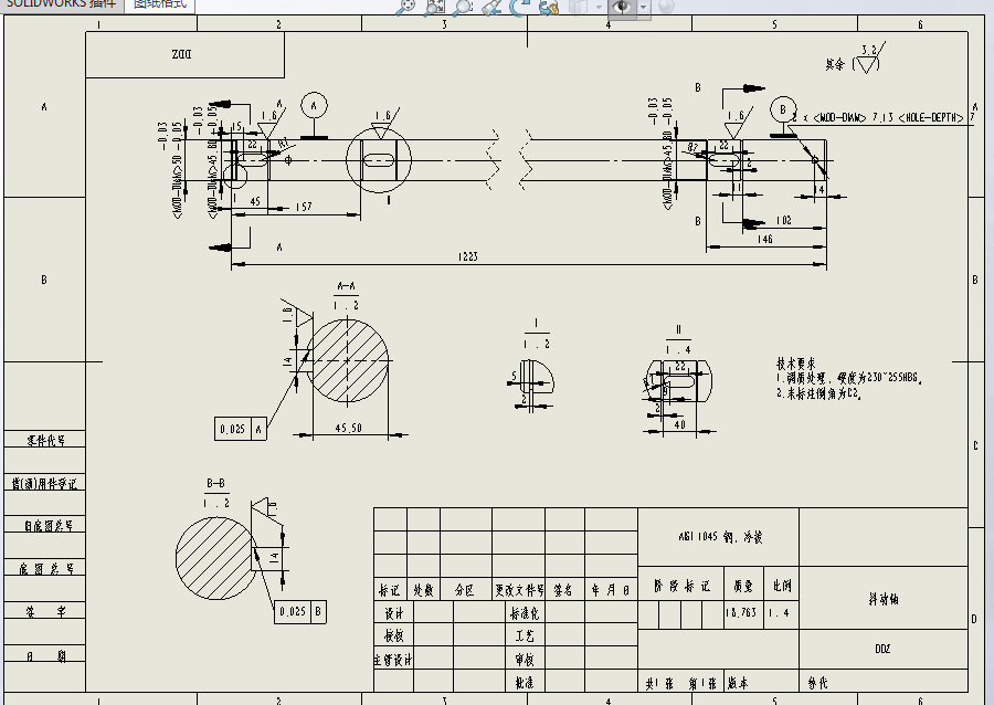
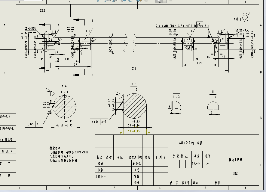
4.主要执行机构设计 22

4.1入土装置的设计 22

4.1.1入土铲设计依据 22

4.1.2入土装置设计要求 22

4.1.3入土装置参数确定 23

4.2拨石装置的设计 28

4.2.1拨石装置设计要求 28

4.2.2拨石装置设计原理 28

4.2.3拨石装置参数确定 30

4.2.4拨石装置的链传动设计计算 32

4.3分离运输装置的设计 36

4.3.1分离运输装置设计原理 36

4.3.2分离运输装置设计要求 37

4.3.3分离运输装置参数确定 37

4.3.4同步带及带轮设计 38

4.3.5 分离运输装置链传动设计计算 40

4.3.6分离运输装置主动轴设计 43

4.4抖动装置的设计 44

4.4.1抖动轮设计原理及要求 44

4.4.2抖动轮参数确定 45

4.4.3抖动装置的链传动设计计算 47

4.5 三点悬挂装置的设计 49

4.6集石装置的设计 50

4.7机架的设计 51

5.总结与体会 52

参考文献 53

致谢 54

温馨提示:

1、题目前面的备注【字母数字编号】为本站整理分类的编号,与课题内容无关,请选题时忽视;

2、若题目上备注三维,则表示文件里包含三维源文件,由于三维组成零件数量较多,为保证预览截图的简洁性,本站将三维文件夹进行了打包。三维及CAD预览截图,均为本站电脑打开软件进行截图的,保证能够打开,下载原件超高清,下载后解压即可;

3、本站所有资源如无特殊说明,都需要本地电脑安装Office2007。图纸软件为AutoCAD,PROE,UG,SolidWorks,CATIA等;

4、本站所有图文资料仅供用户学习参考,不作为任何商用或其他用途;
5、本站不保证下载资源的准确性、安全性和完整性, 不包修改,不支持退换,同时也不承担用户因使用这些下载资源对自己和他人造成任何形式的伤害或损失;

6、 下载文件中如有侵权或不适当内容,请与我们联系,我们立即纠正。


线