欢迎来到龙图网在线图文分享平台-CAD图纸,设计说明书,工业设计3D模型,三维软件下载!   客服QQ:2363701252
热搜:

工艺夹具 模具设计 数控编程 土木工程 3D模型

Q611-杰德轿车驱动桥设计【含Catia三维图】 下载积分:100 资料编号: Q611

1.打开支付宝或者微信扫描二维码。
2.填写金额:100 
3.添加备注,填写资料编号:
资料编号: Q611
4.支付成功后,请发资料编号到邮箱:jxsj168@qq.com
会有专人在15分钟内把资料发到您邮箱
备注:如果付款忘记填写资料编号,则发邮件时附带您的交易明细截图即可。
请耐心等待,如超过30分钟还没收到,请联系客服QQ:2363701252
点击分享:

作品描述

作品包括:

Word版说明书1份,共39页,约11000字

任务书一份

开题报告一份

外文翻译一份

CAD版本图纸,共10张

Catia三维图一份

@5EOLU$TNAYHF2869~{GH{X.png

摘要

驱动桥当车辆在行驶时不仅要承载它的 ,还要负担从地面传递而来的铅锤力等,这些力一般通过车轮以及悬架等结构到桥身。而且驱动桥不同于普通车桥的地方便在于它的所处位置是直接与动力输出所关联,所以它需要为其传递转矩,这是传动系中的最大转矩。

本文通过对以往的驱动桥设计资料进行观阅和反思后,结合自己的杰德轿车的相关参数进行了比较合理的参数和结构设计,我在查阅资料的过程中反复思考杰德轿车的前桥的运作机理,并且平时对街头的车样进行查看,在学习实车的驱动桥布置以及架构的同时,思考我单独进行驱动桥的设计时。是否能够遵循设计的要求流程,是否能够完成它该有的功能,并在完成功能的同时考虑到零件的三化。这其中的关键便在于主减速器以及差速器的设计与搭配之上,作为驱动桥的灵魂部件,这两个结构的参数决定了整个驱动桥的尺寸和位置。因而在这两个结构的参数计算过程中,我严格查阅相关资料和参考导师的意见,进行多次修改来完成它的结构设计,并对它进行参数化建模。并且在这两个结构的基础上对其他组合部件进行设计以及建模,最后得到一个完整的驱动桥的模型,后续的CAD图也严格依照实际的三维建模而来。

关键词:汽车 承载驱动桥 主减速器 差速器 

目录

第1章 绪论 1

1.1 概述 1

1.2驱动桥研究现状 1

1.3驱动桥设计要求 1

1.4 驱动桥计算准备 2

第2章  主减速器的设计 4

2.1 驱动桥结构分析 4

2.2 主减速器的结构和功用 4

2.3 主减速器的类型 5

2.4 主减速器齿轮支承形式 5

2.5 主减速器参数设计 5

2.5.1 主减速比 计算 5

2.5.2 主减速器齿轮载荷计算 6

2.6 主减速器齿轮 8

2.6.1 主、从动齿轮简介 8

2.6.2 斜齿轮设计计算 9

2.6.3 主减速器齿轮参数表 12

2.7 主减速器设计小结 13

第3章  差速器设计 14

3.1差速器结构形式选择 14

3.2差速器齿轮设计 14

3.2.1 差速器齿轮参数 15

3.2.2 差速器齿轮校核 17

3.2.3 汽车差速器齿轮的参数表 20

3.3 轴承选择与校核 20

3.4 差速器设计小结 23

第4章  驱动车轮的传动装置设计 24

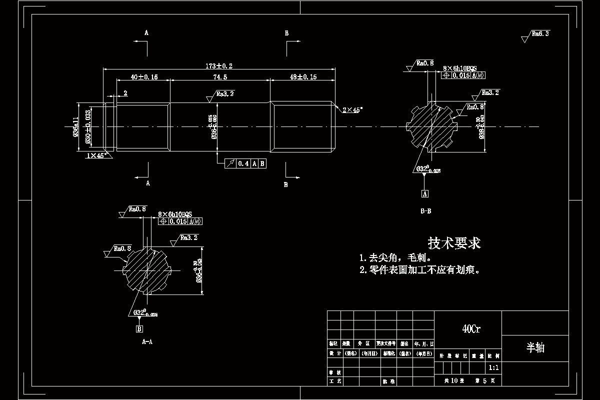
4.1 半轴的型式 24

4.2 半轴设计 24

4.3 半轴校核 25

4.3.1 校核工况 25

4.3.2 半浮式半轴计算载荷的确定: 25

4.4 半轴材料 29

4.5半轴设计小结 29

第5章  万向节及桥壳设计 31

5.1 万向节结构选择 31

5.2 万向节的材料及热处理 31

5.3 桥壳的简介 32

5.4 驱动桥壳的设计 32

5.5 万向节与桥壳设计小结 32

结论 34

致谢 36

参考文献 37

温馨提示:

1、题目前面的备注【字母数字编号】为本站整理分类的编号,与课题内容无关,请选题时忽视;

2、若题目上备注三维,则表示文件里包含三维源文件,由于三维组成零件数量较多,为保证预览截图的简洁性,本站将三维文件夹进行了打包。三维及CAD预览截图,均为本站电脑打开软件进行截图的,保证能够打开,下载原件超高清,下载后解压即可;

3、本站所有资源如无特殊说明,都需要本地电脑安装Office2007。图纸软件为AutoCAD,PROE,UG,SolidWorks,CATIA等;

4、本站所有图文资料仅供用户学习参考,不作为任何商用或其他用途;
5、本站不保证下载资源的准确性、安全性和完整性, 不包修改,不支持退换,同时也不承担用户因使用这些下载资源对自己和他人造成任何形式的伤害或损失;

6、 下载文件中如有侵权或不适当内容,请与我们联系,我们立即纠正。


线