欢迎来到龙图网在线图文分享平台-CAD图纸,设计说明书,工业设计3D模型,三维软件下载!   客服QQ:2363701252
热搜:

工艺夹具 模具设计 数控编程 土木工程 3D模型

JJ3629-140吨悬挂提升机及传感器的设计 下载积分:50 资料编号: JJ3629

1.打开支付宝或者微信扫描二维码。
2.填写金额:50 
3.添加备注,填写资料编号:
资料编号: JJ3629
4.支付成功后,请发资料编号到邮箱:jxsj168@qq.com
会有专人在15分钟内把资料发到您邮箱
备注:如果付款忘记填写资料编号,则发邮件时附带您的交易明细截图即可。
请耐心等待,如超过30分钟还没收到,请联系客服QQ:2363701252
点击分享:

作品描述

作品包括:

Word版说明书1份,共49页

CAD版本图纸,共16张

image.png

image.png

摘要

提升机是广泛应用于工矿企业的重要设备,它利用6根钢丝绳携带2个箕斗上下往复运动进行工作。在我国某些煤质含水较多的矿井,箕斗尚不能做到完全的卸载,箕斗由于煤的粘附而不能卸载干净。这一方面降低了运输效率,另一方面又会导致下次装载时又严重超载。矿井提升机的实际生产现场,往往由于人为操作或者卸不净或者是重复装载或者其它的某种原因造成箕斗超载,无论何种原因导致箕斗超载,都是提升机安全的严重威胁。本次设计正是基于此而进行的。

它可用于各种类型的矿井提升机。使用这种装置可以有效防止提升机在运输过程中箕斗的严重超载和卸载不完全,消除了提升机事故的直接隐患,从而大大提高了提升机的可靠性,减少事故,防止人员伤亡,并且大大提高提升机的运输效率。

关键词:重要设备运输效率严重威胁直接隐患应用环境

目录II

摘要III

ABSTRACT 1

第一章绪论1

1.1本文主要内容1

第2章总体方案设计2

2.1总体方案设计2

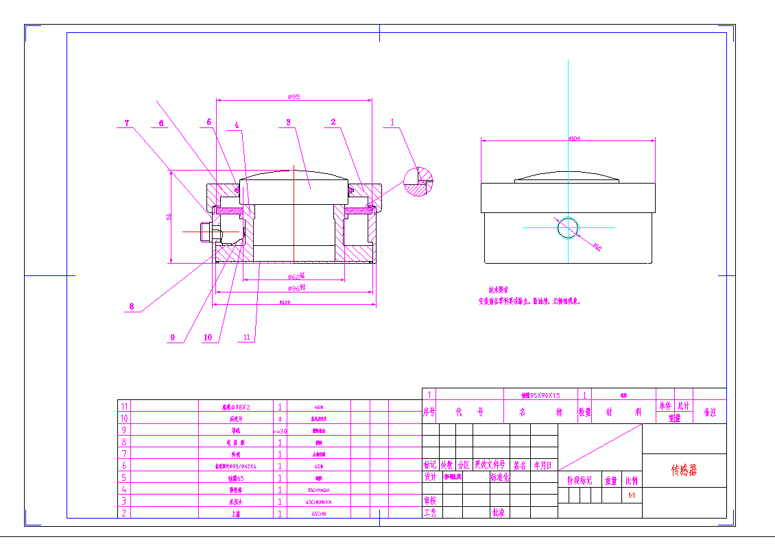
第三章传感器设计3

3.1传感器设计3

第四章传感器安装设计11

4.1设计方案11

4.2油缸设计11

4.3板件设计17

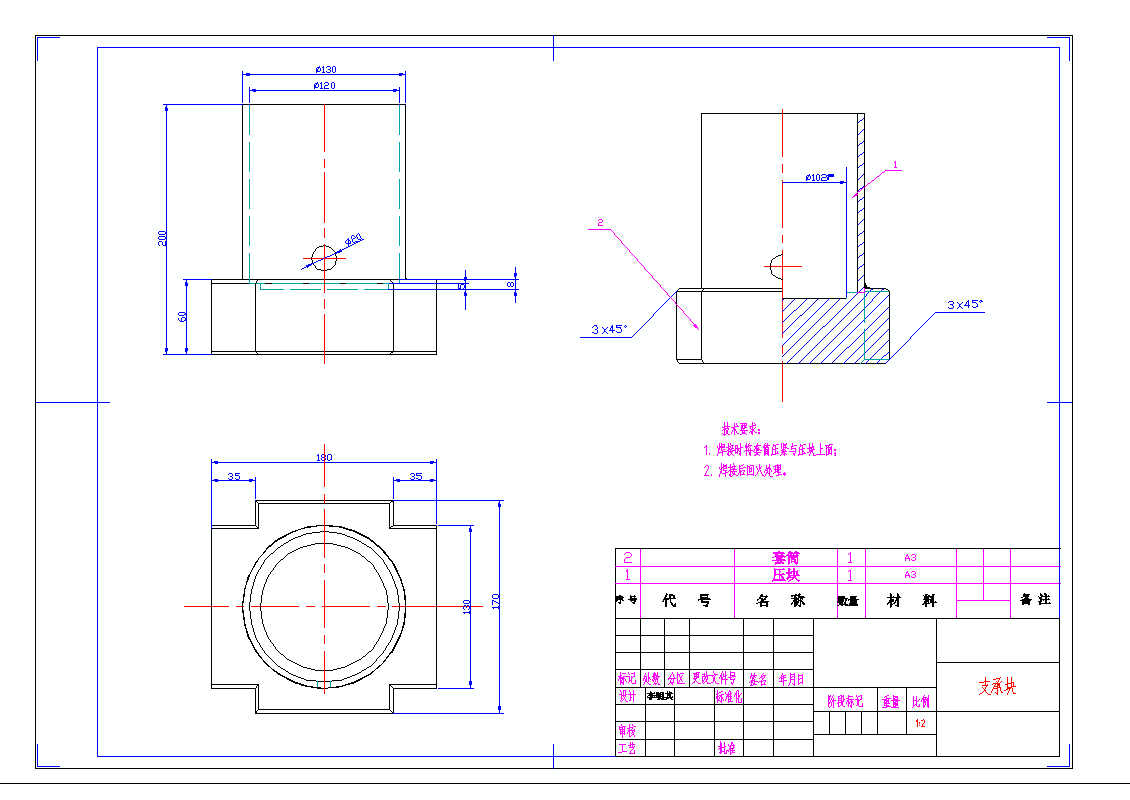
4.4支承块设计23

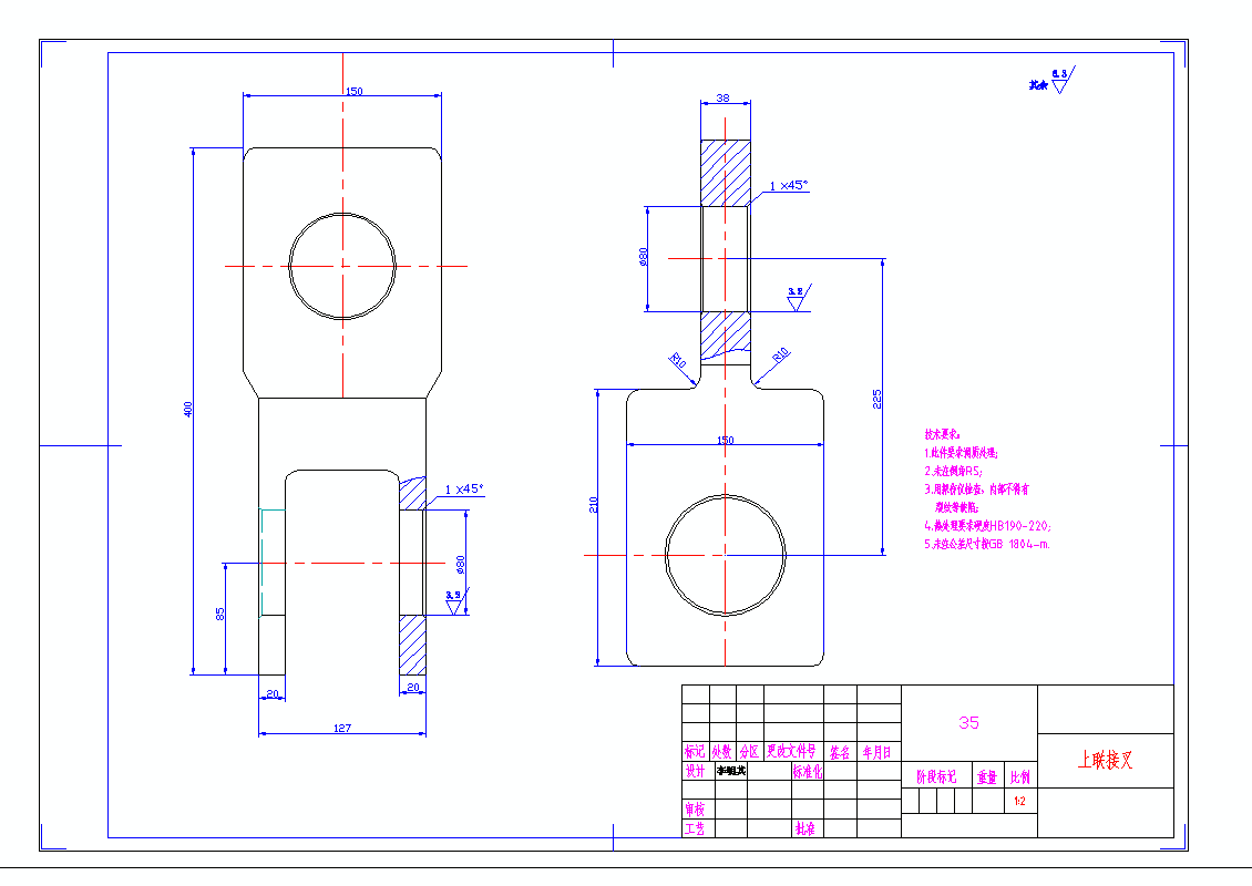
4.5叉件设计26

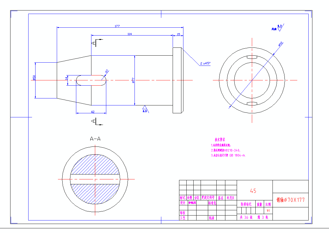
4.6销轴设计28

4.7调整垫块40

结束语41

致谢42

43

温馨提示:

1、题目前面的备注【字母数字编号】为本站整理分类的编号,与课题内容无关,请选题时忽视;

2、若题目上备注三维,则表示文件里包含三维源文件,由于三维组成零件数量较多,为保证预览截图的简洁性,本站将三维文件夹进行了打包。三维及CAD预览截图,均为本站电脑打开软件进行截图的,保证能够打开,下载原件超高清,下载后解压即可;

3、本站所有资源如无特殊说明,都需要本地电脑安装Office2007。图纸软件为AutoCAD,PROE,UG,SolidWorks,CATIA等;

4、本站所有图文资料仅供用户学习参考,不作为任何商用或其他用途;
5、本站不保证下载资源的准确性、安全性和完整性, 不包修改,不支持退换,同时也不承担用户因使用这些下载资源对自己和他人造成任何形式的伤害或损失;

6、 下载文件中如有侵权或不适当内容,请与我们联系,我们立即纠正。


线