

作品包括:
Word版说明书1份,共30页,约10000字
任务书一份
工序卡1份
工艺过程卡1张
CAD版本图纸,共1张
UG三维图一张
仿真动画视频一份

摘要
本次设计包括四章,第一章介绍了数控加工技术国内外发展现状;第二章介绍了零件,第三章介绍包括毛坯分析、机床的选择、加工顺序的确定、刀具的选择等;第四章基于UG的NC编程加工。我希望能通过这次设计对自己未来将从事的工作进行一次适应性训练,从中锻炼自己分析问题、解决问题的能力。由于个人能力所限,设计尚有许多不足之处,恳请老师给予指导。
关键词:数控编程;工艺分析;数控加工;
目录
摘要I
Abstract II
第一章绪论1
1.1数控加工技术国内外发展现状1
1.1.1我国数控技术发展现状1
1.1.2与国外的差距1
1.2数控加工技术国内外现状2
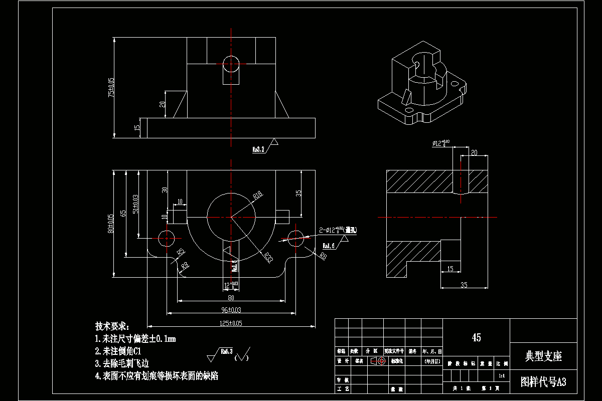
第二章零件图分析4
2.1零件图4
2.2零件的结构特点分析4
2.3零件的技术要求分析4
2.4零件的尺寸精度分析4
2.5零件的粗糙度分析5
第三章零件的数控加工工艺6
3.1毛坯的选择6
3.1.1确定毛坯的类型6
3.1.2确定尺寸的确定7
3.2定位基准及工艺路线的选择7
3.3.1定位基准的选择7
3.3.2工艺路线的安排8
3.3夹具的选择9
3.4刀具的选择9
3.5切削液选择10
3.6机床的选择11
3.7量具的使用表11
3.8切削用量的选择12
3.9填写数控加工工艺过程卡15
3.10填写数控加工工序卡15
第四章零件的数控程序编制16
4.1编程方法的选择16
4.2软件编程操作16
4.2.1进入加工模块16
4.2.2创建几何体16
4.2.3设置几何体17
4.2.4设置刀具18
4.2.5面铣削加工操作19
4.2.6型腔铣加工操作20
4.2.7钻孔加工操作21
4.2.8其余表面加工刀路图23
4.3加工仿真25
4.4后处理26
总结27
致谢28
参考文献29
温馨提示:
1、题目前面的备注【字母数字编号】为本站整理分类的编号,与课题内容无关,请选题时忽视;
2、若题目上备注三维,则表示文件里包含三维源文件,由于三维组成零件数量较多,为保证预览截图的简洁性,本站将三维文件夹进行了打包。三维及CAD预览截图,均为本站电脑打开软件进行截图的,保证能够打开,下载原件超高清,下载后解压即可;
3、本站所有资源如无特殊说明,都需要本地电脑安装Office2007。图纸软件为AutoCAD,PROE,UG,SolidWorks,CATIA等;
4、本站所有图文资料仅供用户学习参考,不作为任何商用或其他用途;
5、本站不保证下载资源的准确性、安全性和完整性, 不包修改,不支持退换,同时也不承担用户因使用这些下载资源对自己和他人造成任何形式的伤害或损失;
6、 下载文件中如有侵权或不适当内容,请与我们联系,我们立即纠正。