

作品包括:
Word版说明书1份,共32页,约10000字
工序卡1份
工艺过程卡1张
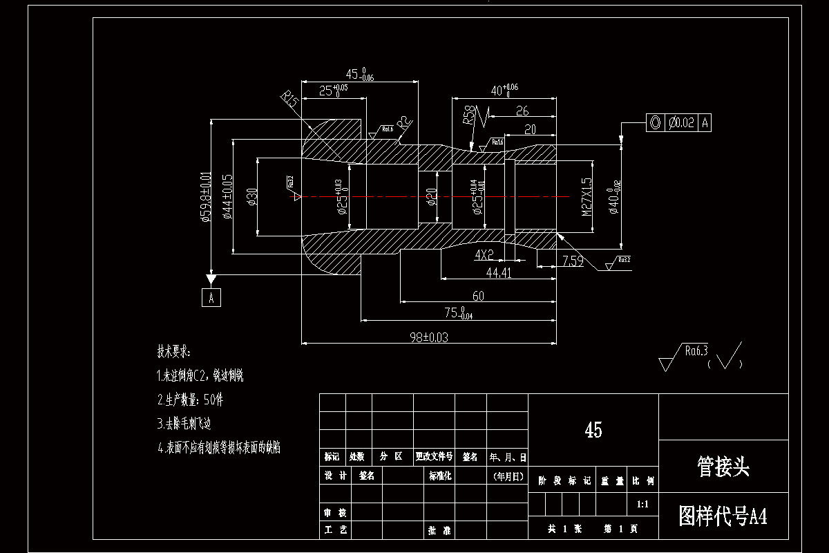
CAD版本图纸,共1张
UG三维图一张

摘要
我国经济在快速地发展,也不断地提高了对机械设备的要求,随着科学技术和计算机技术不断地提升,数控技术也在不断地进步和完善。针对于机械制造而言,都要依靠数控技术有效地实现集成化和自动化以及柔性化,在制造业中广泛地应用数控技术,致使自动化生产效果有效地实现,企业竞争力得以提高。
本设计通过对数控加工的工艺特点、加工零件工艺性等进行分析,选择正确的加工方法,设计合理的加工工艺过程,充分发挥数控加工的优质、高效、低成本的特点。根据被加工工件的材料、轮廓形状、加工精度等选用合适的机床,制定加工方案,确定零件的加工顺序,各工序所用刀具,夹具和切削用量等,编写加工零件的程序。
关键词:数控技术;加工工艺;切削用量;数控程序
目录
摘要1
Abstract 2
第一章绪论3
1.1数控技术原理3
1.2数控加工技术发展现状3
1.3我国数控技术发展趋势4
1.4设计的目的及意义4
第二章零件的工艺分析5
2.1零件的结构分析5
2.2零件的加工精度分析6
2.3零件的作用6
2.4零件的材料分析6
2.5零件加工重点难点分析7
第三章零件的工艺规程设计8
3.1确定毛坯8
3.2表面加工方法的确定8
3.3加工顺序的安排8
3.4定位基准的选择9
3.5零件加工工序方案确定10
3.6确定装夹方式11
3.7选择加工设备机床11
3.8选择刀具13
3.9确定切削用量15
3.9.1背吃刀量的确定15
3.9.2切削参数的确定15
3.10数控加工工艺卡片拟订17
第四章零件的程序编制18
4.1数控编程的定义及常见指令18
4.2对刀及换刀点的设定18
4.3数控加工程序编写19
第五章仿真加工23
5.1加工前的准备23
5.2数控程序的导入25
5.3仿真加工26
总结28
参考文献29
致谢30
温馨提示:
1、题目前面的备注【字母数字编号】为本站整理分类的编号,与课题内容无关,请选题时忽视;
2、若题目上备注三维,则表示文件里包含三维源文件,由于三维组成零件数量较多,为保证预览截图的简洁性,本站将三维文件夹进行了打包。三维及CAD预览截图,均为本站电脑打开软件进行截图的,保证能够打开,下载原件超高清,下载后解压即可;
3、本站所有资源如无特殊说明,都需要本地电脑安装Office2007。图纸软件为AutoCAD,PROE,UG,SolidWorks,CATIA等;
4、本站所有图文资料仅供用户学习参考,不作为任何商用或其他用途;
5、本站不保证下载资源的准确性、安全性和完整性, 不包修改,不支持退换,同时也不承担用户因使用这些下载资源对自己和他人造成任何形式的伤害或损失;
6、 下载文件中如有侵权或不适当内容,请与我们联系,我们立即纠正。