

作品包括:
Word版说明书1份,共57页,约13000字
工序卡1份
工艺过程卡1张
外文翻译一份
CAD版本图纸,共4张
UG三维图一份

摘要
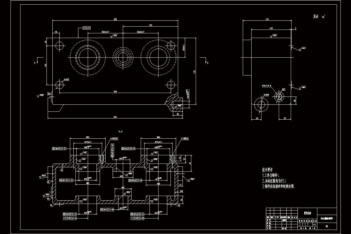
P51G箱体零件数控加工程序设计主要研究的是利用UG NX软件模拟加工中心对P51G箱体零件的数控加工过程,并据此自动编写出数控加工程序,应用于实际加工中心的生产过程中。在此过程,借鉴普通机械加工的加工技术要求等方面的因素,综合制定了零件的加工工艺总体方案,主要应用UG NX软件的三维建模以及加工设定模拟功能,对P51G箱体零件进行必要的建模,设定几何部件和毛坯,在加工模块里对数控加工过程设定合理的符合实际生产的参数,包括主轴转速、进给速度、背吃刀量和刀具补偿等,生成刀轨并进行3D动态模拟,最后经后处理定义生成零件的数控加工程序,进行检查与优化。P51G箱体零件的数控加工程序设计成功能够说明数控系统自动编程的可行性,为现代化机械生产企业提供更加方便快捷的机械加工方式,有助于节约更多的人力物力,并且有效避免了人工编写大量冗杂程序时出现的错误。总之,数控加工技术的应用会作为现代化智能化生产的主力而广泛应于各大加工领域。
关键词:数控加工;UG NX;三维建模;后处理
目录
摘要I
ABSTRACT II
1概述1
1.1数控加工概述1
1.2设计的目的和意义3
1.3题目简述3
2零件毛坯制造方法的确定6
2.1零件毛坯的工艺性分析6
2.2零件毛坯的制造6
3 P51G箱体零件的建模过程8
4 P51G箱体零件的数控加工17
4.1工艺方案分析17
4.2创建工件坐标系22
4.3创建几何体23
4.4创建刀具23
4.5加工过程29
5结论49
参考文献50
附录1:外文翻译51
附录2:外文原文55
致谢59
温馨提示:
1、题目前面的备注【字母数字编号】为本站整理分类的编号,与课题内容无关,请选题时忽视;
2、若题目上备注三维,则表示文件里包含三维源文件,由于三维组成零件数量较多,为保证预览截图的简洁性,本站将三维文件夹进行了打包。三维及CAD预览截图,均为本站电脑打开软件进行截图的,保证能够打开,下载原件超高清,下载后解压即可;
3、本站所有资源如无特殊说明,都需要本地电脑安装Office2007。图纸软件为AutoCAD,PROE,UG,SolidWorks,CATIA等;
4、本站所有图文资料仅供用户学习参考,不作为任何商用或其他用途;
5、本站不保证下载资源的准确性、安全性和完整性, 不包修改,不支持退换,同时也不承担用户因使用这些下载资源对自己和他人造成任何形式的伤害或损失;
6、 下载文件中如有侵权或不适当内容,请与我们联系,我们立即纠正。