

作品包括:
Word版说明书1份,共26页,约10000字
工序卡6张
工艺过程卡1张
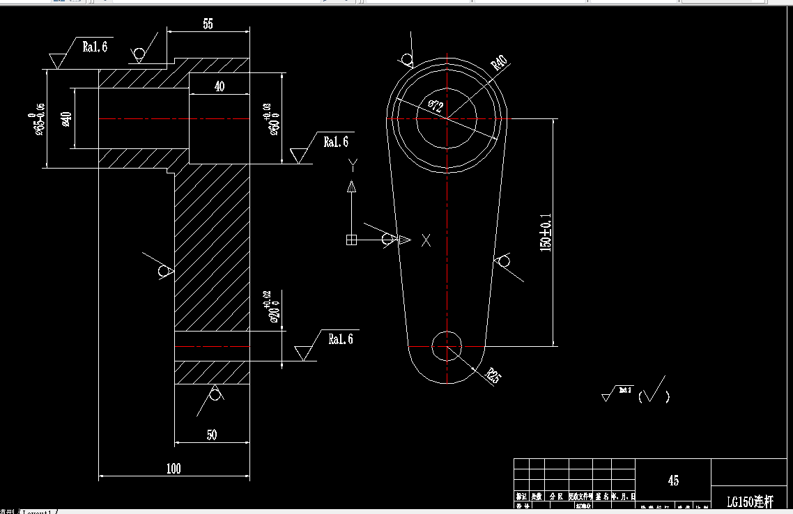
CAD版本图纸,共4张
![1700024246561242.png B$QTB9HTMM]0$9BDF8@W`ME.png](/uploadfiles/20231115/1700024246561242.png)
目 录
目 录 I
第1章 计算生产纲领、确定生产类型 1
1.1生产纲领 1
1.2生产类型 1
第2章 零件的分析 3
2.1 零件的作用分析 3
2.2 零件的工艺分析 4
第3章 机械加工工艺规程设计 5
3.1毛坯设计 5
3.2工艺路线的拟定 6
3.3 加工设备及工艺装备的选择 7
3.4 加工余量的确定 7
3.5时间定额的计算 7
第4章 钻床夹具设计 21
4.1 工件自由度分析 21
4.2定位误差的计算 21
4.3 引导装置 22
4.4夹紧力的确定 23
课程设计的体会与感想 24
参考文献 25
温馨提示:
1、题目前面的备注【字母数字编号】为本站整理分类的编号,与课题内容无关,请选题时忽视;
2、若题目上备注三维,则表示文件里包含三维源文件,由于三维组成零件数量较多,为保证预览截图的简洁性,本站将三维文件夹进行了打包。三维及CAD预览截图,均为本站电脑打开软件进行截图的,保证能够打开,下载原件超高清,下载后解压即可;
3、本站所有资源如无特殊说明,都需要本地电脑安装Office2007。图纸软件为AutoCAD,PROE,UG,SolidWorks,CATIA等;
4、本站所有图文资料仅供用户学习参考,不作为任何商用或其他用途;
5、本站不保证下载资源的准确性、安全性和完整性, 不包修改,不支持退换,同时也不承担用户因使用这些下载资源对自己和他人造成任何形式的伤害或损失;
6、 下载文件中如有侵权或不适当内容,请与我们联系,我们立即纠正。