

作品包括:
Word版说明书1份,共45页,约12000字
工序卡21张
工艺过程卡1张
CAD版本图纸,共4张
SW三维图一套

摘 要
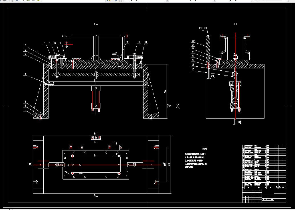
以曲轴箱体为研究对象,发现其在应用中出现的一些问题并且进行改良,使加工所使用的实际时间大大缩短,进而效率大大提高,同时也可以保证精度,使加工过程中出现的一些问题得到很好的解决。首先,对曲轴箱体零件进行了功用、材料、性能、技术要求等方面的分析,制定了加工工艺路线;然后设计了曲轴箱体零件铣下表面所需专用夹具,其中涵盖了对夹紧装置、导向装置及对刀的设计计算,并对夹具进行了工程分析;最后使用SolidWorks软件进行了曲轴箱体零件铣下表面所需专用夹具各零部件的三维造型与装配。通过对零件的分析研究,提高了零件的加工精度与生产效率。
夹具的好坏对最终的产品质量有着最为直接的影响,例如精度,效率,成本等因素。怎样提高机床夹具的质量及性能是设计人员的首要任务,也是如今机械生产行业的最主要的条件之一。为了使被加工工件的技术要求得到满足,就一定要让定位夹紧过程科学合理,这样才能让被加工工件的相对位置得到保证。
关键词:曲轴箱体;SolidWorks;铣下表面夹具
目 录
摘 要 1
关键词: 1
Abstract 2
Key Words: 2
第1章 引 言 3
1.1课题研究背景 3
1.2夹具研究现状 3
1.3夹具的原理及基本组成 3
第2章 零件图工艺分析 4
2.1 零件的应用 4
2.2 确定生产类型 4
2.4 绘制毛坯图 5
第3章 拟定加工工艺路线 8
3.1拟订加工工艺路线 8
3.2工时计算 10
第4章 铣下表面夹具设计 37
4.1 基础资料 37
4.2 确定定位方案 37
4.3基准面的选择 38
4.4 定位误差分析 38
4.5 切削力和夹紧力计算 39
4.6 简要操作说明 41
第5章 总结 42
参考文献 43
致 谢 44
温馨提示:
1、题目前面的备注【字母数字编号】为本站整理分类的编号,与课题内容无关,请选题时忽视;
2、若题目上备注三维,则表示文件里包含三维源文件,由于三维组成零件数量较多,为保证预览截图的简洁性,本站将三维文件夹进行了打包。三维及CAD预览截图,均为本站电脑打开软件进行截图的,保证能够打开,下载原件超高清,下载后解压即可;
3、本站所有资源如无特殊说明,都需要本地电脑安装Office2007。图纸软件为AutoCAD,PROE,UG,SolidWorks,CATIA等;
4、本站所有图文资料仅供用户学习参考,不作为任何商用或其他用途;
5、本站不保证下载资源的准确性、安全性和完整性, 不包修改,不支持退换,同时也不承担用户因使用这些下载资源对自己和他人造成任何形式的伤害或损失;
6、 下载文件中如有侵权或不适当内容,请与我们联系,我们立即纠正。