

作品包括:
Word版说明书1份,共31页,约10000字
工序卡7张
工艺过程卡1张
CAD版本图纸,共7张
SW三维图一套

摘 要
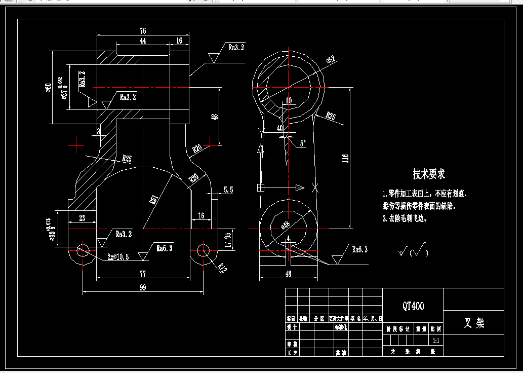
此次毕业设计我分配的题目为:叉架零件机械加工工艺过程及铣断的夹具设计。从叉架的零件图结构可以看出,Φ60端面粗糙度Ra3.2、Φ37H9粗糙度Ra3.2、Ф30H6孔粗糙度Ra3.2,这几处为叉架精度最高的地方。我选择的夹具为叉架钻2×Ф10.5孔夹具。
叉架钻2×Ф10.5孔夹具,钻床有立式和卧式之分,而钻床常用的为立式,故我设计的夹具所应用的机床也为立式钻床Z525,定位位置为Φ60端面、Φ37H9孔和Ф10.5孔端面,定位元件为心轴、浮顶销,夹紧方案为心轴夹紧结构,对刀装置为钻模结构。
关键词:叉架;钻2×Ф10.5孔夹具
目 录
目 录 1
摘 要 1
Abstract 2
第1章 绪论 3
1.1课题的目的及意义 3
1.2国内外发展动态 3
1.3主要研究内容 3
第2章 工艺规程设计 5
2.1 叉架生产类型 5
2.2 零件分析 6
2.3确定毛坯制定形式 6
2.4基准选择 7
2.4.1精基准选择 7
2.4.2粗基准选择 8
2.5工艺规程设计 8
2.5.1表面加工方案选择 8
2.5.2加工阶段划分 9
2.5.3工序的集中与分散 9
2.5.4机械加工顺序的安排 10
2.6工序内容 11
2.6.1加工设备选择 11
2.6.2工序尺寸及公差 12
2.7 制定工艺路线 14
第3章 切削工时计算 15
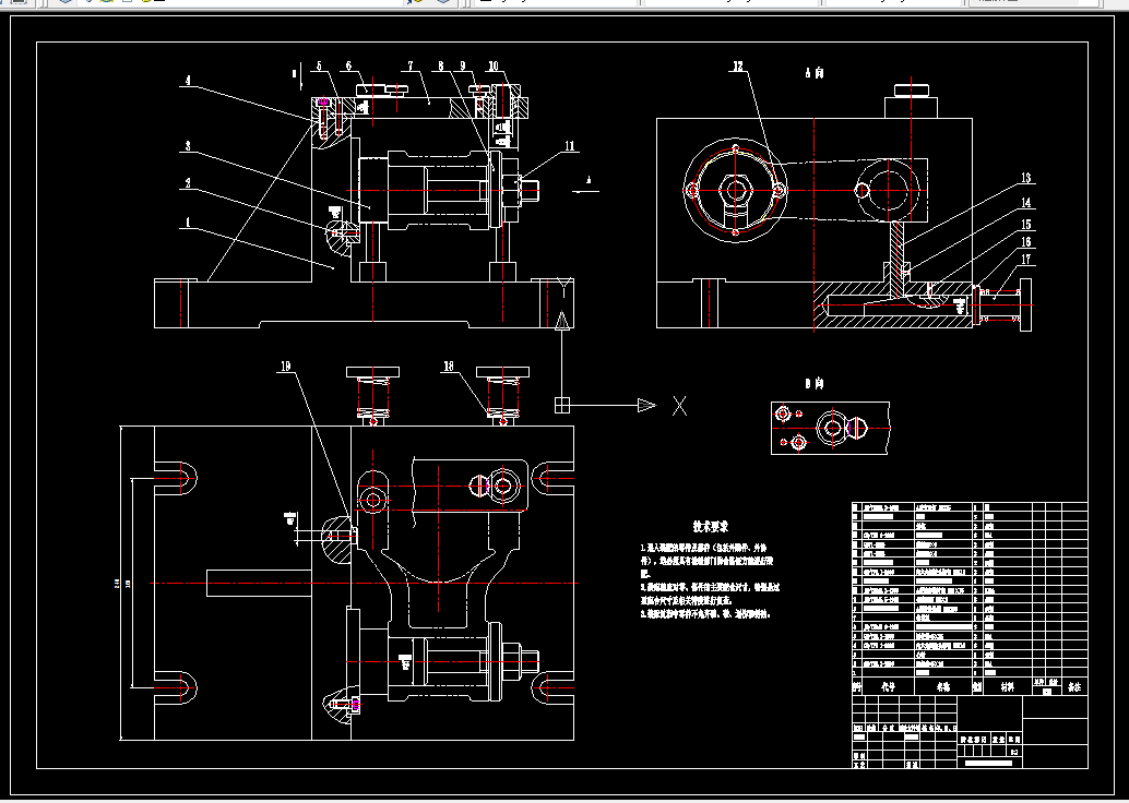
第4章 钻Ф10.5孔夹具 25
4.1设计任务 25
4.2工件的定位方案分析 25
4.3定位误差分析 25
4.4夹紧方案分析 26
4.5夹具体设计及与机床的连接 27
总结与体会 28
致谢 29
参考文献 30
温馨提示:
1、题目前面的备注【字母数字编号】为本站整理分类的编号,与课题内容无关,请选题时忽视;
2、若题目上备注三维,则表示文件里包含三维源文件,由于三维组成零件数量较多,为保证预览截图的简洁性,本站将三维文件夹进行了打包。三维及CAD预览截图,均为本站电脑打开软件进行截图的,保证能够打开,下载原件超高清,下载后解压即可;
3、本站所有资源如无特殊说明,都需要本地电脑安装Office2007。图纸软件为AutoCAD,PROE,UG,SolidWorks,CATIA等;
4、本站所有图文资料仅供用户学习参考,不作为任何商用或其他用途;
5、本站不保证下载资源的准确性、安全性和完整性, 不包修改,不支持退换,同时也不承担用户因使用这些下载资源对自己和他人造成任何形式的伤害或损失;
6、 下载文件中如有侵权或不适当内容,请与我们联系,我们立即纠正。