

作品包括:
Word版说明书1份,共37页,约15000字
工序卡7张
工艺过程卡1张
CAD版本图纸,共2张
Creo三维图1份
SW三维图一份

目 录
摘 要 1
Abstract 2
第一章 引言 1
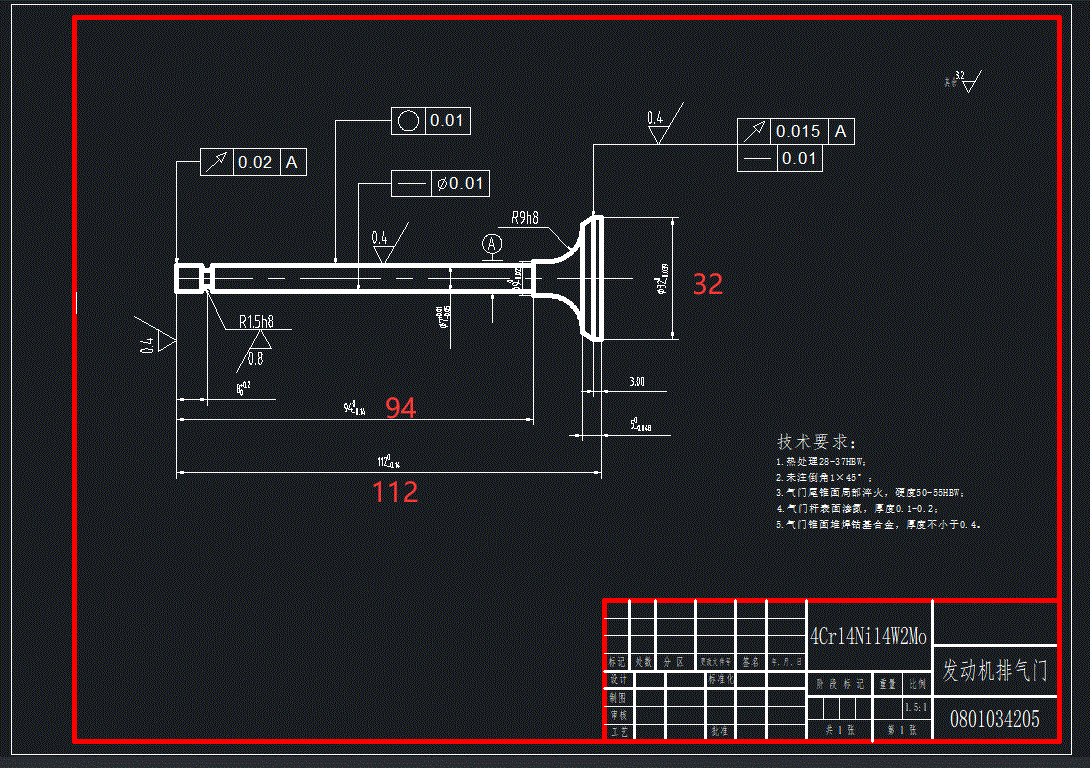
第二章 进气门零件分析 4
2.1零件图 4
2.1.1零件图的完整性与正确性 5
2.2零件材料分析 5
2.2.1毛坯的种类 5
2.2.2确定毛坯考虑因素 6
2.3加工方法的选择 6
2.4工艺设备的选择 7
2.4.1机床的选择 7
2.4.2量具及辅助用具的选择 7
2.5选择夹具 7
2.6刀具的选择 8
第三章 进气门零件加工工艺 10
3.1定位基准的选择 10
3.2工序与工步的划分 10
3.3加工顺序的安排 11
3.4 加工路线的确定 11
3.5 加工工艺过程卡和工序卡 12
第四章 切削用量的计算 15
4.1切削用量的选择 15
4.1.1主轴转速的确定 15
4.1.2进给速度的确定 15
4.1.3背吃刀量的确定 16
4.2切削用量计算 16
第五章 编写数控加工程序 18
总 结 20
参考文献 21
温馨提示:
1、题目前面的备注【字母数字编号】为本站整理分类的编号,与课题内容无关,请选题时忽视;
2、若题目上备注三维,则表示文件里包含三维源文件,由于三维组成零件数量较多,为保证预览截图的简洁性,本站将三维文件夹进行了打包。三维及CAD预览截图,均为本站电脑打开软件进行截图的,保证能够打开,下载原件超高清,下载后解压即可;
3、本站所有资源如无特殊说明,都需要本地电脑安装Office2007。图纸软件为AutoCAD,PROE,UG,SolidWorks,CATIA等;
4、本站所有图文资料仅供用户学习参考,不作为任何商用或其他用途;
5、本站不保证下载资源的准确性、安全性和完整性, 不包修改,不支持退换,同时也不承担用户因使用这些下载资源对自己和他人造成任何形式的伤害或损失;
6、 下载文件中如有侵权或不适当内容,请与我们联系,我们立即纠正。