

作品包括:
Word版设计说明书1份,共41页,约11000字
CAD版本图纸,共17张
UG三维图2套
![1749969957562035.png S(0B9)O]C]W$U7P66)3%K~5.png](/uploadfiles/20250615/1749969957562035.png)
摘 要
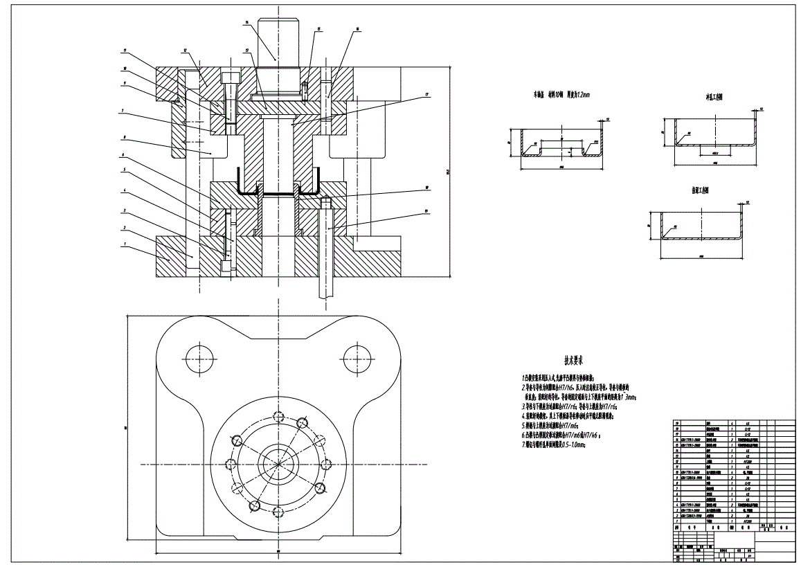
模具设计过程的中,工艺分析尤其中,所以拿到工件之后,首先第一步需要进行工艺分析,通过对产品的详细的分析我们对工件车轴盖的结构和材料以及工序有个基本的了解,然后设计出合适的方案。方案设计完成以后,需要我们对模具的设计进行计算,计算一般包括排样图利用率计算,冲压力的计算,还有模具工作尺寸的计算等。通过分析总结完成本次模具的最终设计,然后通过图纸表达出模具的结构,完成零件图进行加工。
设计中题目是车轴盖冲压模具设计,首先我们需要对车轴盖进行详细的分析,分析一般包含三个方面,分别是材料分析,结构分析和工序分析。该工件车轴盖材料为10钢,属于常用的钣金类材料,冲压性能比较好,结构上总体来说结构基本属于对称,厚度是1.2mm。车轴盖主要有落料、拉伸、冲孔翻孔的工序,可以采用复合摸完成,由于多个工序同时完成,可以保证高的生成效率,同时还能提高工件的质量。
整个设计使我熟悉了车轴盖模具设计的流程,通过这次模具设计,将我们大学所学东西进行了一个系统的加深和应用,为以后的工作和学习打下了坚实的基础。
关键词:车轴盖;复合冲裁模;工艺;模具设计
目 录
1 概述 1
1.1模具工业的发展 1
1.1.1模具技术概述 1
1.1.2模具工业的重要性及其发展 1
1.1.3国内模具工业加工状况 1
1.2冲压成型及模具发展趋势 2
1.2.1冲压成形的概念及其分类 2
1.2.2 冲压成型及模具发展方向 3
1.3 板料拉深成形 3
2 工艺性分析与工艺方案制定 5
2.1零件图 5
2.2 工艺性分析 5
2.2.1 零件形状分析 5
2.2.2 力学性能分析 5
2.2.3 毛坯展开 6
2.2.4 制件工序安排步骤 7
2.3排样设计 9
2.3.1 零件排样设计 9
2.3.2计算落料拉深冲压力 11
2.3.3分析计算冲孔翻孔的冲压力 13
3 落料拉深复合模设计 15
3.1关于模具整体结构的选择 15
3.2凸、凹模工作尺寸计算 15
3.2.1落料凹模、凸模刃口尺寸 15
3.2.2关于拉深凸模凹模工作尺寸的计算 15
3.3模具零件的结构设计 16
3.3.1凹模外形尺寸确定 16
3.3.2凸凹模 18
3.3.3凸模 20
3.3.4卸料板 21
3.3.5 关于模架的设计 21
3.3.6 凸模固定板 23
3.3.7 关于垫板的设计 24
3.3.8 模柄的设计 26
3.4压力机的选取及闭合高度的确定 26
3.5模具装配图和工作原理分析 27
4 冲孔翻孔模具的设计 28
4.1 凸凹模工作尺寸计算 28
4.2 模具的零件的设计 29
4.2.1 关于凹模的设计 29
4.2.2 关于凸模的设计 30
4.2.3 关于固定板 31
4.2.4 卸料板的设计 32
4.3 关于模架的确定 33
4.4 模柄的确定 34
4.5 压力机的选取及闭合高度的确定 34
4.6 模具装配图和工作原理分析 34
结 论 36
参 考 文 献 37
致 谢 38
温馨提示:
1、题目前面的备注【字母数字编号】为本站整理分类的编号,与课题内容无关,请选题时忽视;
2、若题目上备注三维,则表示文件里包含三维源文件,由于三维组成零件数量较多,为保证预览截图的简洁性,本站将三维文件夹进行了打包。三维及CAD预览截图,均为本站电脑打开软件进行截图的,保证能够打开,下载原件超高清,下载后解压即可;
3、本站所有资源如无特殊说明,都需要本地电脑安装Office2007。图纸软件为AutoCAD,PROE,UG,SolidWorks,CATIA等;
4、本站所有图文资料仅供用户学习参考,不作为任何商用或其他用途;
5、本站不保证下载资源的准确性、安全性和完整性, 不包修改,不支持退换,同时也不承担用户因使用这些下载资源对自己和他人造成任何形式的伤害或损失;
6、 下载文件中如有侵权或不适当内容,请与我们联系,我们立即纠正。