

作品包括:
Word版说明书1份,共41页,约11000字
综合工艺卡一套
CAD版本图纸,共8张
UG三维图一套
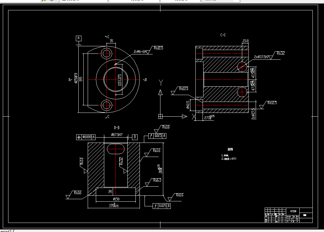
![1716631627336596.png %FGDLKECAEXX5T_JM(KD]UK.png](/uploadfiles/20240525/1716631627336596.png)
摘 要
本次毕业设计主要针对分析尾座的形状构造,完成从毛坯到成品的加工艺方案的设计。通过对所设计方案的比较,选择出一套较为合理的加工工艺方案。对于所设计工艺方案中的某一指定工序还要进行工装夹具设计,并且画出装配图以及绘制出主要零件结构设计图纸。本次毕业设计的重点在于夹具的设计,孔的加工必须要以工件的底面作为基准,这样才能够使加工质量得到保证,因此所设计的加工工艺方案应该采取先面后孔的加工流程,这样才能够保证各处孔的加工精度。根据对各工序的加工工艺的分析,需要设计加工M6螺纹孔的专用夹具设计。在实际的生产过程中,它能有效的降低机械加工的劳动强度、提高劳动生产率、并且获得较高的精度和加工质量。
关键词:尾座,工艺方案,夹具设计。
目 录
摘 要 I
第1章 绪 论 1
1.1 本课题的研究内容和意义 1
1.2 国内外的发展概况 1
1.3本课题应达到的要求 2
第2章 零件分析 1
2.1 零件的作用 1
2.2 零件工艺分析 2
第3章 工艺规程的设计 3
3.1 确定毛坯形式 3
3.2 基准的选择 3
3.2.1粗基准的选择 3
3.2.2精基准的选择 4
3.3工艺路线制订 4
3.4 确定毛坯余量 5
第4章 切削用量 8
第5章 钻床夹具设计 28
5.1 选择定位基准 28
5.2 定位分析 28
5.3定位元件 28
5.4 切削力的计算 29
5.4.1计算钻削力 29
5.4.2 计算夹紧力 29
5.5 分析与计算误差 29
5.6 夹具设计及操作简要说明 30
结 论 31
参考文献 32
致谢 33
温馨提示:
1、题目前面的备注【字母数字编号】为本站整理分类的编号,与课题内容无关,请选题时忽视;
2、若题目上备注三维,则表示文件里包含三维源文件,由于三维组成零件数量较多,为保证预览截图的简洁性,本站将三维文件夹进行了打包。三维及CAD预览截图,均为本站电脑打开软件进行截图的,保证能够打开,下载原件超高清,下载后解压即可;
3、本站所有资源如无特殊说明,都需要本地电脑安装Office2007。图纸软件为AutoCAD,PROE,UG,SolidWorks,CATIA等;
4、本站所有图文资料仅供用户学习参考,不作为任何商用或其他用途;
5、本站不保证下载资源的准确性、安全性和完整性, 不包修改,不支持退换,同时也不承担用户因使用这些下载资源对自己和他人造成任何形式的伤害或损失;
6、 下载文件中如有侵权或不适当内容,请与我们联系,我们立即纠正。