欢迎来到龙图网在线图文分享平台-CAD图纸,设计说明书,工业设计3D模型,三维软件下载!   客服QQ:2363701252
热搜:

工艺夹具 模具设计 数控编程 土木工程 3D模型

Q770-年产5万吨甲乙酮车间仲丁醇合成工段初步设计 下载积分:50 资料编号: Q770

1.打开支付宝或者微信扫描二维码。
2.填写金额:50 
3.添加备注,填写资料编号:
资料编号: Q770
4.支付成功后,请发资料编号到邮箱:jxsj168@qq.com
会有专人在15分钟内把资料发到您邮箱
备注:如果付款忘记填写资料编号,则发邮件时附带您的交易明细截图即可。
请耐心等待,如超过30分钟还没收到,请联系客服QQ:2363701252
点击分享:

作品描述

作品包括:

Word版说明书1份,共50页,约14000字

CAD版本图纸,共3张

DGTW9BT@CV6@`VIJL1V2M1T.png

摘  要

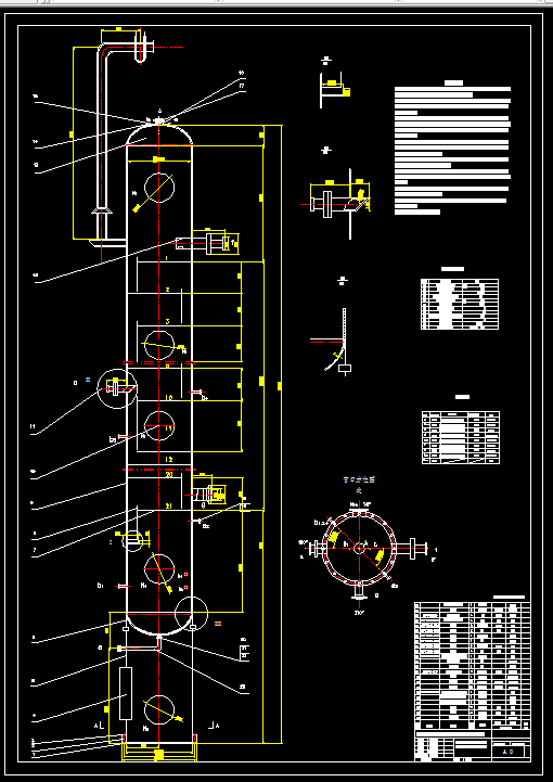
本设计是关于年产5万吨/年甲乙酮车间仲丁醇合成工段初步设计。首先本文详细论述了仲丁醇的性质、用途、国内外研发现状、市场前景以及生产方法和回收方法。本文重点阐述了树脂为催化剂的直接水合法,对其进行优化,并完成了物料衡算和热量衡算后,进行了主要设备和其他设备的计算和选型。依据化工厂车间布置原则和设备布置原则,完成了对设备的平立面布置和关键设备尺寸的确定,并对自动化控制、三废的处理、公用工程的消耗作了说明。最后根据所设计的生产路线和选择的设备绘制了合成工段带控制点的工艺流程图、工段平立面布置图和关键设备图。其中带控制点的工艺流程图是手绘的,平立面布置图和关键设备图是用AutoCAD绘制的,并完成了两万字的设计说明书。

关键词:仲丁醇;合成;初步设计

目  录

摘  要 I

Abstract II

第1章  总 论 1

1.1  概述 1

1.1.1  仲丁醇的意义和作用 1

1.1.2  产品特征 1

1.1.3  国内外得到现状及发展前景 1

1.2  设计依据 2

1.3  厂址的选择 2

1.3.1  厂址选择的要求 2

1.3.2  厂址选定 3

1.4  生产工艺比较 3

1.4.1  硫酸间接水合法 3

1.4.2  杂多酸直接水合法 4

1.4.3  以树脂为催化剂的直接水合法 4

1.4.4  工艺选择 4

1.5  生产制度及设计规模 4

1.5.1  设计规定 4

1.5.2  生产制度 5

1.6  原材料和产物的规格 5

1.7  经济分析 6

第2章  工艺设计及计算 7

2.1  工艺原理 7

2.2  工艺流程简述 7

2.3  物料衡算 7

2.3.1  SBA水合反应器物料衡算 7

2.3.2  脱丁烯塔物料衡算 8

2.4.1  SBA水合反应器的热量衡算 10

2.4.2  换热器的热量衡算 12

2.4.3  脱丁烯塔的热量衡算 15

第3章  Aspen模拟 16

3.1  Aspen 全程模拟 16

3.2  重要设备的模拟 16

3.2.1  SBA水合反应器的模拟 16

3.2.2  脱丁烯塔的模拟 17

第4章  设备的选型 19

4.1  脱碳四塔的计算 19

4.1.1  工艺条件及物性数据 19

4.1.2  工艺计算 20

4.1.3  塔板的流体力学验算 23

4.1.4  塔板负荷性能图 25

4.2  反应器的计算 27

4.2.1  催化剂床层体积VR 27

4.2.2  催化剂床层空隙率ε 27

4.2.3  床层截面积和高度的计算 27

4.3  换热器的选型 28

4.3.1  脱碳四塔冷凝器的选型 28

4.3.2  原料换热器E-101的选型 29

4.3.3  物料换热器E-103的选型 29

4.3.4  换热器E-102的选型 30

4.3.5  脱碳四塔釜再沸器的选型 30

4.3.6  脱碳四塔釜换热器的选型 31

4.4  泵的选型 32

4.5  储罐的选型 33

第5章  设备一览表 35

第6章  车间设备布置设计 36

6.1  车间布置的意义 36

6.2  车间布置方案 36

第7章  自动控制 38

7.1  SBA水合反应器的自动控制 38

7.2  T-101塔的自动控制 38

7.2.1  脱丁烯塔的塔顶控制 38

7.2.2  T-101塔釜温控制 39

第8章  安全与环境保护 40

8.1  安全 40

8.1.1  装置安全生产规定 40

8.1.2  装置停工检修安全规定 40

8.2  环境保护 40

8.2.1  环保制度 40

8.2.2  本工段环境因素识别及控制措施 40

第9章  公用工程 41

9.1  供水 41

9.2  供电 41

9.3  供热 41

结束语 42

参考文献 43

致  谢 45

温馨提示:

1、题目前面的备注【字母数字编号】为本站整理分类的编号,与课题内容无关,请选题时忽视;

2、若题目上备注三维,则表示文件里包含三维源文件,由于三维组成零件数量较多,为保证预览截图的简洁性,本站将三维文件夹进行了打包。三维及CAD预览截图,均为本站电脑打开软件进行截图的,保证能够打开,下载原件超高清,下载后解压即可;

3、本站所有资源如无特殊说明,都需要本地电脑安装Office2007。图纸软件为AutoCAD,PROE,UG,SolidWorks,CATIA等;

4、本站所有图文资料仅供用户学习参考,不作为任何商用或其他用途;
5、本站不保证下载资源的准确性、安全性和完整性, 不包修改,不支持退换,同时也不承担用户因使用这些下载资源对自己和他人造成任何形式的伤害或损失;

6、 下载文件中如有侵权或不适当内容,请与我们联系,我们立即纠正。


线