

作品包括:
Word版说明书1份,共30页,约10000字
工序卡一份
工艺过程卡一份
CAD版本图纸,共15张

摘要
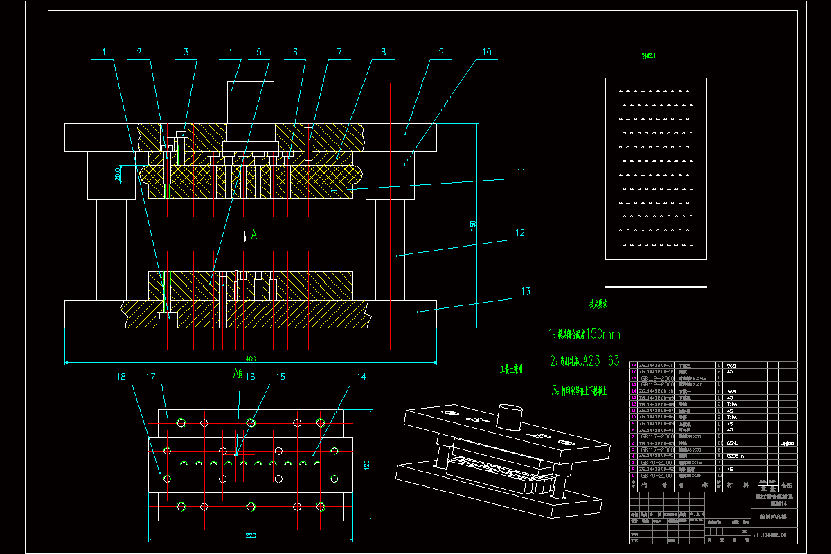
本文是在筛网的图样分析后进行加工工艺路线设计,并且遵循过程设计夹具的要求。
筛网结构相对比较复杂,需要更长的加工路线,更多的加工工时时间,由于精度要求比较高,所以相应的加工成本很高。根据加工的要求,在通常情况下,加工时保证平面的加工精度相对于孔容易保证一些。正是根据这个原因,编制工艺的时候采用先加工面然后再加工孔即通常所谓的“先面后孔”的原理。夹具设计是设计筛网冲孔模及筛网压形模,筛网冲孔模是以R3半圆孔定位,依次冲各排R3半圆孔;筛网压形模是以R3半圆孔定位,依次冲压各排异型孔成形,以提高工效,保证质量。
温馨提示:
1、题目前面的备注【字母数字编号】为本站整理分类的编号,与课题内容无关,请选题时忽视;
2、若题目上备注三维,则表示文件里包含三维源文件,由于三维组成零件数量较多,为保证预览截图的简洁性,本站将三维文件夹进行了打包。三维及CAD预览截图,均为本站电脑打开软件进行截图的,保证能够打开,下载原件超高清,下载后解压即可;
3、本站所有资源如无特殊说明,都需要本地电脑安装Office2007。图纸软件为AutoCAD,PROE,UG,SolidWorks,CATIA等;
4、本站所有图文资料仅供用户学习参考,不作为任何商用或其他用途;
5、本站不保证下载资源的准确性、安全性和完整性, 不包修改,不支持退换,同时也不承担用户因使用这些下载资源对自己和他人造成任何形式的伤害或损失;
6、 下载文件中如有侵权或不适当内容,请与我们联系,我们立即纠正。