

作品包括:
Word版说明书1份,共20页,约8800字
工序卡14张
工艺过程卡1张
CAD版本图纸,共7张
摘要
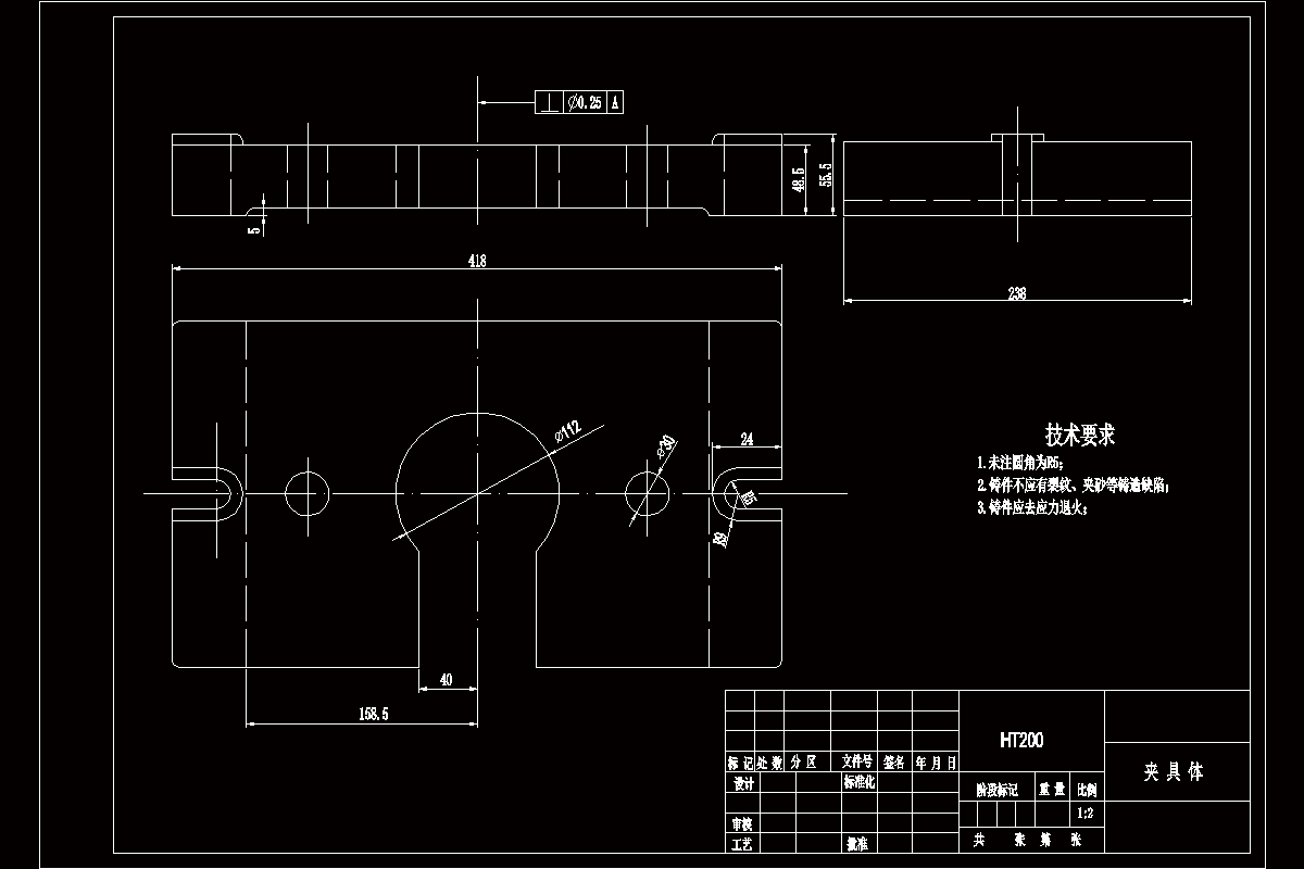
半轴是汽车的轴类中承受扭矩最大的零件,它是差速器和驱动轮之间传递扭矩的实心轴,其内端一般通过花键与半轴齿轮连接,外端与轮毂连接,该零件在机械设备中具有传动性,在进行半轴的工艺和工装设计时,首先对半轴的工艺性进行了详细的分析,设计出了加工的工艺过程,根据加工要求设计专用夹具设计,一付是用来车削半轴的外圆,一付是用来钻削半轴圆盘上均匀分布的小孔,在设计中注意的夹具的经济性和使用性,尽量降低加工时的成本,减少工人的劳动强度,除此还进行了组合量具的设计,用来检查6个均匀分布的小孔的位置度公差。
目录
摘要1
绪论3
1引言7
2零件的分析7
2.1零件的生产纲领及生产类型7
2.2零件的作用7
2.3零件的工艺分析7
3工艺规程制造的形式8
3.1确定毛坯制造的形式8
3.2基准的选择8
3.4制订工艺路线9
3.5机械加工余量及毛坯尺寸的确定9
4选择加工设备13
4.1选择机床13
4.2选择夹具13
4.3选择刀具13
4.4选用量具13
4.4.1选择各外圆加工面的量具14
4.4.2选择加工孔用量具14
5钻孔专用夹具的设计14
5.1问题的提出14
5.2确定定位方案,设计定位元件14
5.3夹紧力计算: 15
5.4绘制夹具总体图16
小结18
致谢20
温馨提示:
1、题目前面的备注【字母数字编号】为本站整理分类的编号,与课题内容无关,请选题时忽视;
2、若题目上备注三维,则表示文件里包含三维源文件,由于三维组成零件数量较多,为保证预览截图的简洁性,本站将三维文件夹进行了打包。三维及CAD预览截图,均为本站电脑打开软件进行截图的,保证能够打开,下载原件超高清,下载后解压即可;
3、本站所有资源如无特殊说明,都需要本地电脑安装Office2007。图纸软件为AutoCAD,PROE,UG,SolidWorks,CATIA等;
4、本站所有图文资料仅供用户学习参考,不作为任何商用或其他用途;
5、本站不保证下载资源的准确性、安全性和完整性, 不包修改,不支持退换,同时也不承担用户因使用这些下载资源对自己和他人造成任何形式的伤害或损失;
6、 下载文件中如有侵权或不适当内容,请与我们联系,我们立即纠正。