

作品包括:
Word版说明书1份,共30页,约10000字
任务书一份
开题报告一份
外文翻译一份
工序卡4张
工艺过程卡1张
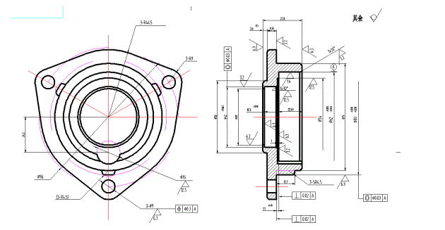
CAD版本图纸,共6张

摘要
在现今的各个机械设备中,轴承座被大家越来越熟知,它的方向总与传动方向相同,在内动外不动的状态下支撑着轴承,同时达到一个平衡稳定状态。
由于此零件通常都是大批量生产,相应的会产生大量的繁琐工序,由此便需要一种专用夹具来减少这些繁琐工序。我们开始逐步涉及在机械制造工艺和夹具上的相关知识,同时在夹具设计上也有了初步认识。在专用夹具应用的同时,劳动生产率随之提高,劳动力强度也随之降低,操作起来也能够快速方便,更好地保证加工质量。总的来说,最大好处便是,既能得到高质量高产量的产品,又能在工人成本上大大降低。然而在专用夹具的设计制造上同样存在着不少问题,例如周期长、制造费用较高等。另外需要补充的是,专用夹具的适用范围相对局限,企业对它的使用往往是在生产大批量的产品时,究其原因便是它的针对性强,通用性低。
关键词:轴承座;工艺;夹具;生产加工。
目录
摘要I
Abstract II
绪论1
第一章零件的分析3
1.1零件的作用3
1.3零件的工艺分析4
第二章确定毛坯5
2.1确定毛坯种类5
2.2确定铸件加工余量及形状5
第三章工艺规程设计6
3.1选择定位基准6
3.2制定工艺路线6
3.3机械加工余量、工序尺寸及公差的确定7
3.3.1圆柱表面工序尺寸: 7
3.3.2平面工序尺寸7
表3.2平面工序尺寸表7
第四章各工序的加工参数计算9
4.1铣端面9
4.1.1粗端平面9
4.1.2精铣底平面10
4.2钻Ф9孔及锪Ф16的沉头孔11
4.2.1钻Ф9孔11
4.2.2锪Ф16孔保证孔的深度12
4.3铣两端面13
4.3.1粗铣两端面13
4.3.2精铣两端面14
4.4半精车右端面14
4.5半精车左端面15
4.6半精车74外圆16
4.7钻3×9通孔16
4.8粗铣两端平面17
4.9精铣平面17
4.10铣端面18
4.11时间定额及负荷率的确定: 19
第五章夹具设计22
5.1定位基准的选择22
5.2定位误差分析22
5.3夹具方案设计22
5.4本步加工按钻削估算夹紧力23
总结24
致谢26
温馨提示:
1、题目前面的备注【字母数字编号】为本站整理分类的编号,与课题内容无关,请选题时忽视;
2、若题目上备注三维,则表示文件里包含三维源文件,由于三维组成零件数量较多,为保证预览截图的简洁性,本站将三维文件夹进行了打包。三维及CAD预览截图,均为本站电脑打开软件进行截图的,保证能够打开,下载原件超高清,下载后解压即可;
3、本站所有资源如无特殊说明,都需要本地电脑安装Office2007。图纸软件为AutoCAD,PROE,UG,SolidWorks,CATIA等;
4、本站所有图文资料仅供用户学习参考,不作为任何商用或其他用途;
5、本站不保证下载资源的准确性、安全性和完整性, 不包修改,不支持退换,同时也不承担用户因使用这些下载资源对自己和他人造成任何形式的伤害或损失;
6、 下载文件中如有侵权或不适当内容,请与我们联系,我们立即纠正。