

作品包括:
Word版说明书1份,共30页,约12000字
工序卡一份
工艺过程卡一份
CAD版本图纸,共5张
三维零件图一份

摘要
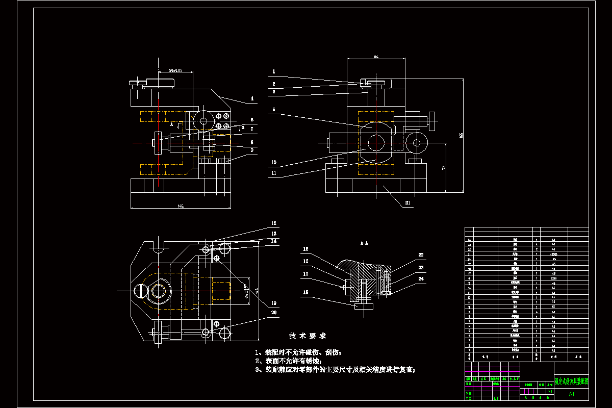
本文主要是铰链零件加工工艺与钻夹具设计,在工艺设计中要首先对铰链零件进行分析,了解铰链零件的工艺再设计出毛坯的结构,并选择好零件的加工基准,设计出零件的工艺路线;接着对零件各个工步的工序进行尺寸计算,关键是决定出各个工序的工艺装备及切削用量;然后进行专用夹具的设计,选择设计出夹具的各个组成部件,如定位元件、夹紧元件、引导元件、夹具体与机床的连接部件以及其它部件;计算出夹具定位时产生的定位误差,分析夹具结构的合理性与不足之处,并在以后设计中注意改进。
本文以加工为例,详细介绍了基于铰链编程的方法和创建数控后处理文件的方法,并且单独创建后置处理构造器来生成出符合加工人员实际操作的机床程序。在数控铣床上完成该铰链的加工,结果表明加工精度符合图纸要求、基于UC的自动编程可以提高NC程序的正确性和安全性、同时还能提高工作效率。
温馨提示:
1、题目前面的备注【字母数字编号】为本站整理分类的编号,与课题内容无关,请选题时忽视;
2、若题目上备注三维,则表示文件里包含三维源文件,由于三维组成零件数量较多,为保证预览截图的简洁性,本站将三维文件夹进行了打包。三维及CAD预览截图,均为本站电脑打开软件进行截图的,保证能够打开,下载原件超高清,下载后解压即可;
3、本站所有资源如无特殊说明,都需要本地电脑安装Office2007。图纸软件为AutoCAD,PROE,UG,SolidWorks,CATIA等;
4、本站所有图文资料仅供用户学习参考,不作为任何商用或其他用途;
5、本站不保证下载资源的准确性、安全性和完整性, 不包修改,不支持退换,同时也不承担用户因使用这些下载资源对自己和他人造成任何形式的伤害或损失;
6、 下载文件中如有侵权或不适当内容,请与我们联系,我们立即纠正。