欢迎来到龙图网在线图文分享平台-CAD图纸,设计说明书,工业设计3D模型,三维软件下载!   客服QQ:2363701252
热搜:

工艺夹具 模具设计 数控编程 土木工程 3D模型

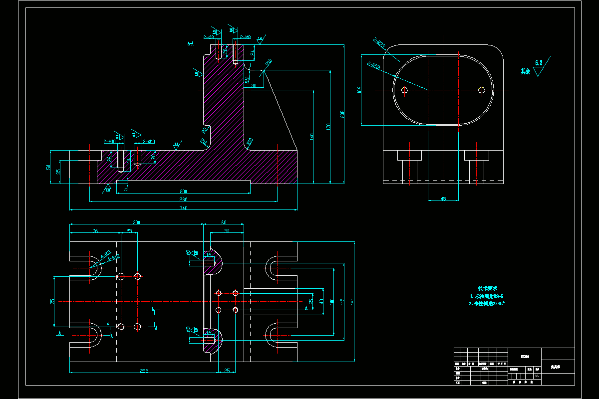
Z481-液压泵盖加工工艺及钻M18螺纹孔夹具设计 下载积分:150 资料编号: Z481

1.打开支付宝或者微信扫描二维码。
2.填写金额:150 
3.添加备注,填写资料编号:
资料编号: Z481
4.支付成功后,请发资料编号到邮箱:jxsj168@qq.com
会有专人在15分钟内把资料发到您邮箱
备注:如果付款忘记填写资料编号,则发邮件时附带您的交易明细截图即可。
请耐心等待,如超过30分钟还没收到,请联系客服QQ:2363701252
点击分享:

作品描述

作品包括:

Word版设计说明书1份,共36页,约12000字

工序卡8张

工艺过程卡1张

CAD版本图纸,共4张

%BHXQ$MGDS_([FD$A1YZ4LV.png

摘要

本文选择了液压泵盖作为研究对象,液压泵盖是液压泵的组成部分之一,它与泵体以及其他零件装配在一起工作,泵盖主要的作用是密封、紧固。为液压泵的正常工作,不漏油提供保障。

本文主要研究内容是液压泵盖加工工艺与工装设计。制定了加工液压泵盖的机械加工工艺路线,详细计算了加工余量、切削用量、尺寸公差,确定各工序尺寸、工序加工余量、加工工时、机械加工三要素等,选择其加工设备。通过本设计掌握零件的加工过程分析、工艺卡片的编制和步骤。学会应用手册、标准、规范等资料。认识到工艺在机械制造中的重要性。了解刀具的选用规则,产品质量、精度、寿命等属性和节约材料,降低成本,最重要的是提高生产效率。

设计加工M18X1.5螺纹孔钻床专用夹具,设计内容有:定位方案和夹紧方案的确定,定位元件和夹紧元件的选择,夹具体的设计,钻削力的计算等等。

关键词:液压泵盖、加工工艺、M18X1.5、钻床、夹具

目录

摘要I

第1章绪论1

1.1机加工工艺规程及机床夹具的概述1

1.2机床夹具的研究现状1

1.3机床夹具的发展方向2

第2章液压泵盖机械加工工艺规程设计3

2.1零件的作用、设计基准及表面构成3

2.1.1零件的作用3

2.1.2零件的设计基准3

2.1.3零件的表面构成3

2.2零件加工表面的分析及生产类型的确定4

2.2.1零件的加工表面分析4

2.2.2零件的生产类型的确定4

2.3零件的机械加工工艺性、材质及热处理要求4

2.3.1零件的机械加工工艺性4

2.3.2零件的材质5

2.4基准的选择及加工方案的确定5

2.4.1基准的选择5

2.4.2加工方案的确定6

2.5毛坯尺寸及加工余量的确定6

2.5.1毛坯尺寸的确定6

2.5.2加工余量的确定8

2.6机械加工机床、刀具及量具的选择10

2.7确定切削用量及基本工时10

第3章钻M18X1.5螺纹孔专用夹具设计28

3.1定位方案及定位元件的确定与选择28

3.2夹紧方案及夹紧元件的确定与选择29

3.3夹具体的确定29

3.4导向装置的确定30

3.5钻削力的计算30

3.6夹紧力的计算30

3.7定位误差的计算31

结论32

致谢33

参考文献34

温馨提示:

1、题目前面的备注【字母数字编号】为本站整理分类的编号,与课题内容无关,请选题时忽视;

2、若题目上备注三维,则表示文件里包含三维源文件,由于三维组成零件数量较多,为保证预览截图的简洁性,本站将三维文件夹进行了打包。三维及CAD预览截图,均为本站电脑打开软件进行截图的,保证能够打开,下载原件超高清,下载后解压即可;

3、本站所有资源如无特殊说明,都需要本地电脑安装Office2007。图纸软件为AutoCAD,PROE,UG,SolidWorks,CATIA等;

4、本站所有图文资料仅供用户学习参考,不作为任何商用或其他用途;
5、本站不保证下载资源的准确性、安全性和完整性, 不包修改,不支持退换,同时也不承担用户因使用这些下载资源对自己和他人造成任何形式的伤害或损失;

6、 下载文件中如有侵权或不适当内容,请与我们联系,我们立即纠正。


线