欢迎来到龙图网在线图文分享平台-CAD图纸,设计说明书,工业设计3D模型,三维软件下载!   客服QQ:2363701252
热搜:

工艺夹具 模具设计 数控编程 土木工程 3D模型

K1788B-万向节叉加工工艺及铣尺寸136上端面夹具设计 下载积分:120 资料编号: K1788B

1.打开支付宝或者微信扫描二维码。
2.填写金额:120 
3.添加备注,填写资料编号:
资料编号: K1788B
4.支付成功后,请发资料编号到邮箱:jxsj168@qq.com
会有专人在15分钟内把资料发到您邮箱
备注:如果付款忘记填写资料编号,则发邮件时附带您的交易明细截图即可。
请耐心等待,如超过30分钟还没收到,请联系客服QQ:2363701252
点击分享:

作品描述

481590作品包括:

Word版设计说明书1份,共35页,约12000字

工序卡7张

工艺过程卡1张

CAD版本图纸,共9张

三维零件图1张

]LA]}C{K[W$MF$R8XXMSBTP.png

摘要

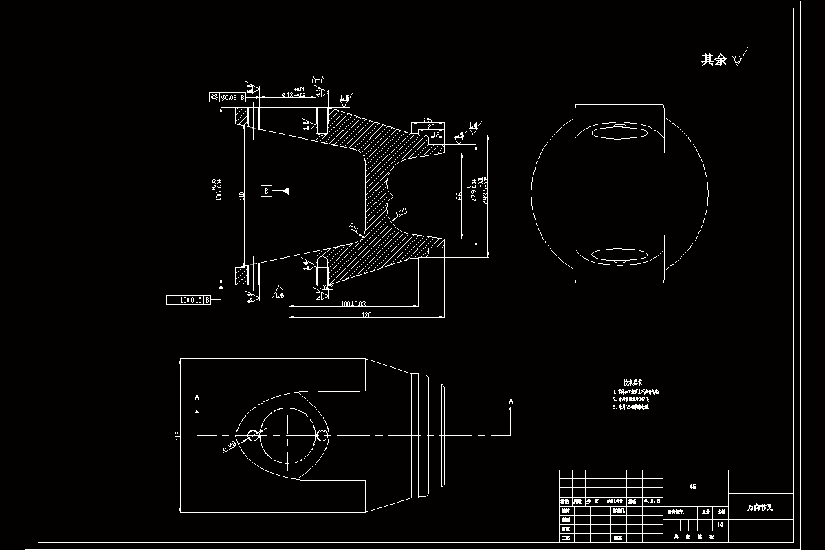
论述万向节叉零件加工工艺及夹具设计,研究零件机械加工工艺规程的设计问题,介绍工艺规程的组成、制定路线等。说明零件的机械加工工艺结构性,结合生产主要从零件分析、毛坯的选择、工艺路线的拟定、工序内容的确定等几个方面详细的讲述了万向节叉零件工艺过程设计以及工艺编制中应注意的问题,以及如何才能达到最理想的表面质量和经济效益。

针对设计给定的题目,设计铣削尺寸136所在上端面专用铣床夹具。夹具设计包括:设计出对零件进行定位,夹紧,还有引导的各个元件。在这里尤其要注意的是,夹具在定位零部件的时候,会产生误差,这个误差要在的合理控制范围以内,要充分了解夹具的优缺点,以便改进。

关键词:万向节、加工工艺、铣床夹具、钻床夹具、设计

目录

摘要I

ABSTRACT II

序言1

0.1机床夹具的概述1

0.2机床夹具的组成及分类1

0.2.1机床夹具的组成1

0.2.2机床夹具的分类2

0.3机床夹具的发展方向2

0.4机床夹具在机械加工中的作用3

0.5夹具设计的特点和基本要求4

0.5.1夹具设计的特点4

0.5.2设计的基本要求4

一零件分析5

1.1零件的作用5

1.2零件的工艺分析5

1.2.1零件的组成表面5

1.2.2零件的技术要求6

1.2.3零件的形位公差6

二工艺路线设计7

2.1确定毛坯的制造形式7

2.2基面的选择8

2.3制定工艺路线9

2.4机械加工余量、工序尺寸及毛坯尺寸的确定11

2.5确定切削用量及基本工时12

三铣床专用夹具设计24

3.1确定定位方案、定位元件24

3.1.1确定定位方案24

3.1.2确定定位元件24

3.2确定夹紧方案、夹紧元件25

3.2.1确定夹紧方案25

3.2.2确定夹紧元件25

3.3确定夹具体25

3.4确定导向装置26

3.5铣削力计算26

3.6夹紧力的计算26

3.7定位误差分析27

总结28

致谢29

参考文献30

温馨提示:

1、题目前面的备注【字母数字编号】为本站整理分类的编号,与课题内容无关,请选题时忽视;

2、若题目上备注三维,则表示文件里包含三维源文件,由于三维组成零件数量较多,为保证预览截图的简洁性,本站将三维文件夹进行了打包。三维及CAD预览截图,均为本站电脑打开软件进行截图的,保证能够打开,下载原件超高清,下载后解压即可;

3、本站所有资源如无特殊说明,都需要本地电脑安装Office2007。图纸软件为AutoCAD,PROE,UG,SolidWorks,CATIA等;

4、本站所有图文资料仅供用户学习参考,不作为任何商用或其他用途;
5、本站不保证下载资源的准确性、安全性和完整性, 不包修改,不支持退换,同时也不承担用户因使用这些下载资源对自己和他人造成任何形式的伤害或损失;

6、 下载文件中如有侵权或不适当内容,请与我们联系,我们立即纠正。


线