欢迎来到龙图网在线图文分享平台-CAD图纸,设计说明书,工业设计3D模型,三维软件下载!   客服QQ:2363701252
热搜:

工艺夹具 模具设计 数控编程 土木工程 3D模型

M2775-牵引变电所设置及典型牵引变电所主接线设计 下载积分:50 资料编号: M2775

1.打开支付宝或者微信扫描二维码。
2.填写金额:50 
3.添加备注,填写资料编号:
资料编号: M2775
4.支付成功后,请发资料编号到邮箱:jxsj168@qq.com
会有专人在15分钟内把资料发到您邮箱
备注:如果付款忘记填写资料编号,则发邮件时附带您的交易明细截图即可。
请耐心等待,如超过30分钟还没收到,请联系客服QQ:2363701252
点击分享:

作品描述

作品包括:

Word版设计说明书1份

任务书一份

开题报告一份

CAD版本图纸,共4张

摘要

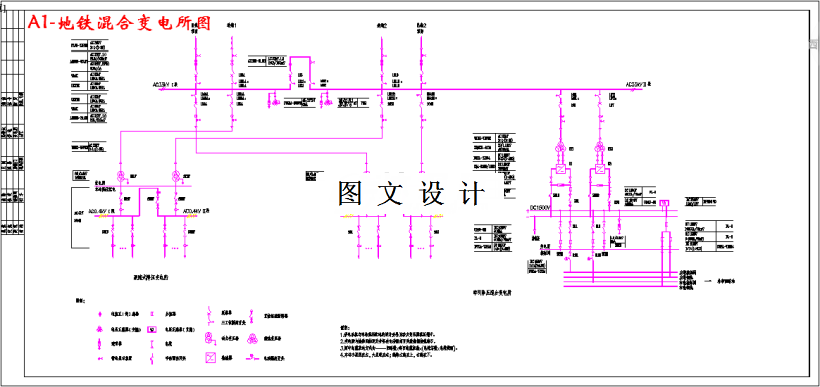
本次对某轨道交通一号线一期工程进行了牵引变电所设置及典型牵引变电所主接线设计的工程设计。首先通过对相关资料的查阅,了解到线路上变电所的布点选址等的要求,并参考所得的原始资料,对兰州地铁1号线进行了布点和选址。然后根据牵引供电计算的流程,对相关的数据进行计算整理。并且在牵引供电计算的基础上,完成了牵引变电所的变压器容量的计算,及选择变压器的容量与型号。再者,根据相关资料及所学的知识对典型牵引变电所的主接线进行设计及CAD图的绘制。最后,参考相关规范及手册,对变电所内的一些设备进行选型,并且很好地进行平面布置,且进行CAD图的绘制。总之,本次的设计是严格参照相关的工程设计规范规程进行的,所以基本与实际情况相符合。


温馨提示:

1、题目前面的备注【字母数字编号】为本站整理分类的编号,与课题内容无关,请选题时忽视;

2、若题目上备注三维,则表示文件里包含三维源文件,由于三维组成零件数量较多,为保证预览截图的简洁性,本站将三维文件夹进行了打包。三维及CAD预览截图,均为本站电脑打开软件进行截图的,保证能够打开,下载原件超高清,下载后解压即可;

3、本站所有资源如无特殊说明,都需要本地电脑安装Office2007。图纸软件为AutoCAD,PROE,UG,SolidWorks,CATIA等;

4、本站所有图文资料仅供用户学习参考,不作为任何商用或其他用途;
5、本站不保证下载资源的准确性、安全性和完整性, 不包修改,不支持退换,同时也不承担用户因使用这些下载资源对自己和他人造成任何形式的伤害或损失;

6、 下载文件中如有侵权或不适当内容,请与我们联系,我们立即纠正。


线