欢迎来到龙图网在线图文分享平台-CAD图纸,设计说明书,工业设计3D模型,三维软件下载!   客服QQ:2363701252
热搜:

工艺夹具 模具设计 数控编程 土木工程 3D模型

M2780-日产200吨超高麦芽糖浆的生产车间设计 下载积分:50 资料编号: M2780

1.打开支付宝或者微信扫描二维码。
2.填写金额:50 
3.添加备注,填写资料编号:
资料编号: M2780
4.支付成功后,请发资料编号到邮箱:jxsj168@qq.com
会有专人在15分钟内把资料发到您邮箱
备注:如果付款忘记填写资料编号,则发邮件时附带您的交易明细截图即可。
请耐心等待,如超过30分钟还没收到,请联系客服QQ:2363701252
点击分享:

作品描述

作品包括:

Word版设计说明书1份

PPT答辩一份

CAD版本图纸,共4张

摘要

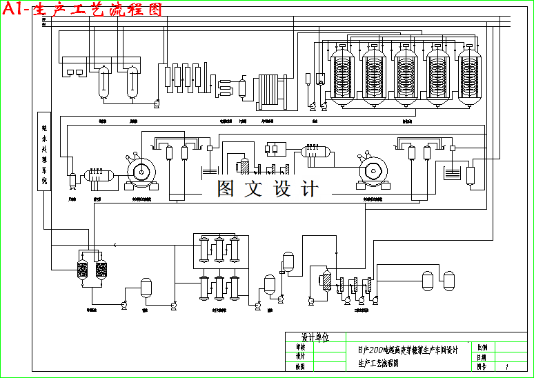
麦芽糖,分子式C12H22011,是具有发展前景的低热值低甜度糖类。其甜度相当于蔗糖的30%.40%,热量值仅为蔗糖的5%。根据麦芽糖含量的高低,麦芽糖浆可分为普通麦芽糖浆、高麦芽糖浆和超高麦芽糖浆。一般麦芽糖含量在60%以下的麦芽糖浆称为普通麦芽糖浆,麦芽糖含量在60—70%之间的为高麦芽糖浆,麦芽糖含量在70%以上的为超高麦芽糖浆。超高麦芽糖浆具有低甜度、高粘度、耐高温、保水性强、吸湿性低、透明度高、抗结晶强等特点,因此在食品和医药等行业中有着广泛的应用。此外,超高麦芽糖由于其特殊的保健、疗效功能,非常适合用于婴幼儿食品、老年人食品及运动员饮料中。本工厂以碎米作为原料生产超高麦芽糖浆。碎米作为稻米加工过程中的主要副产品,现主要作为食品辅料使用,其内在价值没有得到充分发掘,通过酶法处理将碎米制成各类淀粉糖浆,可使其价值提高2倍以上。本研究借助喷射液化技术制备超高麦芽糖浆。其工艺为:原料→调浆→洗涤→浸泡→标准化→一次喷射液化→二次喷射液化→糊精化→过滤→一次脱色→过滤→预浓缩→二次脱色→电渗、吸附、离子交换→浓缩→喷雾干燥→成品。 


温馨提示:

1、题目前面的备注【字母数字编号】为本站整理分类的编号,与课题内容无关,请选题时忽视;

2、若题目上备注三维,则表示文件里包含三维源文件,由于三维组成零件数量较多,为保证预览截图的简洁性,本站将三维文件夹进行了打包。三维及CAD预览截图,均为本站电脑打开软件进行截图的,保证能够打开,下载原件超高清,下载后解压即可;

3、本站所有资源如无特殊说明,都需要本地电脑安装Office2007。图纸软件为AutoCAD,PROE,UG,SolidWorks,CATIA等;

4、本站所有图文资料仅供用户学习参考,不作为任何商用或其他用途;
5、本站不保证下载资源的准确性、安全性和完整性, 不包修改,不支持退换,同时也不承担用户因使用这些下载资源对自己和他人造成任何形式的伤害或损失;

6、 下载文件中如有侵权或不适当内容,请与我们联系,我们立即纠正。


线