欢迎来到龙图网在线图文分享平台-CAD图纸,设计说明书,工业设计3D模型,三维软件下载!   客服QQ:2363701252
热搜:

工艺夹具 模具设计 数控编程 土木工程 3D模型

M4394-某集团公司1500m3d废水处理工艺设计 下载积分:50 资料编号: M4394

1.打开支付宝或者微信扫描二维码。
2.填写金额:50 
3.添加备注,填写资料编号:
资料编号: M4394
4.支付成功后,请发资料编号到邮箱:jxsj168@qq.com
会有专人在15分钟内把资料发到您邮箱
备注:如果付款忘记填写资料编号,则发邮件时附带您的交易明细截图即可。
请耐心等待,如超过30分钟还没收到,请联系客服QQ:2363701252
点击分享:

作品描述

作品包括:

Word版设计说明书1份

任务书一份

CAD版本图纸,共6张

摘要

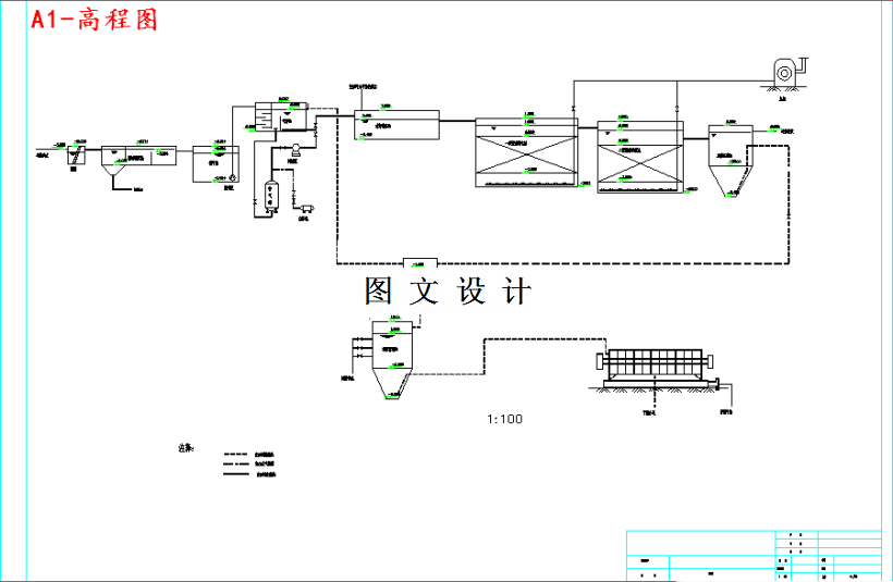
本设计题目为“某集团公司废水处理工艺设计”,该工程所处理的污水主要是由染色废水和毛绒组成。经建设方确认,本设计规模按日最大处理水量:1500 m3/d。污水主要污染物CODcr、SS、油、氨氮,色度等,其污水水质如下:染色废水:COD=1980 mg/L SS=184 mg/L氨氮=340.8 mg/L石油类=2.2 mg/L色度=1000 倍。毛绒废水:COD= 8020 mg/L SS=4110 mg/L氨氮=161.2 mg/L石油类=383 mg/L色度=100倍。 年平均气温为12℃,最高39.2℃,最低-22℃,月平均温度低于-15℃的结冻天数15天。年平均降雨量476.9毫米,年平均蒸发量1517.9毫米。年平均风速3.3米/秒,主导风向为西北风;处理站处理水质为:BOD5≦25mg/L,CODcr≦150mg/L,SS≦200mg/l,PH=6-9,色度≤80倍,出水水质符合国家的二级排放标准。 本设计采用水解酸化加生物接触氧化处理废水。处理构筑物主要有调节池、气浮池、水解酸化池、生物接触氧化池、竖流式沉淀池、浓缩池、泵房、脱水机房和鼓风机房等。预处理的调节池和水解酸化池及气浮池有效的降低了污水的各项指标,为生物接触氧化池的进水,提供了最佳进水指标,同时还有效的降低了污水的色度,再加上后面的竖流式沉淀池的絮凝沉淀作用,色度指标大大降低,基本上可以满足出水的要求。


温馨提示:

1、题目前面的备注【字母数字编号】为本站整理分类的编号,与课题内容无关,请选题时忽视;

2、若题目上备注三维,则表示文件里包含三维源文件,由于三维组成零件数量较多,为保证预览截图的简洁性,本站将三维文件夹进行了打包。三维及CAD预览截图,均为本站电脑打开软件进行截图的,保证能够打开,下载原件超高清,下载后解压即可;

3、本站所有资源如无特殊说明,都需要本地电脑安装Office2007。图纸软件为AutoCAD,PROE,UG,SolidWorks,CATIA等;

4、本站所有图文资料仅供用户学习参考,不作为任何商用或其他用途;
5、本站不保证下载资源的准确性、安全性和完整性, 不包修改,不支持退换,同时也不承担用户因使用这些下载资源对自己和他人造成任何形式的伤害或损失;

6、 下载文件中如有侵权或不适当内容,请与我们联系,我们立即纠正。


线