

作品包括:
Word版设计说明书1份
CAD版本图纸,共8张
摘要
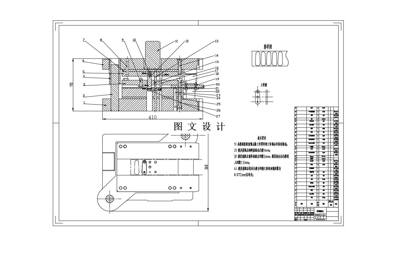
级进模又称多工位级进模、连续模和跳模, 级进模冲压由几个独立的工作站组成,每个工作站对零件执行一个或多个不同的操作。该零件由料带从一个站点运送到另一个站点,并在最终操作中从料带中切出在级进模或转移模中生产零件的决定取决于尺寸、复杂度和生产量。级进模冲压是用来生产大量零件并使成本尽可能低。必须满足精度和耐久性方面的最高要求。本文对给定的带孔冲裁件进行了级进模的设计计算,给出了较好的设计方案。 主要对带孔冲裁件的工艺进行了分析,并根据工件的尺寸精度和技术要求设计计算了冲裁该工件的级进模。
温馨提示:
1、题目前面的备注【字母数字编号】为本站整理分类的编号,与课题内容无关,请选题时忽视;
2、若题目上备注三维,则表示文件里包含三维源文件,由于三维组成零件数量较多,为保证预览截图的简洁性,本站将三维文件夹进行了打包。三维及CAD预览截图,均为本站电脑打开软件进行截图的,保证能够打开,下载原件超高清,下载后解压即可;
3、本站所有资源如无特殊说明,都需要本地电脑安装Office2007。图纸软件为AutoCAD,PROE,UG,SolidWorks,CATIA等;
4、本站所有图文资料仅供用户学习参考,不作为任何商用或其他用途;
5、本站不保证下载资源的准确性、安全性和完整性, 不包修改,不支持退换,同时也不承担用户因使用这些下载资源对自己和他人造成任何形式的伤害或损失;
6、 下载文件中如有侵权或不适当内容,请与我们联系,我们立即纠正。