

作品包括:
Word版说明书1份,共19页,约6400字
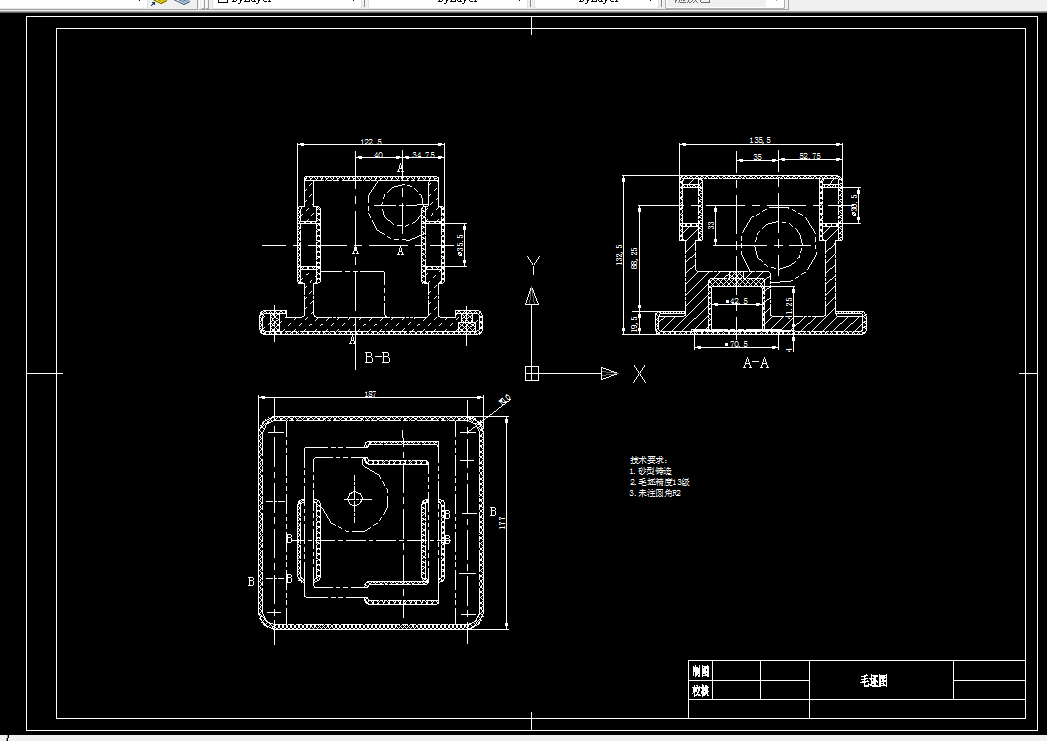
工艺卡片13张
工艺过程卡1张
CAD版本图纸,共4张

目录
摘 要 I
第1章 绪 论 2
第2章 工艺设计 3
2.1 零件的分析 3
2.1.1零件的作用 3
2.1.2零件的工艺分析 3
2.2 毛坯选择 3
2.2.1毛坯的种类 3
2.2.2毛坯尺寸公差与机械加工余量的确定 3
2.2.3设计毛坯图 4
2.3 定位基准的选择 5
2.4 零件表面加工方法和工艺路线的确定 6
2.4.1确定各表面的加工方法 6
2.4.2加工顺序的安排 6
2.5 工艺设计 7
2.5.1选择加工设备与工艺设备 7
2.5.2选择夹具 8
2.5.3选择刀具 8
2.5.4选择量具 8
2.6 确定各工序切削用量 8
2.7 定位误差分析 11
第3章 镗φ40夹具设计 12
3.1 夹具设计 12
3.2 镗床夹具特点及适应范围 12
3.3 镗模的设计要点 12
3.3.1镗套的结构形式 12
3.3.2镗杆的结构形式 13
3.3.3镗模支架和底座的设计 13
3.4 定位基准的选择 13
3.5 夹紧机构的设计 13
3.5.1夹紧装置的基本要求 13
3.6 夹具装配图 14
总结 16
致 谢 17
参考文献 18
温馨提示:
1、题目前面的备注【字母数字编号】为本站整理分类的编号,与课题内容无关,请选题时忽视;
2、若题目上备注三维,则表示文件里包含三维源文件,由于三维组成零件数量较多,为保证预览截图的简洁性,本站将三维文件夹进行了打包。三维及CAD预览截图,均为本站电脑打开软件进行截图的,保证能够打开,下载原件超高清,下载后解压即可;
3、本站所有资源如无特殊说明,都需要本地电脑安装Office2007。图纸软件为AutoCAD,PROE,UG,SolidWorks,CATIA等;
4、本站所有图文资料仅供用户学习参考,不作为任何商用或其他用途;
5、本站不保证下载资源的准确性、安全性和完整性, 不包修改,不支持退换,同时也不承担用户因使用这些下载资源对自己和他人造成任何形式的伤害或损失;
6、 下载文件中如有侵权或不适当内容,请与我们联系,我们立即纠正。