

作品包括:
Word版设计说明书1份,共52页
CAD版本图纸,共8张
摘要
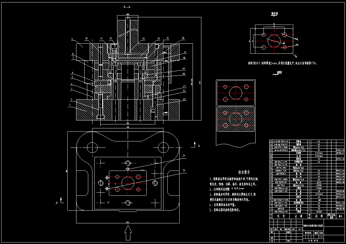
模具是工业产品中生产的重要工艺装备,模具由于其加工效率高,互换性好,节省原材料,所以得到广泛的应用。本文对连接片冲压模具进行了分析,根据毛坯的几何形状要求、材料和尺寸的分析得出凸模、凹模和凸凹模的全部结构,采用倒装式复合模冲压,工艺分析结束后,进行主要参数的设计,包括凸、凹模以及凸凹模刃口以及毛坯尺寸的计算,接着是主要零部件的设计和选取,然后选取冲压设备,最后进行压力机的校核,绘制连接板倒装复合模的零件图和装配图。
温馨提示:
1、题目前面的备注【字母数字编号】为本站整理分类的编号,与课题内容无关,请选题时忽视;
2、若题目上备注三维,则表示文件里包含三维源文件,由于三维组成零件数量较多,为保证预览截图的简洁性,本站将三维文件夹进行了打包。三维及CAD预览截图,均为本站电脑打开软件进行截图的,保证能够打开,下载原件超高清,下载后解压即可;
3、本站所有资源如无特殊说明,都需要本地电脑安装Office2007。图纸软件为AutoCAD,PROE,UG,SolidWorks,CATIA等;
4、本站所有图文资料仅供用户学习参考,不作为任何商用或其他用途;
5、本站不保证下载资源的准确性、安全性和完整性, 不包修改,不支持退换,同时也不承担用户因使用这些下载资源对自己和他人造成任何形式的伤害或损失;
6、 下载文件中如有侵权或不适当内容,请与我们联系,我们立即纠正。