

作品包括:
Word版设计说明书1份
CAD版本图纸,共8张
UG三维图一份
摘要
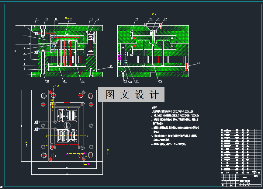
本次模具设计论是为生产肥皂盒沥水层设计一套注射模具,本次设计开始首先准备了实物从肥皂盒沥水层使用要求出发,确定ABS材质为肥皂盒沥水层材料,型腔数目设计成一模两腔,选择XS-ZY-125型号注塑机并对有关参数进行校核,然后对模具中的浇注系统、模具成型部分的结构、脱模机构、冷却系统都做了相关的设计,这个过程中运用到很多机械类相关的二维和三维软件辅助分析设计,有些参数并通过软件选择合理的工艺参数和设计方案。
温馨提示:
1、题目前面的备注【字母数字编号】为本站整理分类的编号,与课题内容无关,请选题时忽视;
2、若题目上备注三维,则表示文件里包含三维源文件,由于三维组成零件数量较多,为保证预览截图的简洁性,本站将三维文件夹进行了打包。三维及CAD预览截图,均为本站电脑打开软件进行截图的,保证能够打开,下载原件超高清,下载后解压即可;
3、本站所有资源如无特殊说明,都需要本地电脑安装Office2007。图纸软件为AutoCAD,PROE,UG,SolidWorks,CATIA等;
4、本站所有图文资料仅供用户学习参考,不作为任何商用或其他用途;
5、本站不保证下载资源的准确性、安全性和完整性, 不包修改,不支持退换,同时也不承担用户因使用这些下载资源对自己和他人造成任何形式的伤害或损失;
6、 下载文件中如有侵权或不适当内容,请与我们联系,我们立即纠正。