

作品包括:
Word版说明书1份,共30页,约8600字
工序卡15张
工艺过程卡1张
CAD版本图纸,共4张
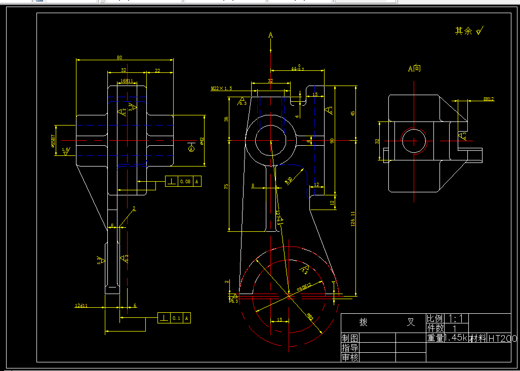
![1736036335191215.png W6W@@GH$A]~47Y0M}6(8AZA.png](/uploadfiles/20250105/1736036335191215.png)
目 录
1 绪论 1
1.1课题背景 1
1.2夹具的发展史 1
1.3小结 2
2 拨叉的加工工艺规程设计 3
2.1零件的分析 3
2.1.1零件的作用 3
2.1.2零件的工艺分析 3
2.2确定生产类型 3
2.3确定毛坯 3
2.3.1确定毛坯种类 3
2.3.2确定铸件加工余量及形状 3
2.3.3绘制铸件零件图 4
2.4工艺规程设计 4
2.4.1选择定位基准 4
2.4.2制定工艺路线 4
2.4.3选择加工设备和工艺设备 6
2.4.4机械加工余量、工序尺寸及公差的确定 6
2.5确定切削用量及基本工时 8
2.5.1工序1:粗铣Φ25H7的两侧面 8
2.5.3工序3:钻Φ25H7的通孔 9
2.5.4工序4:扩Φ25H7的通孔 11
2.5.5工序5:铰Φ25H7的通孔 12
2.5.6工序6:粗铣a、b面 12
2.5.7工序7:粗铣Φ60H12孔的两面 14
2.5.8工序8:精铣Φ60H12孔的两面 14
2.5.9工序9:粗镗下端Φ60H12的孔 15
2.5.10工序10:半精镗下端孔到Φ60H12 16
2.5.11工序11:粗铣16H11的槽 16
2.5.12工序12:半精铣16H11的槽 17
2.5.13工序13:钻Φ20.50的孔 18
2.5.14工序14:攻M22×1.5的螺纹 19
2.5.15工序15:铣开Φ60H12的孔 20
2.6本章小结 21
3 专用夹具设计 22
3.1铣面夹具设计 22
3.1.1问题的提出 22
3.1.2夹具的设计 22
3.1.3定位误差分析 24
3.1.5定向键与对刀装置设计 24
3.1.6夹具体的设计 25
结论 26
参 考 文 献 27
温馨提示:
1、题目前面的备注【字母数字编号】为本站整理分类的编号,与课题内容无关,请选题时忽视;
2、若题目上备注三维,则表示文件里包含三维源文件,由于三维组成零件数量较多,为保证预览截图的简洁性,本站将三维文件夹进行了打包。三维及CAD预览截图,均为本站电脑打开软件进行截图的,保证能够打开,下载原件超高清,下载后解压即可;
3、本站所有资源如无特殊说明,都需要本地电脑安装Office2007。图纸软件为AutoCAD,PROE,UG,SolidWorks,CATIA等;
4、本站所有图文资料仅供用户学习参考,不作为任何商用或其他用途;
5、本站不保证下载资源的准确性、安全性和完整性, 不包修改,不支持退换,同时也不承担用户因使用这些下载资源对自己和他人造成任何形式的伤害或损失;
6、 下载文件中如有侵权或不适当内容,请与我们联系,我们立即纠正。