

作品包括:
Word设计说明书1份
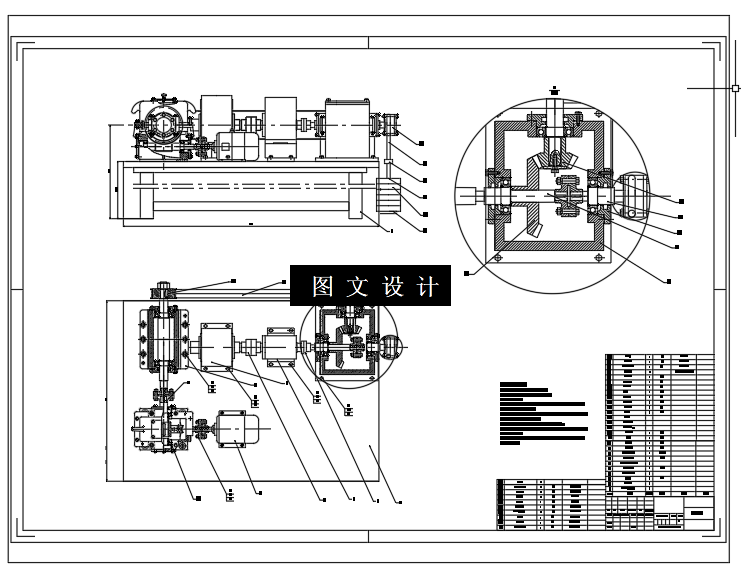
CAD版本图纸,共5张
摘要
锥齿轮疲劳的测试设备进行设计。疲劳失效是一种比静载荷低得多情况下发生的最常见的机械零件失效形式。目前,国内外齿轮传动基础试金数据匮乏,尤其是推齿轮受力情况极力复杂,国内外几乎没有系统性的试验研究,缺乏准确的试验数据支撑。针对推齿轮接触疲劳失效和弯曲废劳失效机理严设计维齿轮疲芳强度试验装盟。预设转速分高、中、低档及正反转;预设载荷分静载荷和叠加动载荷;动载荷模拟对称循环变应力和脉动循环变应力。主要包括主体设计、传动装置设计、哈合机构设计等,加载方式采取砝码静载荷,动载荷采取叠加砝码形式;传动形式为带传动、齿轮传动组合形式。
温馨提示:
1、题目前面的备注【字母数字编号】为本站整理分类的编号,与课题内容无关,请选题时忽视;
2、若题目上备注三维,则表示文件里包含三维源文件,由于三维组成零件数量较多,为保证预览截图的简洁性,本站将三维文件夹进行了打包。三维及CAD预览截图,均为本站电脑打开软件进行截图的,保证能够打开,下载原件超高清,下载后解压即可;
3、本站所有资源如无特殊说明,都需要本地电脑安装Office2007。图纸软件为AutoCAD,PROE,UG,SolidWorks,CATIA等;
4、本站所有图文资料仅供用户学习参考,不作为任何商用或其他用途;
5、本站不保证下载资源的准确性、安全性和完整性, 不包修改,不支持退换,同时也不承担用户因使用这些下载资源对自己和他人造成任何形式的伤害或损失;
6、 下载文件中如有侵权或不适当内容,请与我们联系,我们立即纠正。