

作品包括:
Word设计说明书1份
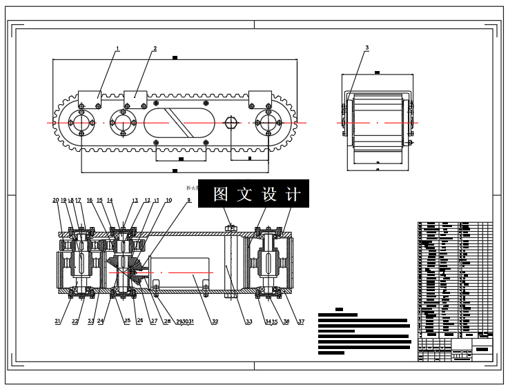
CAD版本图纸,共6张
摘要
为此我们涉及到整套机械结构设计方案。其中包含驱动设计,传动设计接待系统以及整个计价的系统设计,并对其关键零部件进行了分析,优化设计。运用是三维数模软件对道路护栏清洁机行进机构设计进行三维模型的绘制设计,本次设计并运用有限元分析元件对道路护栏清洁机行进机构设计进行关键零部件的分析设计。并对其进行了分析设计。通过对比分析,对关键零部件进行了优化设计。并对移动总成进行了相应设计分析。并用绘图软件对其进行三维数模以及CAD的绘制。目前国内护栏清洗作业多由人工完成,劳动强度大、作业效率低,并且大部分护栏置于道路的中央,清洗时容易发生安全事故。因此,设计一种高效的护栏清洗车,不仅具有宽广的市场空间,也具有良好的社会效益
温馨提示:
1、题目前面的备注【字母数字编号】为本站整理分类的编号,与课题内容无关,请选题时忽视;
2、若题目上备注三维,则表示文件里包含三维源文件,由于三维组成零件数量较多,为保证预览截图的简洁性,本站将三维文件夹进行了打包。三维及CAD预览截图,均为本站电脑打开软件进行截图的,保证能够打开,下载原件超高清,下载后解压即可;
3、本站所有资源如无特殊说明,都需要本地电脑安装Office2007。图纸软件为AutoCAD,PROE,UG,SolidWorks,CATIA等;
4、本站所有图文资料仅供用户学习参考,不作为任何商用或其他用途;
5、本站不保证下载资源的准确性、安全性和完整性, 不包修改,不支持退换,同时也不承担用户因使用这些下载资源对自己和他人造成任何形式的伤害或损失;
6、 下载文件中如有侵权或不适当内容,请与我们联系,我们立即纠正。