

作品包括:
Word设计说明书1份
CAD版本图纸,共14张
UG三维图一份
摘要
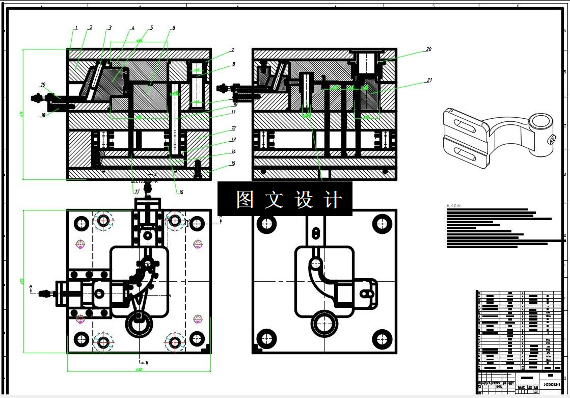
说明书中介绍了支架压铸模具的设计,同时提及了项目管理、工程与社会方面的内容。压铸模具设计的内容有:支架材料、支架镶块设计、压铸成型工艺的分析、浇注系统和排溢系统的设计、推出机构的设计与计算、抽芯机构的设计、模架的设计和其他结构零件的设计以及零件材料的选定设计。同时其中有结构修改后的铸件二维、三维图,有镶块的二维三维图以及压铸模具二维装配图。
温馨提示:
1、题目前面的备注【字母数字编号】为本站整理分类的编号,与课题内容无关,请选题时忽视;
2、若题目上备注三维,则表示文件里包含三维源文件,由于三维组成零件数量较多,为保证预览截图的简洁性,本站将三维文件夹进行了打包。三维及CAD预览截图,均为本站电脑打开软件进行截图的,保证能够打开,下载原件超高清,下载后解压即可;
3、本站所有资源如无特殊说明,都需要本地电脑安装Office2007。图纸软件为AutoCAD,PROE,UG,SolidWorks,CATIA等;
4、本站所有图文资料仅供用户学习参考,不作为任何商用或其他用途;
5、本站不保证下载资源的准确性、安全性和完整性, 不包修改,不支持退换,同时也不承担用户因使用这些下载资源对自己和他人造成任何形式的伤害或损失;
6、 下载文件中如有侵权或不适当内容,请与我们联系,我们立即纠正。