

作品包括:
Word设计说明书1份
CAD版本图纸,共10张
UG三维图一份
摘要
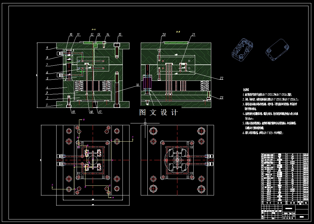
模具工业是国民经济的基础工业,受到政府和企业界的高度重视。模具作为一种高附加值和技术密集型产品,其技术水平的高低已成为衡量一个国家制造业水平的重要标志之一。模具技术不仅是精密成形技术中的一项关键技术,还直接为高新技术产业化服务,并大量采用高新技术,如CAD/CAE/CAM系统、新工艺、新材料等。 本研究目的在于开发一套适用于生产NC电气盒底座的注塑模具。研究开始时,对插座工艺性进行了详尽分析,基于其使用环境和需求,选定了适合的ABS材质,以保障产品的强度和耐久性。在模腔设计上,采用了一模四腔的布局,并采用侧面进胶方式以提高注塑质量,确保材料均匀填充。确定了设计方案后,利用三维软件对产品体积进行分析,初选注塑机型号,确定分型面最佳位置,以确保成型件易于脱模且尺寸精度可控。随后,详细设计了模具的浇注系统、脱模机构和冷却系统,通过优化每个部件的布局和参数来提高成型效率和产品质量。针对成型零件的结构和尺寸特点,进行了详细的计算和结构选择工作,确保每个零件都符合设计要求,使其在生产过程中能够达到预期的性能指标。最终,校核验证了所选注塑机主要参数,确保能满足正常生产要求
温馨提示:
1、题目前面的备注【字母数字编号】为本站整理分类的编号,与课题内容无关,请选题时忽视;
2、若题目上备注三维,则表示文件里包含三维源文件,由于三维组成零件数量较多,为保证预览截图的简洁性,本站将三维文件夹进行了打包。三维及CAD预览截图,均为本站电脑打开软件进行截图的,保证能够打开,下载原件超高清,下载后解压即可;
3、本站所有资源如无特殊说明,都需要本地电脑安装Office2007。图纸软件为AutoCAD,PROE,UG,SolidWorks,CATIA等;
4、本站所有图文资料仅供用户学习参考,不作为任何商用或其他用途;
5、本站不保证下载资源的准确性、安全性和完整性, 不包修改,不支持退换,同时也不承担用户因使用这些下载资源对自己和他人造成任何形式的伤害或损失;
6、 下载文件中如有侵权或不适当内容,请与我们联系,我们立即纠正。