

作品包括:
Word设计说明书1份
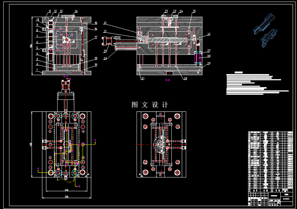
CAD版本图纸,共9张
UG三维图一份
摘要
随着塑料工业的迅猛发展,塑料制品因其质轻、耐用、易加工成型等特点,在机械、电子、交通、国防、农业等各个领域得到了广泛应用。玩具枪作为儿童娱乐和军事模拟训练的重要工具,其机匣部分通常采用注塑成型工艺制造。注塑模具作为实现塑料制品成型的关键设备,其设计质量直接关系到玩具枪机匣的外观、性能、生产成本和生产效率。 本次毕业设计的核心任务是设计用于玩具枪机匣注塑成型的模具结构,并采用了ABS塑料为玩具枪机匣的成型塑料材质。此外,论文还探讨了玩具枪机匣的注塑成型工艺技术问题。该塑料模具具有单模具多腔的特点,具体型腔数目为一模一腔,为了玩具枪机匣一次性注塑成型,根据所需的ABS塑料体积和所需施加的锁模力的计算,确定了HTF120J/TJ型号作为最适合的注塑机型号。采取了双分型面的细水口模架,并进一步规划了浇注系统、脱模装置以及温度调节冷却系统。同时,成型元件采用整体嵌入式结构并对型芯(凸模)和型腔(凹模)成型尺寸进行计算。最后,对选用的HTF120J/TJ型注塑设备的各项技术参数也进行了全面校核。最终顺利完成了玩具枪机匣的注塑模具的结构设计任务。
温馨提示:
1、题目前面的备注【字母数字编号】为本站整理分类的编号,与课题内容无关,请选题时忽视;
2、若题目上备注三维,则表示文件里包含三维源文件,由于三维组成零件数量较多,为保证预览截图的简洁性,本站将三维文件夹进行了打包。三维及CAD预览截图,均为本站电脑打开软件进行截图的,保证能够打开,下载原件超高清,下载后解压即可;
3、本站所有资源如无特殊说明,都需要本地电脑安装Office2007。图纸软件为AutoCAD,PROE,UG,SolidWorks,CATIA等;
4、本站所有图文资料仅供用户学习参考,不作为任何商用或其他用途;
5、本站不保证下载资源的准确性、安全性和完整性, 不包修改,不支持退换,同时也不承担用户因使用这些下载资源对自己和他人造成任何形式的伤害或损失;
6、 下载文件中如有侵权或不适当内容,请与我们联系,我们立即纠正。