

作品包括:
Word设计说明书1份
CAD版本图纸,共4张
摘要
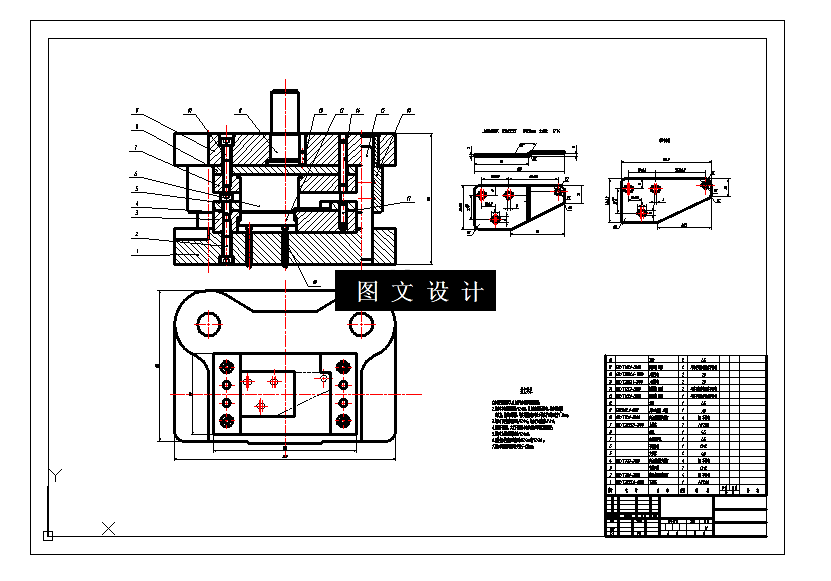
本文主要进行上铰链固定板的冲压模具设计。该冲压模具有落料冲孔和弯曲的工序,。在设计过程中分析了上铰链固定板 的工艺特点,介绍了上铰链固定板 的冲压模结构及模具的整体设计过程,并分析和阐述了模具凸、凹模零件及各标准件的选材及选用原则和方法、保持架的结构要素、零件的尺寸公差和精度的选择、以及压力机的选择和校核。 设计的是上铰链固定板 的弯曲工艺与模具设计,这套模具是弯曲模,属于冲压模具的一种,但比起冲压模,本套模具突出了弯曲模的特点。上铰链固定板 采用单工序冲模,需要3道工序,分别是落料,冲孔、弯曲。这个设计时为第三道工序的弯曲模。
温馨提示:
1、题目前面的备注【字母数字编号】为本站整理分类的编号,与课题内容无关,请选题时忽视;
2、若题目上备注三维,则表示文件里包含三维源文件,由于三维组成零件数量较多,为保证预览截图的简洁性,本站将三维文件夹进行了打包。三维及CAD预览截图,均为本站电脑打开软件进行截图的,保证能够打开,下载原件超高清,下载后解压即可;
3、本站所有资源如无特殊说明,都需要本地电脑安装Office2007。图纸软件为AutoCAD,PROE,UG,SolidWorks,CATIA等;
4、本站所有图文资料仅供用户学习参考,不作为任何商用或其他用途;
5、本站不保证下载资源的准确性、安全性和完整性, 不包修改,不支持退换,同时也不承担用户因使用这些下载资源对自己和他人造成任何形式的伤害或损失;
6、 下载文件中如有侵权或不适当内容,请与我们联系,我们立即纠正。