

作品包括:
Word设计说明书1份
CAD版本图纸,共13张
摘要
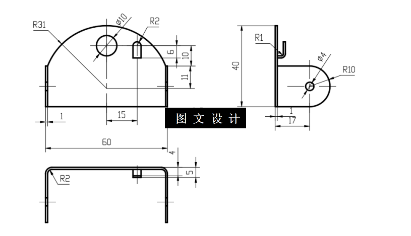
本文主要设计一套右内筒支持板弯曲件级进模的设计,根据冲压件的相关参数,进行工艺分析,确定模具的使用条件和生产批量。本次冲压件有3个工序,落料和冲孔弯曲,结合工艺分析来进行结构方案的确定,最终适合的方案为级进模具,然后进行一工艺计算后着手零件的具体设计,比如凹模,凸模以及卸料板等。然后将所有的设计流程汇总成说明书,并将工件图,排样图以及总装图和零件图通过CAD进行绘制。
温馨提示:
1、题目前面的备注【字母数字编号】为本站整理分类的编号,与课题内容无关,请选题时忽视;
2、若题目上备注三维,则表示文件里包含三维源文件,由于三维组成零件数量较多,为保证预览截图的简洁性,本站将三维文件夹进行了打包。三维及CAD预览截图,均为本站电脑打开软件进行截图的,保证能够打开,下载原件超高清,下载后解压即可;
3、本站所有资源如无特殊说明,都需要本地电脑安装Office2007。图纸软件为AutoCAD,PROE,UG,SolidWorks,CATIA等;
4、本站所有图文资料仅供用户学习参考,不作为任何商用或其他用途;
5、本站不保证下载资源的准确性、安全性和完整性, 不包修改,不支持退换,同时也不承担用户因使用这些下载资源对自己和他人造成任何形式的伤害或损失;
6、 下载文件中如有侵权或不适当内容,请与我们联系,我们立即纠正。